1. Ohutlevymallin aloitus
Harjoitus 1: Ohutlevykappaleen luonti


Yleistä
Ohutlevyosan mallinnus voidaan aloittaa seuraavilla tavoilla. (kaksi ensimmäistä tapaa on esitetty tällä sivulla)
- Mallinnetaan tavallinen kappale ja muunnetaan se ohutlevykappaleeksi.
- Luonnostellaan sellainen muoto, joka voidaan pursottaa ohutlevykappaleeksi.
- Mallinnetaan ohutlevykappaleen ulko- tai sisäpinnan muoto ja tästä tehdään ohutlevykappale toiminnolla Pintaketjun offset. Esitetty harjoituksessa: Vinokotelo.
- Koonnassa kopioidaan toisen osan pinnan muoto osamallin muodoksi. Esitetty harjoituksessa: Kääntyvä yhde.
Video
Yleistä
Ohutlevyosan mallinnus voidaan aloittaa seuraavilla tavoilla. (kaksi ensimmäistä tapaa on esitetty tällä sivulla)
- Mallinnetaan tavallinen kappale ja muunnetaan se ohutlevykappaleeksi.
- Luonnostellaan sellainen muoto, joka voidaan pursottaa ohutlevykappaleeksi.
- Mallinnetaan ohutlevykappaleen ulko- tai sisäpinnan muoto ja tästä tehdään ohutlevykappale toiminnolla Pintaketjun offset. Esitetty harjoituksessa: Vinokotelo.
- Koonnassa kopioidaan toisen osan pinnan muoto osamallin muodoksi. Esitetty harjoituksessa: Kääntyvä yhde.
Luonnostele kappale ja muuta se ohutlevyksi
Luonnostele viiva tai viivaketju ja pursota se ohutlevykappaleeksi
Päävaiheet
- Tee uusi osamalli.
- Siirry luonnostelutilaan.
- Luonnostele suljettu murtoviiva.
- Tee luonnoksesta pursotus.
- Muuta osan ohutlevyksi "Ominaisuudet"-kohdasta.
Päävaiheet
- Tee uusi osamalli.
- Siirry luonnostelutilaan.
- Luonnostele suljettu tai avoin murtoviiva tai pelkkä jana.
- Tee luonnoksesta ohutlevypursotus.
Harjoitus 1a ja 1b: Suorakulmainen peltilevy
- Tehdään 300*200*2mm ohutlevy-kappale kummallakin tavalla. Vasemmalla (1a) on esitetty vaiheet, joissa luonnostellaan kappale, jonka tyyppi muutetaan ohutlevyksi ja oikealla (1b) esitetään tapa, jonka avulla ensimmäisestä luonnoksesta pursotetaan ohutlevy.
1a, Luonnostelu (levy)
- File > Uusi > Osa (Anna tunnus ja arkistotiedot ja tee uusi projekti tai valitse olemassa oleva projekti).
- Uusi luonnos > Vaaka (XY)-tasoon.

- Tee luonnos mieluusti symmetrisesti keskiristin ympärille (Esim. kahden pisteen suorakulmiolla)
- Osoita ensin piste keskiristin keskeltä
- Anna sen jälkeen mitat 150,100
- Jos haluat kappaleesta mittataulukon avulla varioituvan, niin muokkaa mittoja ja anna kaava-kenttään muuttujan nimet (esim. PIT ja LEV)

1b, Luonnostelu (levyn sivujana)
- File > Uusi > Osa (Anna tunnus ja arkistotiedot ja tee uusi projekti tai valitse olemassa oleva projekti).
- Uusi luonnos > Pysty (XZ)-tasoon.

- Luonnostele vaakasuuntainen jana osoittamalla piste ja antamalla janalle pituudeksi 300 (ja kaavaksi PIT)
- Laita jana mieluusti yhteneväksi keskiristin vaaka-akselin kanssa, jotta osan origo tulee hallittuun paikkaan.
- Määritä janan pääpisteet symmetriseksi keskiristin pystyakselille.

1a, Pursotus kappaleeksi
- Valitse toiminto Pursota - Lisää.
- Paksuus: 2 ja kaava PAKS.

1b, Pursotus ohutlevykappaleeksi
- Valitse toimenpide: Ohutlevy (Tämän jälkeen avautuu valikko, jonka avulla voit kertoa ohutlevyn pursotustiedot).
- Anna ohutlevyn pursotuksen pituus ja kaava, jos haluat ao. mitan mittataulukolla varioituvaksi.
- Anna ohutlevyn paksuus ja kaava, jos haluat ao. mitan mittataulukolla varioituvaksi.
- Valitse puoli, jos haluat vaikuttaa kummalle puolelle luonnosteluviivaa aine lisätään.
- Anna levyn pursotuspituus ja kaava: 200, LEV sekä levyn paksuus ja sen kaava 2, PAKS.

1a, Muuta kappale ohutlevyksi
- Valitse tilannekohtaisesta valikosta toiminto Ominaisuudet.

- Valitse osan tyypiksi Ohutlevy.

- Hyväksy pursotuksen paksuus ohutlevykappaleen paksuudeksi (sopii tässä tapauksessa, koska pursotus on tehty ohutlevyn paksuuteen).

- Jos vastasit ed. kysymykseen Ei, niin voit osoittaa pinnan, jonka avulla paksuus analysoidaan tai sitten voit antaa kappaleelle paksuuden.
Kappale syntyy heti tyypiltään ohutlevykappaleeksi.

Tyypilliset kappaleet, joille em. aloitustavat sopivat
- Vasemmalla kappale, joka kannattaa luonnostella kappaleena, joka pursotetaan ja sen jälkeen muutetaan ohutlevyksi.
- Oikealla kappale, joka kannattaa luonnostella jo heti ohutlevyksi pursotettavaan muotoon.
Kuusikulmainen kotelo
- Mallinnus aloitetaan luonnostelemalla pohjan kuusi-kulmainen muoto sopivaan tasoon (tässä Vaaka (XY)-tasoon)

- Tämän jälkeen osan ominaisuuksista osan tyypiksi muutetaan Ohutlevy.
- Ellei tätä tehdä, niin särmien viivojen valinnan jälkeen tilannekohtaisesta valikosta ei löyty toimintoa Lisää taivutuspiirre.

- Valitse levyn yläpinnan särmät.
- Valitse sen jälkeen tilannekohtaisesta valikosta toiminto: Lisää taivutuspiirre.
- Tarkemmin näistä valinnoista harjoituksessa: Kotelo

Peltisen suojakotelon kehä
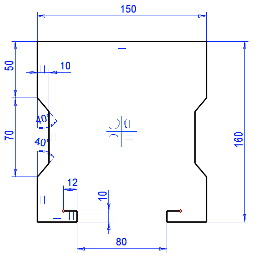
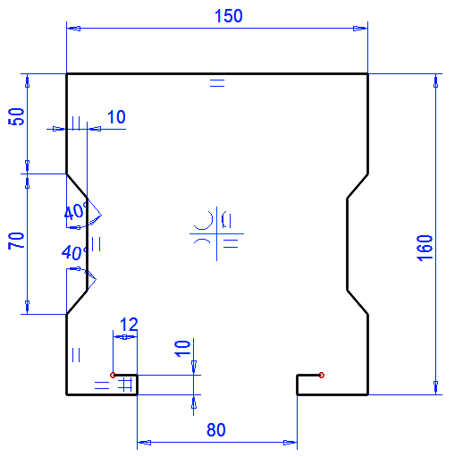
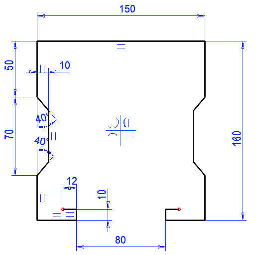
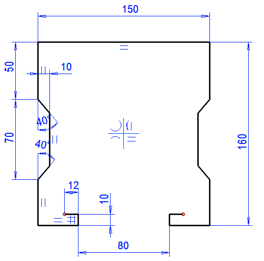
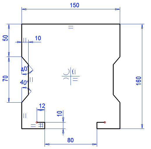
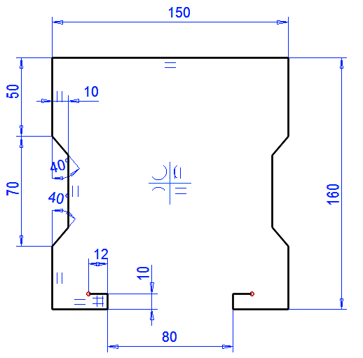
- Mallinnus aloitetaan luonnostellaan kehän muoto murtoviivalla sopivaan tasoon (tässä Vaaka (XY)-tasoon)
- Muodossa ei tarvitse huomioida levyn taivutuksessa syntyviä pyöristyksiä.

- Toimenpiteeksi valitaan Ohutlevy ja sille annetaan parametrit, kuten yllä harjoituksessa 1b on esitetty.
- Taivutussädea kannattaa määrittää heti ohutlevyksi pursotuksen yhteydessä.
- Taivutussäde voidaan toki antaa myös omana toimintonaan pursotuksen jälkeen.

