Skip to main content
Skip table of contents

13. Käytä ryhmiä ja kuvakohtaisia symboleita.

Tässä tutustutaan ryhmien manuaaliseen ja automaattiseen muodostamiseen sekä ryhmille tehtäviin siirto, kierto, kopiointi ja sarjatoimintoihin.

Muutetaan ryhmä kuvakohtaiseksi symboliksi (joka vastaa AutoCadin block-käsitettä) ja tallennetaan ryhmä symbolikirjastoon esim. automaattisesti piirustuksen mittakaavan mukaan skaalautuvaksi lomakkeeksi tai logoksi.

Tässä harjoituksessa opimme

  • Tekemään ryhmiä ja purkamaan niitä.

  • Siirtämään, peilaamaan ja kopioimaan ryhmiä.

  • Tekemään ryhmistä sarjoja.

  • Tekemään ryhmästä kuvakohtaisen symbolin ja (2D-) komponentin.

  • Tallentamaan ryhmän symbolikirjastoon.

Ryhmän luonne

  • Vertexin ryhmä on Autocad'in blockia löyhempi käsite, jota käytetään, kun halutaan tehdä kerralla useille elementeille kopiointeja, siirtoja jne.

  • Vertexin ryhmästä voidaan tehdä (2D-) komponentti tai kuvakohtainen symboli, jotka vastaavat Autocad'in blockia.

  • Jokainen elementti voi kuulua kerrallaan vain yhteen ryhmään.

    • Eli jos ryhmän jokin elementti valitaan mukaan toiseen ryhmään, niin se ei kuulu enää ensimmäiseen ryhmään.

  • Vertexissä ei ole sisäkkäisiä ryhmiä.

    • Tätä toiminnallisuutta voidaan kuitenkin hoitaa tekemällä kuvakohtaisia symboleita ja komponentteja, jotka voivat olla ryhmän sisällä.

Luo uusi piirustus

  • File > Uusi > Piirustus

    • Anna tunnus ("piirustusnumero")

    • Täytä arkistotiedot.

    • Valitse olemassa oleva projekti tai tee uusi projekti.

Lisää piirustuslomake

  • Toiminto Lue > Symboli tai tilannekohtainen toiminto Lue symboli tai

    -selain.

  • Kuvattu tarkemmin ensimmäisessä harjoituksessa.

Tee ryhmä

Piirrä ensin geometriaa, jossa voi olla viivojen lisäksi mukana kuvioita (leikkausviivoituksia), tekstejä ja mittoja.

  • Toiminto: Tee ryhmä.

  • Valitse ryhmään tuleva geometria aitaamalla. (= oletustapa osoittaa geometria).

    • Osoita vasen alakulma.

    • Osoita oikea yläkulma.

    • Voit osoittaa seuraavan alueen.

  • Luo ryhmä Valmis-kuittauksella:

    • Paina hiiren keskinäppäintä tai

    • Tilannekohtainen toiminto:

      tai

    • Paina

      -näppäintä.

  • Valitse seuraavaan ryhmään tulevat elementit jne.

Lopeta ryhmien tekeminen

  • Paina

    -painiketta tai

  • Käynnistä toinen toiminto.

Vaihtoehtoinen tapa tehdä ryhmä

  • Valitse elementtejä (esim. aitaamalla).

  • Tilannekohtainen toiminto: Tee ryhmä.

Ryhmän tunniste

Kun mikään toiminto ei ole kesken, niin kohdistin raportoi altaan löytyvät elementit ryhmäksi värjäämällä kaikki ryhmän elementit oranssilla välillä ja piirtämällä kohdistimen oikeaan alakulmaan pienen ympyrän ja pienen neliön. Katso oikean puoleisinta kuvaa.

Ryhmän luonnin aputoiminnot

Neljä ensimmäistä painiketta

määrittävät osoitustavan. Vasemmalta alkaen:

  • Osoita elementit yksitellen ja kuittaa osoitus valmiiksi, kun kaikki ryhmään tulevat elementit on valittu.

  • Vedä viiva tai viivaketju ja kuittaa viivan piirto valmiiksi. Ohjelma valitsee kaikki viivat, johon jana tai murtoviivaketju koskettaa.

  • Suorakulmiolla aitaamalla (Oletustapa). Kuittaa osoitus valmiiksi, kun olet aidannut kaikki ryhmään tulevat elementit.

  • Monikulmiolla aitaamalla. Osoita viivaketju ja kuittaa valmiiksi. Ohjelma valitsee kaikki ne viivat, jotka jäävät kokonaan viivaketjun sisään.

Voit vaihtaa osoitustavan vaikkapa kesken ryhmän luonnin.

  • Aitaa ensin suurin osa ryhmään tulevista elementeistä.

  • Valitse tilannekohtaisesta pop-up-valikosta esim. yksittäisosoitus

  • Jatka valintoja osoittamalla elementtejä yksitellen.

Valintojen peruutus-painikkeella voit kääntää lisäävän valinnan poistavaksi valinnaksi.

  • Osoita ensin isompi alue.

  • Valitse tilannekohtaisesta pop-up-valikosta Valintojen peruutus.

  • Osoita sitten alueen sisältä sellaisia alueita, joita et halua ryhmään.

Mihin elementteihin valinta kohdistuu

Valikon neljällä viimeisellä painikkeella määritellään ne elementti-tyypit, joita ryhmään valitaan. Oletuksena valinta koskee kaikkia elementtityyppejä.

  • Viivat

  • Tekstit (tämä kattaa myös mitat, osanumerot sekä koneensuunnittelun merkit).

  • Makrot, eli 2D-komponentit ja kuvakohtaiset symbolit.

  • Kuviot eli leikkausviivoitukset.

Ryhmä muodostuu myös joidenkin muiden toimintojen ohessa

Seuraavat toiminnot luovat käsitellystä geometriasta ryhmän:

  • Kopioi (Esim. aidattua geometriaa kopioidaan paikasta toiseen)

  • Leikepöytä > Kopioi / Liitä ja Leikepöytä > Leikkaa / Liitä.

  • Peilaa (Esim. aidattua geometriaa peilataan siten, että alkuperäinen geometria jää jäljelle. Peilikuvasta syntyy ryhmä.

Ryhmien ja tai yksittäisten ryhmän elementtien valinta

Oletuksena kohdistin havaitsee ryhmän ja se osoituksella valitaan.

  • Ryhmät ovat mukana valintasuodattimessa.

Jos haluat, ettei Vertex reagoi (toistaiseksi) ryhmiin lainkaan, niin työkalunauhan Valintasuodatin avaa listan eri tyyppisistä elementeistä.

  • Toiminto: Valintasuodatin.

  • Paina

    -nappula pohjaan ja pidä sitä pohjassa samalla kun

  • Valitse Ryhmät.

  • OK

    • Tämän jälkeen ohjelma ei reagoi ryhmiin, kunnes käyt ottamassa ryhmät valintasuodattimesta mukaan.

Osoita ryhmästä elementti (vaikka valintasuodattimessa on mukana haku ryhmiin):

  • Paina

    -näppäin pohjaan ja pidä sitä pohjassa samalla kun

  • Osoitat yksittäistä viivaa tai muuta ryhmän jäsentä.

Pura ryhmä tai useita ryhmiä.

  • Toiminto: Ryhmä > Pura ryhmä.

  • Osoita ryhmä (Ryhmämääritys poistuu välittömästi. Ctrl Z peruuttaa määrityksen poiston).

  • Osoita seuraava purettava ryhmä jne.

Lopeta ryhmien purkaminen

  • Valitse jokin toinen toiminto tai tilannekohtainen

    tai

  • Paina

    -,

    -näppäintä tai hiiren keskinäppäintä.

Vaihtoehtoinen tapa purkaa ryhmä

  • Valitse ryhmä.

  • Tilannekohtainen toiminto: Pura ryhmä.

Pura kerralla kaikki kuvan ryhmät

  • Toiminto: Ryhmä > Pura kaikki ryhmät.

    • Ohjelma kysyy varmistuskysymyksen: Poistetaanko ryhmätietous piirustuksesta?

  • Vastaa: Kyllä.

    • Ryhmätietous poistuu kaikilta ryhmiltä, mutta toiminto ei pura kuvakohtaisia symboleita eikä (2D-) komponentteja.

Piirustuslomake on ryhmä

Huomaa, että piirustuslomake on myös ryhmä, joten toimintoa ei kannata käyttää, jos piirustuksessa on piirustuslomake.

  • Poista ensin lomake ja pura sen jälkeen kaikki ryhmät.

  • Lisää lomake uudelleen.

Ryhmän poisto

  • Valitse ryhmä

  • Tilannekohtainen toiminto: Poista tai paina Delete-näppäintä.

Useiden ryhmien poisto

  • Toiminto: Ryhmä > Poista.

  • Osoita poistettava ryhmä tai ryhmiä.

Lopeta ryhmien poisto

  • Valitse jokin toinen toiminto tai tilannekohtainen

    tai

  • Paina

    tai

    -näppäintä tai hiiren keskinäppäintä.

Tee kuvakohtainen symboli

  • Toiminto: Ryhmä > Tee kuvakohtainen symboli

  • Osoita ryhmä

    • Koodi?-dialogi avautuu.

  • Voit halutessasi antaa jonkin koodin (Mutta Vertex G4 ei sitä käytä esim. osaluettelointiin).

Kuvakohtainen symboli

Kuvakohtainen symboli on eräänlainen "kestävä ryhmä" ja vastaa pääosin toiminnallisuudeltaan Autocadin blockia.

  • Et voi poistaa yksittäistä elementtiä kuvakohtaisesta symbolista, vaikka Alt-näppäin pohjassa näennäisesti pääset valitsemaan yksittäisen elementit symbolista.

  • Ryhmän poisto tai ryhmän purku-toiminnot eivät pysty symboleihin.

  • Ns. tekstimakrojen päivitys ei pysty päivittämään kuvakohtaisen symbolin sisältämiä tekstimakroja. Mm. tämän takia piirustuslomakkeet tallennetaan symbolikirjastoon ryhminä, eikä symboleina.

Vasemmalla ryhmä. Kohdistimen oikeassa alakulmassa näet ympyrän ja neliön.

Oikealla kuvakohtainen symboli eli makro. Kohdistimen oikeassa alakulmassa näet neliön.

Kuvakohtaisen symbolin muokkaus

  • Kaksoisnapsauttamalla pääset muokkaamaan kuvakohtainen symbolin (makron) ominaisuuksia.

    • Tasoa

    • Kulmaa

    • Vinoutta (kallistusta)

    • Skaalauksia X- ja Y-suuntiin

    • Väriä

    • Z-koordinaattia (= "korkeus paperin pinnasta").

    • Voit peilata vaaka- ja pystyakselin suhteen.

Tee 2 ½D-suunnittelua - Käytä hyväksesi peittotasoa ja symbolin Z-koordinaattia

Piirrä ensin geometria ja lisää siihen kuvio (kuviossa voi olla myös aukkoja). Vaihda kuvion ominaisuuksista sen taso (oletuksena 8) tasolle 101 (peittotaso).

  • Tee tästä geometriasta ryhmä ja ryhmästä kuvakohtainen symboli.

  • Muokkaa kuvakohtaista symbolia

    • Joko kaksoisnapsauttamalla sitä tai

    • valitse kuvakohtainen symboli ja tilannekohtainen toiminto: Ominaisuudet.

  • Anna Z-koordinaatti.

    • Mitä suurempi tuo Z-koordinaatti on, sen "lähempänä se on katsojaa", eli peittää alleen tavallisen geometrian ja pienemmän Z-koordinaatin omaavan kuvakohtaisen symbolin.

  • Poista piirustuksen piiloviivat näppäinyhdistelmällä:

    • Huomaa, että tekstit, mitat tai koneensuunnittelun merkit eivät peity.

Päävaiheet toteutukselle

  • Lisää geometriaan kuvio (leikkausviivoitus)

  • Muuta kuvion ominaisuuksista sen taso: 101 (101 on ns. peittotaso).

  • Tee geometriasta ryhmä.

  • Tee ryhmästä kuvakohtainen symboli (eli makro).

  • Muuta symbolin Z-koordinaattia.

  • Raahaa/siirrä symboleita siten, että ne ovat muun geometrian ja/tai toistensa päällä.

  • Poista piiloviivat: Ctrl H näppäimillä.

Huomaa piiloviivan poisto tulostuksessa

Tällaista kuvaa tulostettaessa on varmistettava, että tulostinasetuksissa piiloviivojen poisto on valittuna.

  • Asetus jää voimaan, vaikka välillä sammutat ja käynnistät Vertexin uudelleen.

Tulosta kuva.

  • File > Tulosta.

  • Tulostinasetukset.

  • Piiloviivojen poisto: Kyllä.

Pura kuvakohtainen symboli ryhmäksi

  • Toiminto: Ryhmä > Pura symboli

  • Osoita kuvakohtainen symboli.

  • Osoita toinen purettava kuvakohtainen symboli jne.

    • Purettu symboli menettää symbolille annetun värin, mutta säilyttää muut geometriset ominaisuudet, kuten tason, vinouden ja skaalaukset.

Lopeta symbolien purkaminen

  • Paina

    -painiketta tai

  • Käynnistä toinen toiminto.

Tee ryhmästä lineaarinen sarja

  • Toiminto: Ryhmä > Sarja

  • Osoita ryhmä. Kuva 1).

    • Ohjelma avaa Sarja-dialogin ja ehdottaa Lineaarista sarjaa.

  • Syötä sarjan jäsenten lukumäärä ja niiden väli. Kuva 2).

  • Jos haluat tarkastella miltä sarja antamillasi arvoilla näyttää, niin paina Esikatselu-painiketta.

  • OK.

Vaihtoehtoinen tapa ryhmän sarjoittamiseen

  • Valitse ryhmä.

  • Tilannekohtainen toiminto: Sarja.

    • Ohjelma avaa Sarja-dialogin ja ehdottaa Lineaarista sarjaa.

  • jne, kuten yllä

Sarjan suuntautuminen

Positiivisilla välien arvoilla sarja suuntautuu:

  • Oikealle

  • Ylös

Negatiivisilla välien arvoilla sarja suuntautuu:

  • Vasemmalle

  • Alas.


Sarjan suuntaus vinoon

Sarjan suuntaus vinon viivan suuntaiseksi tapahtuu samalla lailla kuin valitun geometrian sarjassakin.

  • Katso esimerkki harjoituksesta 8. Siirrä, kopioi, peilaa ja kierrä viivageometriaa kohdasta Tee geometriasta lineaarinen sarja osoitettuun suuntaan.


Tee ryhmästä lineaarinen sarja kahteen suuntaan

  • Toiminto: Ryhmä > Sarja (Tai osoita ryhmä ja tilannekohtainen toiminto: Sarja)

  • Osoita Ryhmä.

    •  Ohjelma avaa Sarja-dialogin ja ehdottaa Lineaarista sarjaa.

  • Syötä sarjan jäsenten lukumäärä ja niiden väli sekä vaaka, että pystysuuntaan.

  • Jos haluat tarkastella miltä sarja antamillasi arvoilla näyttää, niin paina Esikatselu-painiketta.

  • OK.

Tee ryhmästä polaarinen sarja täydelle ympyrälle

  • Toiminto: Ryhmä > Sarja (Tai osoita ryhmä ja tilannekohtainen toiminto: Sarja)

  • Osoita ryhmä. Kuva 1).

    • Ohjelma avaa Sarja-dialogin ja ehdottaa Lineaarista sarjaa.

  • Vaihda sarjan tyyppi: Rotaatio.

  • Syötä sarjan jäsenten lukumäärä, esim. 12. Kuva 2).

    • Oletuksena polaarisen sarjan keskipiste on piirustuksen absoluuttinen origo, joka ei "koskaan" kelpaa keskipisteeksi.

  • Paina Valitse-painiketta Keskipiste-rivillä. Kuva 3).

  • Osoita polaarisen sarjan keskipiste. Kuva 4).

  • Tarkastele sarjan syntymistä. Paina Esikatselu-painiketta. Kuva 5).

    • Jos olet tyytyväinen sarjaan, paina OK.

  • OK.

Tee ryhmästä polaarinen sarja vajaalle ympyrälle

  • Toiminto: Ryhmä > Sarja (Tai osoita ryhmä ja tilannekohtainen toiminto: Sarja)

  • Osoita ryhmä. Kuva 1).

    • Ohjelma avaa Sarja-dialogin ja ehdottaa Lineaarista sarjaa.

  • Vaihda sarjan tyyppi: Rotaatio.

  • Syötä sarjan jäsenten lukumäärä ja kulmaväli, esim. 7 ja 30. Kuva 2).

    •  Oletuksena polaarisen sarjan keskipiste on piirustuksen absoluuttinen origo, joka ei "koskaan" kelpaa keskipisteeksi.

  • Paina Valitse-painiketta Keskipiste-rivillä. Kuva 3).

  • Osoita polaarisen sarjan keskipiste. Kuva 4).

  • Tarkastele sarjan syntymistä. Paina Esikatselu-painiketta. Kuva 5).

    • Jos olet tyytyväinen sarjaan, paina OK.

  • OK.

Peilaa ryhmä kopioimalla ryhmä peilikuvakseen.

  • Toiminto: Ryhmä > Peilaa (Tai osoita ryhmä ja tilannekohtainen toiminto: Peilaa)

  • Osoita ryhmä. Kuva 1).

    • Ohjelma pyytää osoittamaan symmetria-akselia.

  • Osoita symmetria-akseli. Kuva 2).

    • Peilikuva syntyy välittömästi. Ohjelma ei kysele alkuperäisen kohtaloa.

Peilaa ryhmä (Tapa 2)

  • Osoita ryhmä. Kuva 1).

  • Tilannekohtainen toiminto: Peilaa. Kuva 2).

  • Osoita kaksi pistettä, jotka määräävät peilauslinjan. Kuvat 3) ja 4).

    • Ohjelma kysyy: Säilytetäänkö alkuperäinen geometria?

  • Vastaa Kyllä, jos haluat kopioida ryhmän peilaamalla.

  • Vastaa Ei, jos haluat peilata ryhmän.

Kopioi ryhmä

  • Toiminto: Ryhmä > Kopioi 

  • Osoita ryhmä

  • Osoita viitepiste (kohdistimen paikka suhteessa geometriaan. Huomaa, että piste voi olla myös ryhmän ulkopuolella).

  • Avaa tarvittaessa tilannekohtainen pop-up-valikko, jossa on useita lisätoimintoja ryhmän kopion käsittelyä varten.

  • Osoita kopion paikka.

Pailaukset, skaalaus ja vinous ja kulman anto

Katso näiden aputoimintojen merkitys ja käyttö harjoituksesta 8. Siirrä, kopioi, peilaa ja kierrä viivageometriaa.

Tilannekohtainen toiminto Kopio

Jos valitset ensin ryhmän ja sitten tilannekohtaisen toiminnon Kopioi, niin ohjelma ei tarjoa samoja pop-up-valikon aputoimintoja.

  • Ohjelma tarjoilee tällöin samoja aputoimintoja, kuin yleisessä geometrian kopioinnissa.

Kopio ryhmiä kahden pisteen välille niin monta kuin niitä rinnakkain mahtuu

  • Toiminto: Ryhmä > Kopioi 

  • Osoita ryhmä

  • Osoita viitepiste. Kuva 1).

  • Tilannekohtainen pop-up-toiminto: Kopiointi kahden pisteen välille. Kuva 2).

  • Osoita ensimmäisen kopion (viitepisteen) paikka. Kuva 3).

  • Osoita piste jonne saakka kopioita lisätään. Kuva 4).

    • Ohjelma lisää ryhmän kopiota rinnakkain, niin monta kuin niitä mahtuu.

Ohjelma "ikään kuin piirtää ryhmän ympärille rajaviivat" ja kopioi ryhmän sitten vieri viereen. Viimeistä osoitettua pistettä ei ylitetä.

Kopio ryhmiä kahden pisteen välille tasajaolla

  • Toiminto: Ryhmä > Kopioi 

  • Osoita ryhmä

  • Osoita viitepiste. Kuva 1).

  • Tilannekohtainen pop-up-toiminto: Kopiointi, annettu lukumäärä. Kuva 2).

  • Osoita ensimmäisen kopion (viitepisteen) paikka. Kuva 3).

  • Osoita piste jonne saakka kopioita lisätään. Kuva 4).

    • Ohjelma kysyy kopioiden lukumäärää.

  • Syötä kopioiden lukumäärä. Kuva 5).

    • Ohjelma lisää näiden rajapisteiden välille annetun määrän verran ryhmiä.

Ryhmät voivat myös mennä päällekkäin, jos ne eivät mahdu annetulle välille.

Kopio ryhmiä antamalla lukumäärä ja ryhmien vapaa väli

  • Toiminto: Ryhmä > Kopioi 

  • Osoita ryhmä

  • Osoita viitepiste. Kuva 1).

  • Tilannekohtainen pop-up-toiminto: Kopiointi, annettu lukumäärä + väli vaakasuuntaan. Kuva 2).

    • Ohjelma kysyy kopioiden ja vapaan välin lukumäärää. Kuva 3).

  • Osoita piste jonne saakka kopioita lisätään. Kuva 4).

    • Ohjelma lisää annetun määrän ryhmän kopioita siten, että "ryhmien ympäri piirrettyjen laatikoiden" välille jää syötetty väli.

Vastaava aputoiminta löytyy myös pystysuuntaiseen kopiointiin.

Ryhmien sijoitus matriisiin lohkojen keskelle

  • Toiminto: Ryhmä > Kopioi 

  • Osoita ryhmä

  • Osoita viitepiste. Kuva 1).

    • Viitepiste kannattaa tässä tapauksessa osoittaa ryhmän keskeltä. Muutoin ryhmän sijoitus saa "vaihesiirron".

  • Tilannekohtainen pop-up-toiminto: Sijoitus matriisiin lohkojen keskelle. Kuva 2).

  • Osoita kaksi pistettä, joiden välille ryhmät sijoitetaan. Kuvat 3) ja 4).

    • Ohjelma kysyy ryhmien lukumäärää vaaka- ja pystysuuntaan.

  • Anna lukumäärät pilkulla erotettuna. Kuva 5).

    • Ohjelma lisää pyydetyn määrän kopioita

Käyttökohde?

Harjoituksen tekijä ei tunne toiminnon alkuperäistä tarvetta, eikä osaa kertoa toiminnon käyttökohdetta, eikä ryhmien sijoituksen tarkempia perusteita.

Ryhmien sijoitus matriisiin jakoviivojen leikkauspisteeseen.

  • Toiminto: Ryhmä > Kopioi 

  • Osoita ryhmä

  • Osoita viitepiste. Kuva 1).

  • Tilannekohtainen pop-up-toiminto: Sijoitus matriisiin jakoviivojen leikkauspisteisiin. Kuva 2).

  • Osoita kaksi pistettä, joiden välille ryhmät sijoitetaan. Kuvat 3) ja 4).

    • Ohjelma kysyy ryhmien lukumäärää vaaka- ja pystysuuntaan.

  • Anna lukumäärät pilkulla erotettuna. Kuva 5).

    •  Ohjelma lisää pyydetyn määrän kopioita

Käyttökohde?

Harjoituksen tekijä ei tunne toiminnon alkuperäistä tarvetta, eikä osaa kertoa toiminnon käyttökohdetta, eikä ryhmien sijoituksen tarkempia perusteita.

Kopioi jonoon

  • Toiminto: Ryhmä > Kopioi jonoon.

  • Osoita ryhmä. Kuva 1).

    • Ohjelma kysyy kopioiden lukumäärää.

  • Syötä kopioiden lukumäärä. Kuva 2).

  • Osoita viitepiste. Kuva 3).

  • Osoita ensimmäisen kopioin paikka. Kuva 4).

    • Ohjelma lisää osoitettujen pisteiden suunnassa ryhmän kopioita pyydetyn lukumäärän

    • HUOMAA: Kyseessä on kopioiden lukumäärä, eikä ryhmien kokonaismäärä, kuten aiemmin esitetyissä sarja-toiminnoissa.

Kopioi jonoon "erikoisuuksia": Kulman antamainen

  • Toiminto: Ryhmä > Kopioi jonoon.

  • Osoita ryhmä. 1).

  • Syötä kopioiden lukumäärä. (Alakuvassa annettu 3 kpl) 2).

  • Osoita viitepiste.  3).

  • Tilannekohtainen pop-up-toiminto: Ryhmän kulman valinta. Kuva 4).

  • Paina F5-näppäintä, jotta kulma voidaan syöttää osoittamisen sijaan. Kuva 5).

  • Syötä kulma (jonka verran ryhmää käännetään. Kuva 6).

  • Osoita ensimmäisen kopioin paikka. Kuva 7).

    • Ohjelma lisää osoitettujen pisteiden välein ryhmiä ja kääntää jokaista ryhmää syötetyn kulman verran.

Kopioi jonoon "erikoisuuksia": Skaalan antamainen

  • Toiminto: Ryhmä > Kopioi jonoon.

  • Osoita ryhmä. 1).

  • Syötä kopioiden lukumäärä. (Alakuvassa annettu 2 kpl) 2).

  • Osoita viitepiste.  3).

  • Tilannekohtainen pop-up-toiminto: Kokokertoimen asetus. Kuva 4).

  • Syötä kokokerroin. Kuva 5).

    • Kokokerroin voi olla yksi luku tai pilkulla erotettuna erikseen X- ja Y-suuntainen kerroin (ympyrät eivät skaalaudu ellipseiksi).

  • Osoita ensimmäisen kopioin paikka. Kuva 6).

    •  Ohjelma lisää osoitettujen pisteiden välein ryhmiä ja kasvattaa jokaisen kopion kokoa annetun kertoimen verran edellisestä kopiosta.

Kopioi rotaatiolla, osoita kulmaväli

  • Toiminto: Ryhmä > Kopioi rotaatiolla.

  • Osoita ryhmä. Kuva 1).

  • Osoita keskipiste (jonka ympäri kopiot sijoitetaan). Kuva 2).

  • Syötä kopioiden lukumäärä. Kuva 3).

    • Huomaa, että kyseessä on kopioiden lukumäärä, eikä sarjan jäsenten lukumäärä.

  • Osoita viitepiste.  4).

  • Osoita toinen piste, joka määrittää kulmavälin. Kuva 5).

Kopioi rotaatiolla, syötä kulma

  • Toiminto: Ryhmä > Kopioi rotaatiolla.

  • Osoita ryhmä. Kuva 1).

  • Osoita keskipiste (jonka ympäri kopiot sijoitetaan). Kuva 2).

  • Syötä kopioiden lukumäärä. Kuva 3).

    • Huomaa, että kyseessä on kopioiden lukumäärä, eikä sarjan jäsenten lukumäärä.

  • Tilannekohtainen pop-up-toiminto: "Taikasauva" eli Toiminnosta riippuva lisämääritys. Kuva 4).

  • Syötä kulmaväli. Kuva 5).

Käytä sarjaa

Tämän toiminnon sijaan suosittelemme, että käytät sarjaa, jos tunnet kulmavälin.

  • Katso ohjeet aikaisemmin esitetyistä kohdista Tee ryhmästä polaarinen sarja ...

Varmistuskysymys

Jos kopioiden lukumäärä suhteessa syötettyyn tai osoitettuun kulmaväliin on niin suuri, että ryhmät uhkaavat mennä päällekkäin, niin ohjelma esittää varmistuskysymyksen.

  • Tässä vaiheessa voit vielä korjata arvoja.

Tallenna ryhmä piirustukseksi

  • Toiminto: Ryhmä > Ryhmä piirustukseksi.

  • Osoita ryhmä.

    • Ohjelma avaa Windows'in Save As (Tallenna-) valikon.

  • Syötä tiedostonimi ja valitse kansio, jonne piirustus tallennetaan.

    • Esim.: C:\temp

    • Huomaa, että piirustusta ei tallenneta Vertex G4:n piirustusarkistoon.

Jos haluat piirustuksen piirustusarkistoon, niin:

  • Raahaa piirustus-tiedosto Vertex G4:n työpöydälle.

  • Toiminto: File > Tallenna uudeksi.

  • Hyväksy tiedostonimi piirustuksen tunnukseksi tai syötä piirustukselle uusi tunnus.

  • Valitse tarvittaessa projekti, jonka alle piirustus tallennetaan.

Lue piirustus ryhmäksi

  • Toiminto: Ryhmä > Lue piirustus ryhmäksi.

    • Ohjelma avaa Windows'in Open (Avaa-) valikon.

    • Toisin sanoen ohjelma ei käytä hyväkseen Vertexin piirustusarkistoa.

  • Selaa ja valitse piirustus.

  • Osoita ryhmän paikka.

Tarkennus

Jos lisäsit tällä toiminnolla itsenäisen piirustuksen, niin koko piirustus on yhtenä ryhmänä.

Jos lisäsit tällä toiminnolla mallin piirustuksen, niin piirustuslomake ja kaikki projektiot ovat itsenäisiä ryhmiä.

Muokkaa elementtien ominaisuuksia

  • Toiminto: Ryhmä > Muokkaa elementtien ominaisuuksia.

  • Aitaa muokattava alue.

    • Voit aidata elementtejä useampaan kertaan.

  •  Kuittaa valitseminen valmiiksi:

    ,

    tai hiiren keskinäppäimellä.

    • Ohjelma avaa dialogin, jossa on eroteltuna kaikki erilaiset elementit

  • Valitse välilehti, jossa esitellään ne elementit, joita haluat muokata. Kuva 1) alhaalla oikealla.

    • Viivat

    • Tekstit

    • Kuviot

    • Symbolit

    • Ko. välilehdellä on rivi jokaiselle erilaiselle elementit.

  • Valitse rivi, jonka tyyppisten elementtien ominaisuuksia haluat muokata. Kuva 2).

  • Paina Muokkaa-painiketta. Kuva 3).

  • Valitse dialokin oikeasta alalaidasta uudet ominaisuudet. Kuva 4) tai

    • valitse Kopioi elementiltä-painiketta ja osoita elementti, jonka ominaisuudet kopioidaan dialogiin.

  • Valitse Aseta-painike.

  • Viimeistele OK-painikkeella

  • Jos käytit valintaa Jätä valituksi, niin muokkauksen jälkeen, muokatut elementit näytetään vihreällä huomiovärillä, kunnes piirustus päivitetään.

Symbolien kirjastointi ja 2D-komponentit

Tallenna ryhmä symbolikirjastoon

  • Osoita ryhmä. Kuva 1).

  • Tilannekohtainen toiminto: Tallenna symboliksi.

    • Dialogi Save As avautuu.

  • Valitse jokin kansio. Kuva 2a) tai luo uusi kansio 2b) ja syötä uudelle kansiolla nimi.

  • Syötä symbolille nimi. Kuva 3).

  • Save. Kuva 4).

    • Ohjelma avaa dialogin Symbolin parametrit.

  • Valitse oletus (eli tavallinen symboli). Kuva 5).

  • Osoita (vähintään) yksi sijoituspiste. Kuva 6).

    • Nykyisin Vertex G4:ssä useammalla sijoituspisteellä ei ole enää merkitystä.

    • Kun symbolia myöhemmin haetaan piirustukseen, niin se on kiinni sijoituspisteestään.

  • Kuittaa sijoituspisteiden osoitus valmiiksi.

    • -näppäin, hiiren keskinäppäin tai tilannekohtainen toiminto

    • Jos käytössä on PI-kaavionpiirto-optio, niin kuvan 7) mukainen dialoki ilmestyy.

      • Älä valitse mitään. Poistu OK-painikkeella.

Päivitä selain

Muista selaimessa toiminto Päivitä, kun lähdet hakemaan äsken tallennettua symbolia.

  • Nopeussyistä selainta ei päivitetä jokaisen kirjastoinnin yhteydessä.

  • Ohjelman käynnistyksen yhteydessä selaimet päivittyvät automaattisesti.

Tallenna koko piirustus (esim. piirustuslomake) sympolikirjastoon

Toiminnallisuus on muutoin samanlainen kuin edellä, mutta ryhmää ei osoiteta. Kaikki piirustuksessa sillä hetkellä oleva geometria tallennetaan symbolikirjastoon.

  • Toimintoa käytetään mm. piirustuslomakkeiden tallennukseen.

Omat lomakkeet

  • Yksinkertaisimmillaan omat lomakkeet saadaan aikaan lukemalla Vertexin tekemä esimerkkilomake, ja korvaamalla sen otsikkotaulussa olevat yrityksen yhteystiedot (ja logo) oman yrityksen yhteystiedoilla.

  • Jos on tarve lisätä piirustuksen otsikkotauluun uusia kenttiä tai jos on tarvetta muuttaa osaluettelotietoja, niin nämä työt on syytä teetättää Vertex Systems Oy:llä. Tästä asiasta löytyy myös erikseen olevia ohjeita, mutta laajimmillaan osaamista tarvitaan Vertexin tietokantojen muokkauksessa, vertexin näyttötiedostojen (formien) muokkaamisessa ja tarvittavien sovelluskehitinohjelmien tekemisessä.

    • Järjestämme tarvittaessa aiheeseen liittyviä asiakaskohtaisia koulutuksia, mutta tarvittavien taitojen omaksumiseen kuluu päiviä, joten edullisempaa on tilata työn.

Harjoitus: Tallenna oma piirustuslomake

  • Avaa yleisselain B-näppäimellä.

  • Avaa tiedosto Kirjastot > Symbolit (> Vakiot) > Lomakkeet > A4.

    • Tai Kirjastot > Symbolit (> Vakiot) > Flow-lomakkeet > A4 (Jos käytössänne on Vertex Flow).

    • Napsauta tiedostoa kerran, tilannekohtainen toiminto: Avaa.

  • Tallenna piirustus: File > Tallenna uudeksi.

    • Anna sille arkistonimi.

  • Poista lomakkeelta Vertex Systems-logo.

  • Lisää oman yrityksesi yhteystiedot tähän kenttään (Versiosta 28.0 alkaen Omistaja-kenttään)

  • Tilannekohtainen toiminto: Tallenna symboliksi.

    • Dialogi Save As avautuu.

  • Luo omille lomakkeille uusi kansio, tai valitse se, jos se on jo olemassa.

  • Syötä lomakkeelle nimi, esim. A4_YrityksenNimi

    • Ohjelma avaa dialogin Symbolin parametrit.

  • Valitse Autom. päivittyvä lomake.

  • OK.

  • Osoita sijoituspiste, esim. keskeltä lomaketta.

  • Kuittaa sijoituspisteiden osoitus valmiiksi.

    • -näppäin, hiiren keskinäppäin tai tilannekohtainen toiminto

Symbolityypit

Näillä tyypeillä on merkitystä, kun symboli luetaan piirustukseen.

Tavallinen symboli: Viivageometria säilyttää mittansa, olipa piirustuksen mittakaava mitä tahansa. Tekstit, jos niiden korkeus on positiivinen, säilyttävät suhteellisen korkeutensa (eli skaalautuvat mittakaavan mukaan) ja jos tekstien korkeus on negatiivinen, niin ne toimivat kuten viivat.

Lomake: Geometria skaalautuu piirustuksen mittakaavan mukaan ja kuvarajat asetetaan lomakkeen ympärille.

Logo: Geometria skaalautuu piirustuksen mittakaavan mukaan.

Autom. päivittyvä lomake: Geometria skaalautuu piirustuksen mittakaavan mukaan ja kuvarajat asetetaan lomakkeen ympärille sekä piirustuksen otsikkotaulu ja osaluettelo päivitetään.

Opettele ehtojen eli geometristen rajoitteiden käyttö

Ehtojen käytön osaamista ei tällä piirustuskurssilla opetella. Ehtojen, eli geometristen rajoitteiden käyttö 2D-piirustuksissa on pääsääntöisesti samanlaista kuin osamallin luonnoksissa.

  • Opettele ehtojen käsittelyä itseopiskelumateriaalin Luonnostelukurssi - osamallinnusta aineiston avulla.

Ota ehdot käyttöön:

  • File > Käyttäjäasetukset > Piirustukset, mallit > Käyttö-välilehti > 2D-rajoitustenratkaisija.

2D-rajoitustenratkaisijan käytöstä

Emme suosittele 2D-automaattiehtojen käyttöä itsenäisissä 2D-piirustuksissa normaalissa suunnittelussa, sillä se lisää ehtoja viivojen välille. Tästä voi seurata:

  • Kun piirustus ratkaistaan F5:lla, voi jokin siirretty viiva hypätä takaisin ehtojen määräämälle paikalleen.

  • Jos piirustuksessa on paljon ehtoja, voi piirustuksen päivitys viedä paljon aikaa.

2D-rajoitustenratkaisijasta

  • Jos 2D-automaattiehdot on jätetty pois, niin normaali piirtäminen ei lisää (huomaamatta) ehtoja. Tällöin itse päätät mitä ehtoja piirustukseesi lisäät.

  • Kun teet (alla olevan harjoituksen mukaista) mittavarioituvaa 2D-komponenttia, niin ota käyttöön myös tuo 2D-automaattiehdot, ennen kuin piirrät geometrian.

Vasemmalla rajoitustenratkaisija ei ole käytössä. Oikealla rajoitustenratkaisija on käytössä.

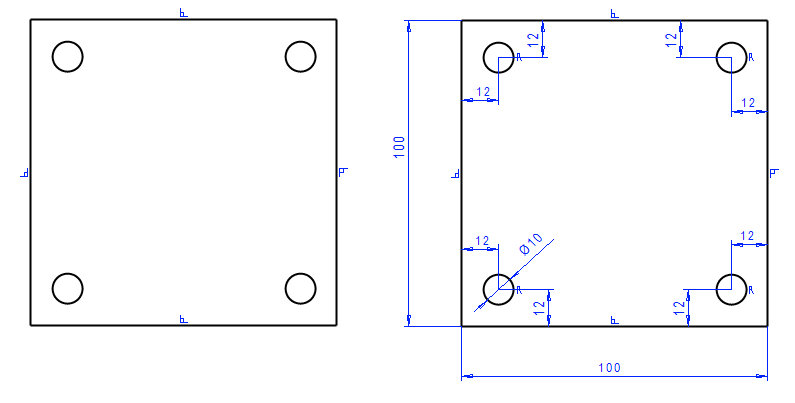
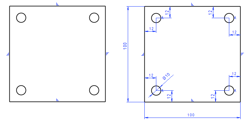
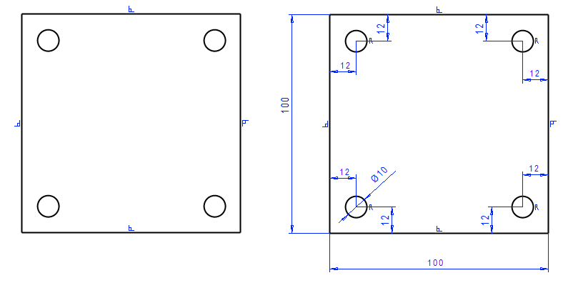
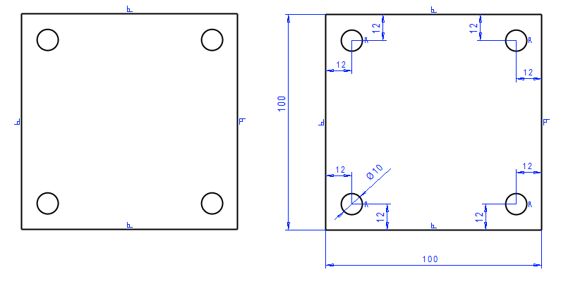
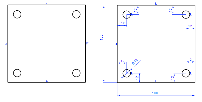
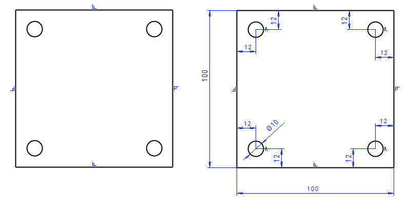
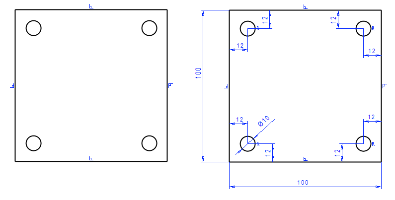
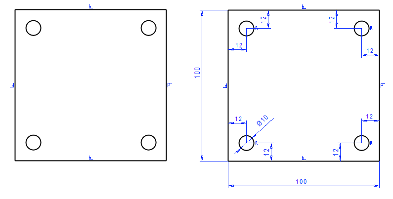
Piirrä geometria (Kiinnityslappu)

  • Ota mukaan 2D-rajoitustenratkaisija sekä 2D-automaattiehdot.

  • Piirrä suorakulmio 100*100

  • Piirrä neljä ympyrää (Kuvassa ne on piirretty heti oikealle paikalleen, käyttäen suhteellista osoitusta ja koordinaattisyöttöä). Mutta voit piirtää ne myös suurin piirtein.

  • Lisää etäisyysehdot (kuvassa 100 ja 12)

  • Lisää yhdelle ympyrälle halkaisija-ehto (kuvassa 10)

  • Lisää Tämän ympyrän ja muiden ympyröiden välille Sama säde-ehdot.

  • Valitse mitta 100 (kumpikin erikseen).

  • Tilannekohtainen toiminto: Ominaisuudet (tai kaksoisnapsautus).

  • Lisää kaavakenttään muuttujan nimi, esim. PIT.

  • Valitse mitta 12 (jokainen erikseen).

  • Tilannekohtainen toiminto: Ominaisuudet (tai kaksoisnapsautus).

  • Lisää kaavakenttään muuttujan nimi, esim. ET.

  • Valitse halkaisijamitta 10.

  • Tilannekohtainen toiminto: Ominaisuudet (tai kaksoisnapsautus).

  • Lisää kaavakenttään muuttujan nimi, esim. HALK.

Siirrä mitat piilotasolle 110

  • Jotta ehtoina toimivat mitat eivät näkyisi geometriassa, kun tuot 2D-komponentin kuvaan, niin siirrä nuo mitat oletustasolta 6 tasolle 110 Piilomitat ja -tekstit.

    • Valitse kaikki mitat. (Joko yksitellen tai käytä valintasuodatinta ja aitaamista).

    • Tilannekohtainen toiminto: Ominaisuudet

    • Vaihda tasoksi 110.

  • Mitat häipyvät näkyvistä.

  • Saat ne näkyviin Näkymä-välilehden toiminnolla: Tasot > Piilotasot näkyviin/pois.

Tee geometriasta komponentti

  • Tee geometriasta ryhmä.

  • Valitse ryhmä.

  • Tilannekohtainen toiminto: Tee komponentti.

Muokkaa komponentin (kiinnityslappu) mittataulukkoa

  • Valitse komponentti.

  • Tilannekohtainen toiminto: Muokkaa komponenttia.

  • Syötä kiinnityslapun tunnus, jossa voi olla kokoa kuvaavia tietoja. Kuva 1).

  • Paina Lisää-painiketta. Kuva 2).

  • Muuta arvoja ET, HALK ja PIT

  • Syötä toinen tunnus.

  • Paina Lisää-painiketta.

  • Voit lisätä useampia mittataulukon rivejä samalla tyylillä.

  • OK.

    • Nyt tuon geometrian pitäisi varioitua viimeisiin syöttämiisi mittoihin.

Komponentin kokojen rajoittaminen

Jos haluat, että 2D-komponentti on varioitavissa ainoastaan niillä mitoilla, joita syötit, niin tee vasemman yläkulman valinta: Valitut vain listalta.

Tallenna komponentti

  • Valitse komponentti.

  • Tilannekohtainen toiminto: Tallenna symboliksi.

  • Valitse olemassa oleva kansio tai tee komponentteja varten oma kansio.

  • Syötä komponentille nimi, esim. KLEVY.

  • Valitse symbolin parametriksi: Tavallinen symboli.

  • Osoita kiinnityspiste.

  • Kuittaa kiinnityspisteiden osoitus valmiiksi.

    • -näppäin, hiiren keskinäppäin tai tilannekohtainen toiminto

Testaa komponenttia

  • Tilannekohtainen toiminto: Lue komponentti.

  • Päivitä selain.

  • Valitse komponentti, esim. kaksoisnapsauttamalla.

    • Ohjelma avaa dialogin: Mittataulukko.

    • Luettelossa on komponentin mitat.

A) Valitse koko listalta

  • Ota esivalintalista esiin. Kuva 1).

  • Valitse haluttu koko. Kuva 2).

  • Siirry lisäämään komponenttia OK-painikkeella. Kuva 3).

B) tai syötä halutut mitat. (Tämä onnistuu, jos komponenttia ei ole tallennettu valinnalla Valitut vain listalta.

  • Syötä tarvittavat mitat.

  • Siirry lisäämään komponenttia OK-painikkeella.

Tallenna piirustus

  • File > Tallenna

JavaScript errors detected

Please note, these errors can depend on your browser setup.

If this problem persists, please contact our support.