Piirustuskurssi

Yleistä
Tämän sivuston avulla opit piirtämään Vertex-ohjelmilla itsenäisiä 2D-piirustuksia.
Kurssin harjoitukset on jaettu toiminnallisiin ryhmiin.
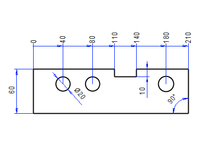
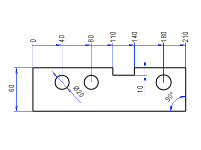
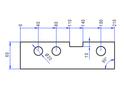
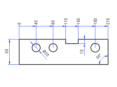
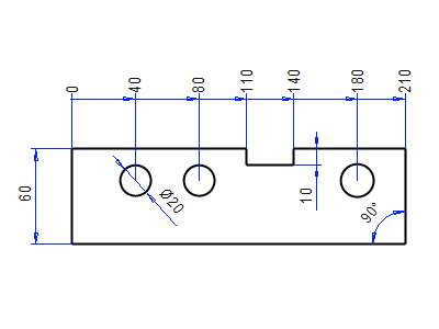
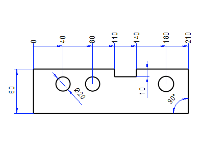
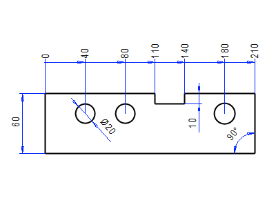
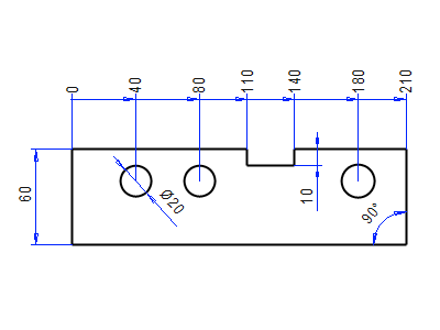
Kussakin harjoituksessa on paljon pieniä harjoituksia, joilla yksittäiset toiminnot harjoitellaan. Toisin sanoen on mahdollista opetella paljon pieniä "piirtotemppuja", joiden soveltaminen omiin tarpeisiin jää käyttäjän omalle vastuulle.
Tätä sivustoa voit käyttää jossain määrin myös ohjelman opasteena, vaikka varsinainen opas aukeaakin Vertex-työpöydän oikean yläkulman
-painikkeella.
Taustatiedot
Tietokoneen käytön perusteet ja näppäimistön nappulat on syytä tuntea.
Arkistojen käyttöön ja käyttöliittymään on syytä tutustua sivustolla Käyttöliittymä ja arkistointi olevien harjoitusten 1..4 avulla.

















