Skip to main content
Skip table of contents

12. Kastelukannu


Tässä harjoituksessa opimme

  • Luomaan uuden luonnostason kolmen geometriasta osoitetun pisteen avulla.

  • Tekemään kappaleen poikkileikkausten avulla (pinnoittamalla).

  • Ohjaamaan pinnoitustoimintoa tangeeraavien ohjauskäyrien avulla.

  • Analysoimaan pintojen juohevuutta visuaalisesti

Video

Kesto 3min 14sek


Uuden osamallin aloitus ja ensimmäinen piirre

  • File > Uusi > Osa. (Anna nimi ja arkistotiedot ja tee uusi projekti tai valitse vanha projekti).

  • Uusi luonnos > Pysty (XZ)-tasoon.

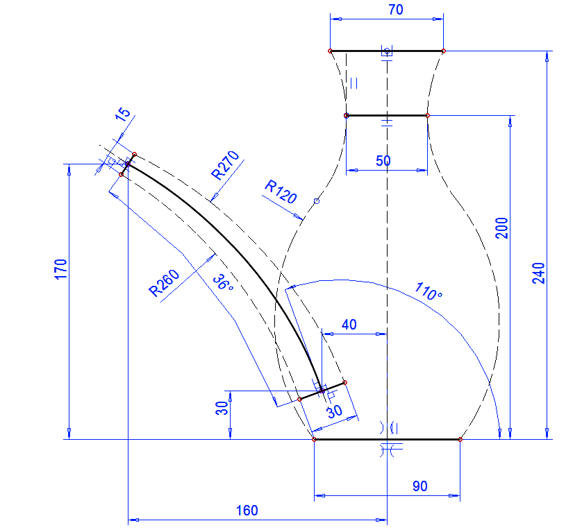
Luonnostele muoto

  • Lisää ensin vaakaviivat (muotoviiva) ja laita ne symmetriseksi keskiristille.

  • Lisää sitten kahden ylimmän vaakaviivan väliin pystyviiva (apuviiva) alemman vaakaviivan päästä.

  • Lisää kaksi toiselleen tangentiaalista kaarta rungon muodon mukaan.

  • Laita ylempi kaari yhteneväksi keskimmäisen vaakaviivan pään kanssa.

  • Laita ylempi kaaritangentiaaliseksi pystysuoran apuviivan kanssa.

  • Tässä vaiheessa voisit antaa jo päämitat, korkeus: 240 ja pohjan leveys 90.

  • Jos muoto poikkeaa paljon oheisesta kuvasta, raahaa viivoja lähelle viereisen kuvan muotoja.

  • Peilaa kaaret.

  • Lisää nokan keskilinjan kaari (muotoviiva).

  • Piirrä molempiin päihin jana, jonka laitat yhteneväksi kaaren päätepisteisiin.

  • Piirrä nokan päiden janan keskipisteestä lähtien lyhyt apuviiva, jonka laitat kohtisuoraksi muotoviivan kanssa.

  • Laita apuviivan päätepisteet yhteneväksi kaarevan muotoviivan kanssa.

  • Laita apuviiva tangentiaaliseksi kaarevan muotoviivan kanssa.

  • Piirrä ohjausviivoina nokan reunaviivat.


  • Lisää tarvittavat mitat

  • Piirrä vielä kannun symmetria-akseli, mutta piirrä se kahtena erillisenä janana, jotta saat geometriaan pisteen toiseksi ylemmän muotoviivan risteyskohtaan

Toimenpide: Ohjauskäyrä.

Käännä malli isometriseen projektioon


Luonnostele ohjausviivat, joilla hallitaan kannun leveyttä

  • Tilannekohtainen valikko: Uusi luonnos > 3D-luonnos.

  • Piirrä viisi Y-akselin suuntaan lukittua janaa.

    • Lukitus joko kohdistimen Y-suuntauksella tai I-näppäimellä.

  • Lisää mitat.

    • Mitat saat myös viivojen piirron yhteydessä, jos ensimmäisen pisteen jälkeen lukitset suunnan ja sen jälkeen syötät etäisyyden näppäimistöltä.


Poistu 3D-luonnoksesta OK:lla.




Vaihtoehto tälle 3D-luonnokselle

Tämän harjoituksen lopussa on esitelty malli, jossa on luonnos poikittais(YZ)-tasossa.

  • Tässä luonnoksessa nuo kolme pisintä viivaa on korvattu symmetrisillä viivoilla ja mukana on lisäksi ohjausviivat kastelukannun sivusuuntaista muotoa varten.

  • 3D-luonnos tarvitaan kuitenkin nokan poikkileikkausten paikoitukseen.

Mallinnetaan pohjan muoto, ellipsi.

Luonnostelutason määritys:

  • Valitse ensin kolme pistettä, joiden avulla määritellään luonnostaso. Valitse viimeisenä piste, josta tulee luonnoksen origo.

    • Kuvassa pisteet 1) , 2) ja 3).

  • Tilannekohtainen toiminto: Uusi luonnos.

Luonnoksen piirtäminen:

  • Piirrä ellipsi.

    • Osoita ellipsin pääakselin pisteen, kuvassa a) ja b) sekä sen jälkeen ellipsin leveyden määrittävä piste, kuvassa c).

  • Jos ensimmäistä luonnosta ei enää olisi tarve muokata, niin tämä riittäisi. Lisätään kuitenkin kolme yhtenevyysehtoa, jotka sitovat ellipsin aikaisempaan ohjausgeometriaan.

    • Ellipsin keskipiste ja ohjausviivan päätepiste.

    • Ellipsin viiva ja ohjauskäyrän päätepiste.

    • Ellipsin viiva ja ohjauskäyrän toinen päätepiste.

Toimenpide: Poikkileikkaus.

Mallinnetaan seuraavat neljä poikkileikkausta.

  • Luonnostaso samalla tyylillä kuin edellä.

  • Ellipsi samalla tyylillä kuin edellä.

Tallenna malli

  • File > Tallenna tai

    tai käytä näppäinpikatoimintoa: Ctrl S.

  • Ennen pinnoituskokeiluita on syytä tallentaa malli, jotta aina voidaan palata tilanteeseen jossa poikkileikkauksen ovat valmiita.

  • Muutoinkin tekijä suosittaa välitallennuksia usein, sillä ne ovat hyvä vakuutus mahdollisia harjoitusaikaisia mallinnusmokia vastaan.



Poikkileikkausten suhde ohjauskäyriin

Poikkileikkauksien reunakäyrän täytyy osua täsmälleen niihin ohjauskäyriin, joita käytetään ohjaamaan pinnoitusta.

  • Esim. poikkileikkauksen läpi kulkevaa (poikkileikkauksen puhkaisevaa) ohjauskäyrää ei voi käyttää ohjaamaan pinnoitusta.

Mallinnetaan runko poikkileikkausten avulla

  • Valitse kolme vaakatasossa olevaa (kannun runkoa kuvaavaa) poikkileikkausta.

  • Tilannekohtainen toiminto: Pinnoita.

    • Hyväksy kokeeksi oletusarvot, eli Tangeeraus: Ei tangeerausta.

  • OK.

Näet että muoto ei ole sinnepäinkään kuin rungosta on ajateltu.

Muokataan pinnoitusta ottamalla mukaan ohjauskäyrät

  • Valitse piirrepuusta Pinnoitus ja tilannekohtainen toiminto: Muokkaa piirrettä.

  • Vaihda tangeeraus: Virt. ohjauskäyriin.

  • Osoita sen jälkeen ohjauskäyrät (kuvassa neljä keltaista kaariviivaa).

  • OK.




Vaihtoehtoinen tapa ottaa pinnoitus muokattavaksi

Valitse pinnoituksessa syntynyt pinta (tässä tapauksessa kaikki pinnat kelpaavat).

  • Tilannekohtainen toiminto: Muokkaa toimenpidettä.

Mallinna nokka pinnoittamalla.

  • Valitse nokan päätypinnat.

  • Tilannekohtainen toiminto: Pinnoita.

  • Vaihda tangeeraus: Virt. ohjauskäyriin.

  • Osoita kaksi nokan ohjauskäyrää.

  • OK.

Lisää pyöristys nokan ja rungon väliin sekä pohjaan.

  • Valitse viivat. (kuvassa keltaisella).

  • Tilannekohtainen toiminto: Pyöristä/viistä > Pyöristä.

    • Anna säde: 5.



Rajoitus

Jostain syystä ohjelma ei salli suurempaa pyöristyssädettä tälle osalle, kuin 5,5mm.

  • Katso harjoituksen lopussa toisilla mitoilla mallinnettua kastelukannua, jossa pyöristys onnistuu 10mm saakka.

Tee kappaleesta ontto kovertamalla

  • Valitse päällyspinta ja nokan kärjen pinta.

  • Tilannekohtainen toiminto: Koverra.

    • Seinämävahvuus: 2.



Rajoitus

Jostain syystä ohjelma ei salli muita koverrusarvoja tälle osalle, kuin 2mm.

Jos kannun seinämät eivät olisi tasapaksuja

Tällöin kovertaminen ei ole kelvollinen ratkaisu.

Kovertamisen sijaan pitäisi erikseen mallintaa kannut ulkokuori ja erikseen kannun sisäosa.

  • Tämän jälkeen pitää tehdä kokoonpano, jonne molemmat kannut geometria tuodaan ja asemoidaan keskenään oikealle paikalle.

  • Sen jälkeen voidaan osilla työstön avulla poistaa kannun ulkokuoresta kannun sisäosa.

Anna mallille raaka-ainetieto

  • Tilannekohtainen toiminto: Nimiketiedot (kun mitään ei ole valittu).

  • Katso tarkemmin harjoituksen 2. Kaikuluotaimen mallin piirustus kohtaa Annetaan mallille raaka-aine eli osaluettelo-tieto.




Tee mallille piirustus

Huomaa, että kuvassa näkyvät sädemitat saat ainoastaan, jos otat ao. projektioon näkyviin apugeometrian.

  • Projektion ominaisuudet: Valitse piirtotapaan mukaan Apugeometria.

  • Mitoita säteet.

  • Poista tarpeeton apugeometria (alla kuvassa vihreitä viivoja).

Tallenna malli

  • File > Tallenna tai paina

    tai
    .


Kannu toisilla mitoilla

  • Tässä esimerkissä on tehty poikittais(YZ)-tasoon toinen ohjauskäyrä.

  • Huomaa että vihreänä näkyvä kaari on tangentiaalinen pystysuuntaiselle apuviivalle ja yhtenevä oranssina näkyvän viivan päätepisteelle.

    • Elle tuota yhtenevyyttä ole, ei ohjauskäyrä kelpaa ohjaamaan pinnoitusta.

  • Nokan 3D-luonnoksessa olevat poikkileikkauksia ohjaavat mitat on myös muutettu pyöreämmiksi.

    • 7.5 > 12

    • 4 > 6

Tällaisen kannun nokan ja rungon välinen pyöristys onnistuu myös 10 mm säteellä.

Pintojen juohevuuden visuaalinen analysointi

Visualisointi-valintanauhan toiminto Varjostettu > Seepra 1 tai Seepra 2 lisää pintoihin raidoituskuvion.

  • Kuvion epäjatkuvuuksia tutkimalla havaitaan pintojen epäjatkuvuuskohtia.

JavaScript errors detected

Please note, these errors can depend on your browser setup.

If this problem persists, please contact our support.