1. Kaikuluotaimen runko
Harjoitus 1: Kaikuluotaimen runko

Tässä harjoituksessa opimme
Kerrataan luonnostelua ja pursotuksia.
Pursotuksen molempiin suuntiin ja valittuihin pintoihin saakka.
Päästön teon.
Geometrian mittojen tarkastuksen.
Kierrereiän teon ainetta poistavalla piirteellä.
Poistavan pinnoituksen (Loft).
Polaarisen piirresarjan teon.
Luonnospiirteen eli pinnan reunaviivojen käyttämisen luonnostelun apuna.
Pyöristyksien ja pyöristysketjujen teon.
Video
Kesto 5min 35sek
Luo uusi osamalli
File > Uusi > Osa
Anna tunnus.
Täytä arkistotiedot.
Valitse olemassa oleva projekti tai tee uusi projekti.
OK.

Mallinnan ensimmäinen piirre
File > Uusi > Osa. (Anna nimi ja arkistotiedot ja tee uusi projekti tai valitse vanha projekti).
Uusi luonnos > Pysty (XZ)-tasoon.
Luonnostele muoto
Luonnostele toinen reuna (vihreät viivat).
Peilaa ne keskiristin ympäri.
Lisää puuttuvat vaakaviivat.
Mitoita luonnos.
Laita toinen vaaka-alaviiva yhteneväksi keskiristin vaakaviivan kanssa.

Toimenpide
Lisää - Pursota -Molempiin suuntiin.
Pituus: 51
Pursotus molempiin suuntiin
Kun pursotus tehdään molempiin suuntiin, niin perusaputaso jää kappaleen keskelle, jolloin sitä voidaan hyödyntää mm:
Aputasoon nähden symmetristen piirteiden peilauksessa.
Symmetrisessä päästössä.

Pyöristä kappaleesta kahdeksan nurkkaa
Valitse neljä ulkonurkkaa (Ctrl-näppäin pohjassa voi valita useita nurkkaviivoja).
Tilannekohtainen toiminto: Pyöristä/Viistä > Pyöristä tämä.
Ulkonurkkien säde: 20.
Samalla tyylillä anna neljälle sisänurkalle säteeksi: 10.
Ctrl-näppäin valinnan apuna
Jos valitset toisen elementin ensimmäisen elementin valinnan jälkeen, niin ensimmäinen valinta putoaa pois.
Kun pidät Ctrl-näppäimen pohjassa, voit valita lisää elementtejä.
Jos osoitat uudelleen saman elementin (Ctrl-näppäin pohjassa), niin tämä elementti putoaa pois valittujen elementtien joukosta.
Pintojen takana piilossa olevien viivojen valinta
Voit valita viivoja myös pintojen takaa, jos sinulla on päällä läpinäkyvyys ja haku vain viivoihin. Kuva alla.


Piilossa olevan viivan valinta mallia kääntelemällä
Piilossa olevaan viivaan et oletuksena voi valita, joten joudut kääntelemään mallia samalla kun valitset viivoja.
Mallia voit käännellä:
Paina hiiren keskinäppäin pohjaan ja pidä se siellä, samalla kun liikuttelen kohdistinta pysty- ja/tai vaakasuuntaan, tai
Paina Shift-näppäin pohjaan ja pidä sitä pohjassa niin kauan, kunnes kerkeät painamaan hiiren vasemman näppäimen pohjaan. Malli pyörii hiiren liikkeen mukana niin kauan, kun pidän hiiren vasenta painiketta pohjassa.
Tee päästö kahteen suuntaan
Elleivät aputasot ole näkyvissä, niin valitse piirrepuusta Pysty (XZ)-taso ja ota se näkyviin tilannekohtaisella toiminnolla Palauta.
Valitse osasta jokin pinta, johon päästö kohdistuu, kuvassa 1).
Tilannekohtainen toiminto: Päästä.
Valitse referenssitaso, kuvassa 2).
Anna dialogiin päästökulmat: 5, kuvassa 3).


Päästö ja tangentiaaliset pinnat
Jos valitset päästettäväksi pinnaksi pinnan, jolla on tangentiaalisia pintoja, niin ohjelma pyrkii päästämään ne kaikki kerralla.
Päästö-dialogin painikkeilla Lisää, Vaihda ja Poista voi muokata päästettäväksi valittujen pintojen joukkoa.
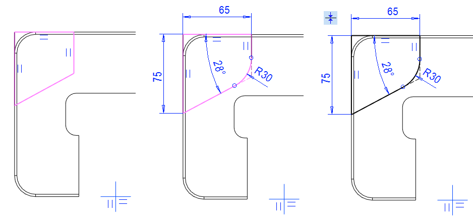
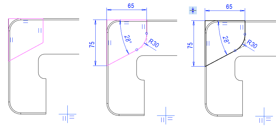
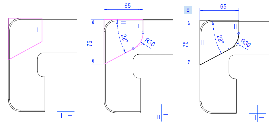
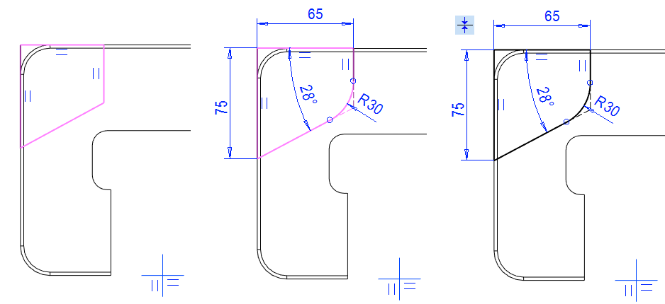
Tehdään runkoon kevennys (poistava pursotus)
Valitse etupinta ja toiminto: Uusi luonnos > Pintaan.
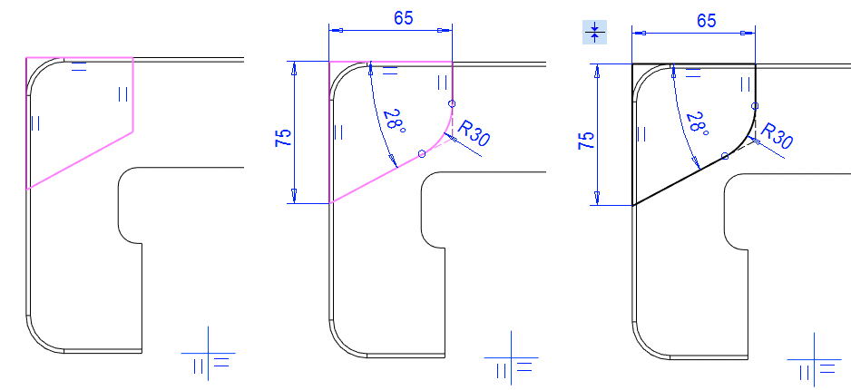
Luonnostele muoto
Luonnostele murtoviivalla puolisuunnikas.
Lähde liikkeelle ulkoreunan viivasta (saat tällöin luonnosviivan päätepisteen yhtenevyyden osoittamaasi viivaan).
Piirrä muoto ja käytä tarvittaessa suuntalukituksia.
Mitoita etäisyys ja kulmamitat.
Lisää pyöristys.
Kokeile raahata luonnosta. (Se luultavasti liikkuu).
Lisää tarvittaessa yhtenevyysehdot luonnoksen viivojen ja aikaisemman geometrian väliin.

Toimenpide
Poista - Pursota.
Pituus: 21
Etäisyysehto ja mittaehto
Muistathan, että etäisyysehto kahden viivan välille antaa niille aina myös yhdensuuntaisuuden (vaikka tätä yhdensuuntaisuusehtoa ei ehtojen luettelosta erikseen löydykään).
Tämän takia kannattaa usein suosia viivojen osoitusta etäisyysehtoa annettaessa.
Etäisyysehto kahden pisteen välille ehdottaa niiden välistä lyhintä etäisyyttä tai niiden välistä pysty- tai vaakasuuntaista etäisyyttä riippuen kohdistimen sijainnista.
Mittaehto ehdottaa heti janan osoituksen jälkeen janalle pituutta, vaaka- tai pystymittaa, mutta mahdollistaa, että osoitat toiseksi elementiksi viivan tai pisteen.

Viivaan vaikuttavat ehdot
Jos ihmettelet luonnoksen käyttäytymistä, eli viiva "on kiinni jossain missä ei pitäisi tai viiva ei ole kiinni, vaikka sen pitäisi olla", niin:
Keskeytä toiminnot (Esc-painike).
Valitse viiva.
Tilannekohtainen toiminto: Ominaisuudet.
Avautuvassa dialogissa on kerrottu viivaan ja sen pisteisiin vaikuttavat ehdot.
Mallinnetaan olake
Valitse kevennyksen pohjapinta ja toiminto: Uusi luonnos > Pintaan.
Luonnostele muoto
Piirrä ympyrä ja mitoita se, D=42 ja etäisyydet 25 ja 35.

Toimenpide
Tee lisäävä pursotus: 13.

Mallinnetaan läpi reikä
Valitse olakkeen pinta ja toiminto: Uusi luonnos > Pintaan.
Luonnostele muoto
Piirrä ympyrä siten että keskipisteeksi osoitat olakkeen keskipisteen (Ohjelma lisää tällöin Samankeskisyys-ehdon) ja anna halkaisija: 8.

Toimenpide
Poista - Pursota - Kappaleen läpi.

Mallinnetaan mutterin kolo takapintaan
Käännä kappale (esim. hiiren keskinäppäin pohjassa).
Tee luonnos takapintaan.
Luonnostele muoto
Luonnostele kuusikulmio toiminnolla: Monikulmio.
Avainväliksi saat 8mm EN 24032-mutterille sopivan 13mm valitsemalla piirtotavaksi Sisähalkaisija ja antamalla Halkaisija-arvoksi: 13.
Asemoi kuusikulmio siten, että pari sivua tulevat kappaleen vaakasuuntaan.

Toimenpide
Poista - Pursota
Pituus: 6.5


Tutki geometrian mittoja
Sopivan luonnostason paikan selvittämiseksi tutkitaan mallin mittoja:
Ota poikittaistaso näkyville ellei se jo ole näkyvillä.
Toiminto: Etäisyys

Osoita poikittaistaso, kuvassa 1).
Osoita mallista piste, kuvassa 2).
Voit tarvittaessa skaalata mittoja suuremmaksi.
Jos olit mallintanut rungon ohjeen mukaan symmetriseksi ensimmäisen luonnoksen keskiristille, niin x-suuntaisen mitan pitäisi näyttää 96 mm.
Etäisyyksien mittaus
Etäisyyksien mittaustoiminnallisuus uudistettiin versioon 26.0.00 (Vertex 2020).
Käy tutustumassa siihen, miten asioita silloin esiteltiin sivulta Mittaustyökalu.
Toinen vaihtoehto luonnostelutason määrittämiseen
Olisi mahdollista luoda aputaso kuvassa näkyvän aputason 1) ja pisteen 2) avulla.
Tason ja pisteen valinnan jälkeen tilannekohtainen toiminto: Uusi aputaso.
Sen jälkeen tämän uuden aputason valinta toiminto: Uusi luonnos > Yhdensuuntaisesti.

Mallinnetaan päädyn olakkeet
Olakkeet tulevat 4mm päähän päädyn viivasta, eli 100 mm päähän, joten valitse poikittaistaso (kuvassa A) ja tilannekohtainen toiminto: Uusi luonnos > Yhdensuunt. Anna arvoksi: 100.
Luonnostele ympyrät, kuva B.
Osoita keskipiste geometrialla olevasta viivasta (saat yhtenevyyden viivaan)
Ympyröille Sama säde-ehto, ja toiselle halkaisija-ehto: 50.
Keskipisteiden etäisyydet alhaalta ja ylhäältä: 26.

Toimenpide
Lisää - Pursota - Valittuun pintaan
Pidä Ctrl-näppäin pohjassa ja valitse kuvan C mukaiset kuusi pintaa.
Valmis-kuittaus (= Hiiren keskinäppäin tai V-näppäin) lisää pinnat dialogiin, kuvassa D.
Pursotus valittuun pintaan
Huomaa, että valitun pintajoukon pitää peittää koko alue, johon luonnoksen muoto tulee pursottumaan.
Jos näin ei käy, niin pursotus tapahtuu epämääräisen matkan.
Valitut elementit-lohkosta (kuvassa D) löytyy tilannekohtainen valikko, jonka avulla voit mm lisätä kohdepintoja tai poistaa pinnan, jos olet sen ensin listalta valinnut.
Käytä-painike piirtää malliin pursotuksen, joka syntyisi, jos nyt viimeistelisit toimenpiteen OK:lla.
Tällä voit tarkastaa, tuliko valittua riittävästi kohdepintoja.
Vaihtoehto pursotukselle tässä tapauksessa
Voit myös pursottaa olakkeen mitalla.
Joudut vaihtamaan pursotuksen suunnan

.
Anna sellainen mitta, että se riittää ulottamaan pursotuksen kokonaan kappaleen sisälle, mutta ei ulotu esim. alaosasta kappaleen läpi.


Lisää kierrereiät päädyn olakkeisiin
Toiminto: Poista ainetta käyttämällä kirjastopiirrettä

tai tilannekohtainen toiminto: Liitä kirjastopiirre > Poistaen ainetta.
Valitse piirre: Kirjastot > Piirteet > Kierteet > Metrinen > poraus.
Valitse koko M10 ja anna porauksen pituus h 30 ja kierteen pituus TL 26, kuva A.
Osoita piirteen paikka
Jos osoitat sen mallista siten että kohdistin kertoo osuvansa ympyrän keskipisteeseen, niin piirre on heti oikealla paikallaan, kuvassa 1).
Tilannekohtainen toiminto: Lisää piirteen kopio.
Osoita toisen olakkeen keskipiste, kuvassa 2).
Lisää vielä samankeskisyys-ehto piirteen ja geometrian välille.
Poistu luonnostilasta mallitilaan OK:lla, kuvassa 3).


Mallinna boori olakkeeseen
Boorin mallinnus edellyttää useampaa historiavaihetta
Ohjauskäyrä.
Poikkileikkaus ohjauskäyrän molempiin päihin.
Poistava pinnoitus edellisten elementtien avulla.
Sarjan teko tästä poistavasta pinnoituksesta.
Ohjauskäyrä. Kuva A:
Valitse olakkeen päätypinta.
Tilannekohtainen toiminto: Uusi luonnos > Pintaan.
Luonnostele muoto
Jana jonka linja kulkee keskipisteen kautta.
Laita yhtenevyys-ehto janan ja ympyrän keskipisteen välille.
Mitat kuvan mukaan.
Toimenpide
Ohjauskäyrä.

Ensimmäinen poikkileikkaus. Kuva B:
Valitse viiva ja tilannekohtainen toiminto: Uusi luonnos.
Anna sijainniksi 0. (Viivan sisempi lähtöpää, voi olla myös 1, riippuen siitä, miten olet viivan piirtänyt. 0-pää on se pää, jonka osoitit viivaa piirtäessäsi ensin).
Luonnostele muoto
Piirrä kolmio.
Vinot viivat symmetriaehdolla keskiristin pystyviivaan.
Vaakaviiva yhtenevyydellä kiinni keskiristin vaakaviivaan.
Toimenpide
Poikkileikkaus.
Toinen poikkileikkaus, Kuva C:
Valitse viiva ja tilannekohtainen toiminto: Uusi luonnos.
Anna sijainniksi 1. (Viivan ulompi pää, voi olla myös 0, riippuen siitä, miten olet viivan piirtänyt).
Luonnostele muoto
Piirrä kolmio.
Vinot viivat symmetriaehdolla keskiristin pystyviivaan.
Vaakaviiva yhtenevyydellä kiinni keskiristin vaakaviivaan.
Toimenpide
Poikkileikkaus.

Tee Poistava pinnoitus, kuva D:
Valitse poikkileikkaukset 1) ja 2).
Zoomaa tarvittaessa, että voit valita poikkileikkauksen etkä viivoja tai pisteitä.
Valitse jälkimmäinen pinta Ctrl-näppäin pohjassa, jotta ensimmäinen pinta ei putoa valittujen joukosta pois.
Tilannekohtainen toiminto: Pinnoita > Poistaen ainetta.
Hyväksy valinnat (Poista, Ei tangeerausta), kuvassa 3).
OK.

Tee boorista sarja
Valitse piirre piirrepuusta, kuvassa 1).
Tilannekohtainen toiminto: Tee sarja.
Valitse sarjan tyyli: Polaarinen, kuvassa 2).
Anna sarjan lukumäärä, kuvassa 3).
Kpl: 36.
Anna säde, kuvassa 4).
Säde: 4.
Tämä säde vaikuttaa piirrettävään ohjausviivaan.
Valitse sijoitukseksi: Pintaan, kuvassa 5).
Osoita pinta, kuvassa 6).
Sijoita sarjan keskipiste, kuvassa 7).
Tämä vaikuttaa sekä sarjan keskipisteeseen että polaarisen piirteen säteeseen.
Ohjelma piirtää luonnokseen mitat, joita voisit vielä tarvittaessa muokata.
Viimeistele sarja OK:lla.

Lisää samanlaiset boorit muihinkin olakkeisiin
Joudut toistamaan nuo parissa edellä olevassa kappaleessa olevat toiminnot.
Ohjelma lisää kuvassa näkyvät aputasot silloin, kun joudut sijoittamaan piirteen osoitettuun pintaan.
G-näppäin piilottaa ja palauttaa apugeometrian, mm. nämä aputasot.
Piirteen toisto kirjastoimalla
Kuten huomaat, on noiden kolmen olakkeen boorien mallintaminen työlästä edellä kuvatulla tavalla.
Myöhemmissä harjoituksissa opetellaan käyttämään piirrekirjastoa.
Ensin mallinnetaan piirre (esim. tuollainen boorisarja) omassa mallissaan.
Sitten tallennetaan se piirre-kirjastoon.
Piirrekirjastosta tuo piirre voidaan hakea poistavaksi piirteeksi mihin tahansa osamalliin.
Esim. tällainen boorisarja on mahdollista mallintaa siten että boorin mitat ja urien lukumäärä voidaan varioida samalla kun piirteellä koneistetaan osaa.


Lisää kevennykset rungon etupintaan
On mahdollista piirtää viivaketju ja sen jälkeen mitoittaa se.
Toisena vaihtoehtona olisi kopioida kaikki pinnan reunaviivat luonnokseen tilannekohtaisella toiminnolla: Viiva > Kopioi luonnostasoon, mutta tämä on työlästä koska reunaviivoja on paljon.
Kolmantena vaihtoehtona on käyttää tilannekohtaista toimintoa Luonnospiirre ja keskeyttää se, jotta luonnokseen saadaan kopioitua kaikki pinnan reunaviivat.
Offset-viivan luonnostelu:
Valitse pinta, kuvassa 1).
Tilannekohtainen toiminto: Luonnospiirre, kuvassa 2).
Ohjelma kopioi pinnan reunaviivat luonnokseen ja kysyy toimenpidettä.
Keskeytä toiminto Esc-näppäimellä tai poistamalla toimenpide-dialogi.
Valitse kaikki luonnoksen viivat aitaamalla ne.
Muuta viivojen ominaisuudet apuviivoiksi, kuvassa 3).
Toiminto: Offset

, kuvassa 4).
Osoita jotain viivaa.
Varmista, että Valinta ketjuina on valittuna.
Osoita offset-viivojen suunta ketjun sisäpuolelta.
Anna väli-arvoksi: 10.
Siivoa offset-viivoja:
Käytä toimintoa Viivan trimmaus toiseen viivaan

ja osoita kohdeviivaksi kaari ja trimmattavaksi viivaksi jana. Kuvassa 5).
Huomaa, että joudut joko käynnistämään toiminnon uudelleen, tai käyttämään Valmis-kuittausta (V- näppäin tai Hiiren keskinäppäin), ennen kuin osoitat toisen kaaren kohdeviivaksi, sillä ohjelma mahdollistaa sen, että voit trimmata kerralla useita viivoja kohdeviivaan saakka.
Käytä toimintoa Poista viivan osa

ja osoita poistettavia viivoja.
Jos viiva risteää toisen viivan kanssa, niin se viiva poistetaan risteykseen saakka.
Kuvassa 6) näkyvä kaaren pätkä estäisi myöhemmin nurkkaan tehtävän pyörityksen, joten se kannattaa poistaa ja trimmata viivat yhteen, kuvassa 7).



Tee poistava pursotus
Toimenpide: Poista - Pursota ja anna pituusmitaksi 10 ja kartiokkuudeksi: -10, jotta kevennyksille saadaan päästöksi 10 astetta.
Tee vastaava kevennys toiselle puolelle
Takapinnalle luonnospiirre + keskeytys.
Viivojen muunto apuviivoiksi.
Offset-viivojen piirto.
Viivojen trimmailua ja leikkelyä.
Lisäksi joudut piirtämään viivan ja kaaren.
Lopuksi poistava pursotus samoilla arvoilla, kuin edellä.

Tehdään yksittäiset pyöristykset
Valitse yksittäisiä teräviä särmiä (Muistathan Ctrl-näppäimen).
Joudut kääntelemään mallia, kun valitset pyöristettäviä särmiä (Muistathan että se käy joko Shift + hiiren oikean näppäin pohjassa tai sitten hiiren keskinäppäin pohjassa). (tai *1 katso alempaa tippiä)
Muista kääntelyn jälkeen painaa Ctrl-näppäin pohjaan, jotta uuden särmän valinta ei pudota aikaisempia valintoja pois.
Tilannekohtainen toiminto: Pyöristä/Viistä > Pyöristä tämä, anna arvo: 6.
Pyöristä vai Pyöristä tämä
Pyöristä-toiminto pyrkii etsimään tangentiaalisen viivaketjun ja tekemään tähän ketjuun nojaavien pintojen väliin pyöristyksen kerralla.
Pyöristä tämä-toiminto pyrkii tekemään pyöristyksen vain valittuun viivaan nojaavien pintojen välille.
Dialogissa voit hallita jokaisen valitun särmän pyöristyksiä yksilöllisesti.
On kuitenkin käyttäjälle helpompaa, jos valitaan kerralla ne särmät, joille tulee sama pyöristyksen arvo. Näin on varsinkin tapauksissa, joissa pyörityksille kokeillaan eri arvoja.
Molemmilla tavoilla on mahdollista tehdä myös muuttuvasäteisiä pyöristyksiä, mutta niiden ominaisuuksia esitellään myöhemmissä harjoituksissa.
Kumpaankin pyöristystapaan voidaan valita yksi tai useampi lähtöelementti, joiden avulla pyöristykset malliin tehdään.
Joissain tapauksissa on syytä tehdä ensin pyöristys (Pyöristä eli "ketjupyöristys") vain yhteen ketjuun kerralla, sillä "törmäävien" ketjujen ratkaisu ei saata aina onnistua.
Viivojen valinta pintojen takaa
*1) Voit valita viivoja pintojen takaa, kunhan
Valittuna on: Osa-valintanauhan Työkalut-ryhmän toiminto: Läpinäkyvyys.
Sekä: Työkalunauhasta vain: Haku viivaan.


Pyöristysten täydentäminen
Jos joku särmä unohtui antaa, niin suositus on, että lisäät sen samaan Pyöristys/viiste-historiavaiheeseen etkä tee uutta pyöristystä.
Näin mallin piirrepuusta tulee lyhyempi ja mallin historian uudelleen generointi on hitusen nopeampaa.
Särmien lisääminen olemassa olevaan Pyöristys/viiste-piirteeseen:
Valitse Pyöristys/viiste-piirre piirrepuusta.
Tilannekohtainen toiminto: Muokkaa piirrettä tai kaksoisnapsautus piirteeseen.
Paina Ctrl-näppäin pohjaan ja pidä se pohjassa.
Osoita särmä mallista.
Hyväksy tai anna pyöristyssäde.
Tee pyöristysketjut
Valitse jokaisesta "ketjusta" yksi särmä.
Tilannekohtainen toiminto: Pyöristä/Viistä > Pyöristä, anna arvo: 2.
Päädyssä olevien olakkeiden ja rungon välisiin pyöristyksiin voit joutua osoittamaan useampia viivoja.
Kokeile pyöristyksen onnistumista.
Jos pyöristys jää vajaaksi, palaa muokkaamaan pyöristystä ja valitse Ctrl-näppäin pohjassa uusi viiva.

Tallenna malli
File > Tallenna tai paina

tai


.

Mallin piirustus
Seuraava harjoitus käsittelee mallin piirustuksen luontia.