Putkilaser
Harjoitus 9. Profiiliketjun vienti yhdeksi osaksi putkilaseria varten.


Tässä harjoituksessa opimme
Kertaamme profiilirakennesuunnittelulle tyypillisiä toimintoja.
Trimmaamaan osia kirjasto-osaan, joka määrittään trimmaukselle haluttuja muotoja ja varmistaa mahdollisuuden viedä useampia profiilipätkiä yhdeksi osaksi putkilaser-työstökonetta varten.
Tulostamaan putkilaseria varten Step-tiedoston.
Kikkailemaan osaluettelon kuntoon.
Video
Kesto: 3min 33sek
Putkilaser
Aiemmin yllä kuvattu rakenne valmistettiin aina katkaisemalla ensin kaikki putket ja sen jälkeen ne hitsattiin, usein jigin avulla yhteen.
Vaihtoehtona tälle on putkilaser, jossa laserilla työstetään putkien taitoskohtiin sellaiset kolot, joista putket taitetaan yhteen ja hitsataan sen jälkeen. Tämä menetelmä vähentää jigien tarvetta, ellei poista sitä kokonaan.
Tee uusi kokoonpanomalli
File > Uusi > Kokoonpano.
Syötä mallin tunnus.
Täytä arkistotiedot (Arkistot. painike).
Valitse olemassa oleva projekti tai tee uusi projekti.
Valitse = Selaile projekteja ja valitse projekti.
Uusi = Perusta uusi projekti ja syötä projektin tiedot.
OK.

Tee uusi ohjauskäyrä-tyyppinen osa
Tilannekohtainen toiminto: Uusi ja sitten Osa.
Valitse: Paikallinen
Anna nimi, esim. SKELETON tai JIGI.
Tilannekohtainen toiminto: Ominaisuudet.
Poista valinta: Kokoonpanon osaluetteloon, sillä tätä osamallia ei haluta osaluetteloon, onhan se täysin "aineeton" osa.

Määritä, ettei ohjauskäyrä osa tule osaluetteloon
Tilannekohtainen toiminto: Ominaisuudet.
Poista valinta: Kokoonpanon osaluetteloon, sillä tätä osamallia ei haluta osaluetteloon, onhan se täysin "aineeton" osa.

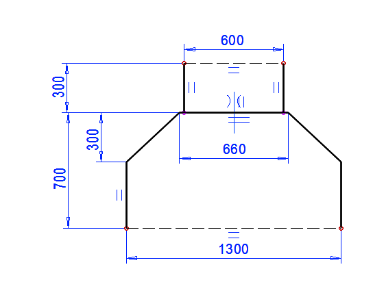
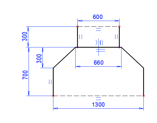
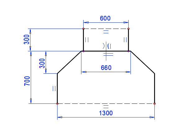
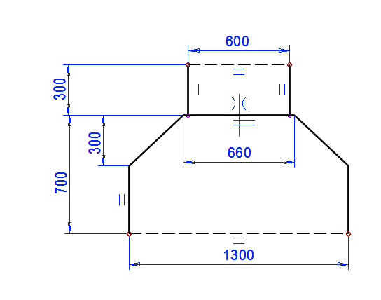
Tee ensimmäinen ohjauskäyrä
Uusi luonnos > Vaaka(XY)-tasoon.
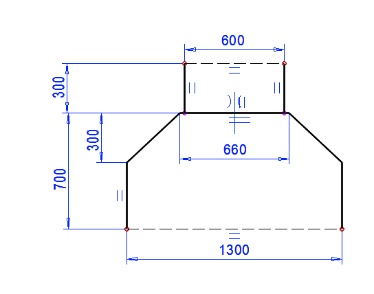
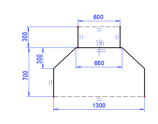
Luonnostele kuvan mukainen muoto.
Luonnostele muoto symmetrisesti origon pystyakselin suhteen.
Laita vaakaviiva (660mm) yhteneväksi origon vaaka-akselin kanssa.
Toimenpide:
Ohjauskäyrä.
Hävisivätkö viivat näkyvistä?
Jos viivat hävisivät näkyvistä, kun teit luonnoksesta toimenpisteen Ohjauskäyrä, niin paina 


Tee toinen ohjauskäyrä
Palauta Pysty(XZ)-taso näkyviin, ellei se jo näy.
Valitse Pysty(XZ)-taso ja viivan päätepiste (vasen kuva). (Muista

).
Tilannekohtainen toiminto: Uusi luonnos.
Luonnostele kuvan mukainen kolmen janan murtoviiva, korkeus 260.
Toimenpide: Ohjauskäyrä.
Voit piilottaa aputason, jos se häiritsee suunnitteluasi.
Oliko asetus "Kohtisuoraan" päällä?
Jos luonnoksen asetus Kohtisuoraan oli valittuna, saattaa ohjelma kääntää mallin ikään kuin nurin niskoin.
Ennen luonnoksen piirtämistä, varmista oikea suunta, kääntämällä malli työkalurivin painikkeella Projektio isometrinen. Voit hyvin luonnostella myös isometrisessä projektiossa.

Poistu osamallista kokoonpanoon
Tilannekohtainen toiminto: OK poistuu luonnoksesta kokoonpanoon.
Lisää profiilit
Lisää > Profiili.
(Kirjastot > Profiilit > Vakiot >) Profiilit > Putkipalkki > SSAB_10219_RECTANGULAR.
Valitse koko: SSAB_80x40x4.
Valitse apuvalikosta: Automaattitrimmaus jiiriin tai Ei automaattitrimmausta.
Varmista että profiili on "pystyasennossa".
Käännä sitä tarvittaessa 90° nuoli oikealle- tai nuoli vasemmalle-näppäimillä tai apuvalikon painikkeilla Kierrä vasemmalle tai Kierrä oikealle.
Osoita pohjan viisi viivaa (Vasen kuva).
Valitse apuvalikosta: Automaattitrimmaus pintaan.
Osoita pohjan kaksi viivaa (keskimmäinen kuva)
Valitse apuvalikosta: Automaattitrimmaus jiiriin tai Ei automaattitrimmausta.
Osoita pystyviivat
Käännä poikkileikkausta 90° (esim. nuoli oikealle tai nuoli vasemmalle-näppäimillä).
Osoita ylimmäinen viiva.
Jiiritrimmaus on tarpeeton, jos käytät putkilaser-työkalua
Jos tarkoituksesi on yhdistää yksittäiset profiilijaksot putkilaserin tarvitsemaksi yhtenäiseksi putkeksi, niin profiileita lisättäessä ei profiileiden väliin tarvita jiiri-trimmausta, vaan se hoituu myöhemmin, kun profiilit trimmataan kirjasto-osaan.

Trimmaa profiilit kirjasto-osaan
Kokeile molempia tapoja, jotta löydät itsellesi mieleisemmän ja tehokkaamman tavan toimia.
Tapa 1 (Profiilit ensin):
Valitse kaksi profiilia (

)
Tilannekohtainen toiminto: Trimmaa profiilit > Kirjasto-osaan.
Valitse: Trimmausosat > Pipelaser > Pipelaser2.
Muuta ainevahvuutta kuvaava muuttuja t:n arvo 1 > 3.
Muuta tarvittaessa hitsausraon suuruutta kuvaava arvo Gap.
OK.
jne
Tapa 2 (Työkalu ensin)
Avaa yleisselain

B-näppäimellä.
Valitse Kirjastot > Profiilien trimmausosat > Pipelaser > Pipelaser2.
Osoita kaksi vierekkäistä profiilia.
Muuta ainevahvuutta kuvaava muuttuja t:n arvo 1 > 3.
Muuta tarvittaessa hitsausraon suuruutta kuvaava arvo Gap.
OK.
Osoita seuraavat kaksi vierekkäistä profiilia.
jne.
Lopeta profiilien trimmaus V-, tai Esc-näppäimellä tai hiiren keskimmäisellä painikkeella.
Suosittelemme tapaa 2
Jälkimmäinen tapa on nopeampi, jos voit käyttää samaa työkalua kaikissa profiilien trimmauksissa.

Putkilasertyökaluista
Suljettujen kehien siihen kohtaan, josta putki alkaa ja päättyy, on tarkoitus käyttää _End-loppuista työkalua.
Muut työkalut poistavat nurkasta seinämän paksuuden verran ainetta, mutta _End-loppuiset eivät sitä tee.


Vie Step-tiedosto putkilaser-työstökonetta varten.
Valitse yksi profiili siitä ketjusta, joka on trimmattu PipeLaser*-työkaluilla.
Tilannekohtainen toiminto: Muut tulosteet > Profiilit stp-tiedostoon.
Valitse hakemisto, jonne Step-muotoinen tiedosto tallennetaan.
Hyväksy tai muuta tiedostonimeä.
Tallenna.
Tee tämä kahteen kertaan, eli kerran molemmille "profiili-ketjuille".
Ohjelman ehdottama tiedostonimi
Ohjelma ehdottaa Step-tiedostolle nimeä, jonka alkuosa on mallin tunnus ja loppuosa on valitun profiilin ns. indeksi-numero.
Indeksit saat mallin piirrepuuhun, koonnan pääsymbolin tilannekohtaisella toiminnolla: Puu > Puun tiedot.
Poista valinta: Oletus.
Valitse listalta: Indeksi.
Indeksi kertoo osien lisäysjärjestyksen kokoonpanoon ja alkaa numerosta #100.
Jos välistä puuttuu numeroita, on ko. osa poistettu kokoonpanosta.

Tarkastele Step-tiedostoja
Raahaa viedyt Step-tiedostot Vertex G4:n työpöydälle.
Hyväksy dialogin oletusarvot.
Nämä step-tiedostot viedään putkilaser-työstökoneelle, joka leikkaa putket.
Tämän jälkeen putket voidaan taivuttaa muotoonsa ja hitsata taivutettuun muotoonsa.
Vähentää hitsausjigien tarvetta valmistuksessa.

Tee mallille piirustus
Katso tarkemmat ohjeet osamallinnuskurssin harjoituksesta: 2. Mallin piirustus.
File > Tallenna
Osaluettelointi ei vastaa putkilaserin tarpeisiin.
Kun tuotat profiileista osaluettelon, niin jokainen mallissa oleva profiilin pätkä esitellään osaluettelossa erikseen.
Jos kuitenkin valitut osuudet profiilirakenteesta tehdään putkilaserilla, jossa siis yksittäisiä profiileita on yhdistetty toiminnolla Muut tulosteet > Profiilit stp-tiedostoon yhdeksi putkeksi, niin osaluettelo ei kerro totuutta tarvittavista profiileista. Profiilien tarpeeseen (pituus ja yhteispaino) se sen sijaan kelpaa hyvin.
Poista luettelosta ne profiilin pätkät, jotka ovat osa laser-työstettyä putkea:
Valitse putki ja tilannekohtainen toiminto: Ominaisuudet.
Poista valinta Kokoonpanon osaluetteloon.
Lisää malliin ne step-tiedostot, jotka putkilaseria varten tulostit step-tiedostoiksi ja käsittele niitä.
Analysoi niiden pituus toiminnolla: Etäisyys.
Valitse tuotu putki ja tilannekohtainen toiminto: Nimiketiedot.
Anna tunnus ja kuvaus.
Täytä kohtaan Mitat, poikkileikkaus, esim. tässä harjoituksessa 80x40x3.
Täytä kohtaan Määrä, mittaamasi päiden välinen etäisyys.
Valitse tuotu putki ja tilannekohtainen toiminto: Ominaisuudet.
Poista valinta: Kokoonpanokuvaan.
Jos haluat osanumerot piirustukseen edellisten temppujen jälkeen, niin huomioi, että ohjelma ei löydä kuvasta osia nro 1 ja 2, koska niitä ei siinä ole. Osoita osanumerot kuitenkin geometriasta.

Tallenna malli
File > Tallenna