Silmukka
Harjoitus 7: Silmukka

Tässä harjoituksessa opimme
Tekemään kappaleen ohjauskäyrän ja poikkileikkauksen avulla.
Lisäämään kierremerkin, joka näkyy mallin piirustuksessa mitoitettavana kierteenä ja mallissa visuaalisena kuvana.
Viisteen lisäämisen särmään.
Video
Kesto 2min 31sek
Luo uusi osamalli
File > Uusi > Osa
Anna tunnus.
Täytä arkistotiedot.
Valitse olemassa oleva projekti tai tee uusi projekti.

Mallinna ohjauskäyrä
Uusi luonnos > Pysty (XZ)-tasoon.
Luonnostele muoto
Luonnostele muoto esim. toiminnolla: Älykäs viivaketju.
Lähde liikkeelle origosta siten että kohdistin ottaa kiinni myös keskiristin pystyviivaan.
Lisää yhtenevyysehto pystyviivan ja alemman kaaren keskipisteen välille.
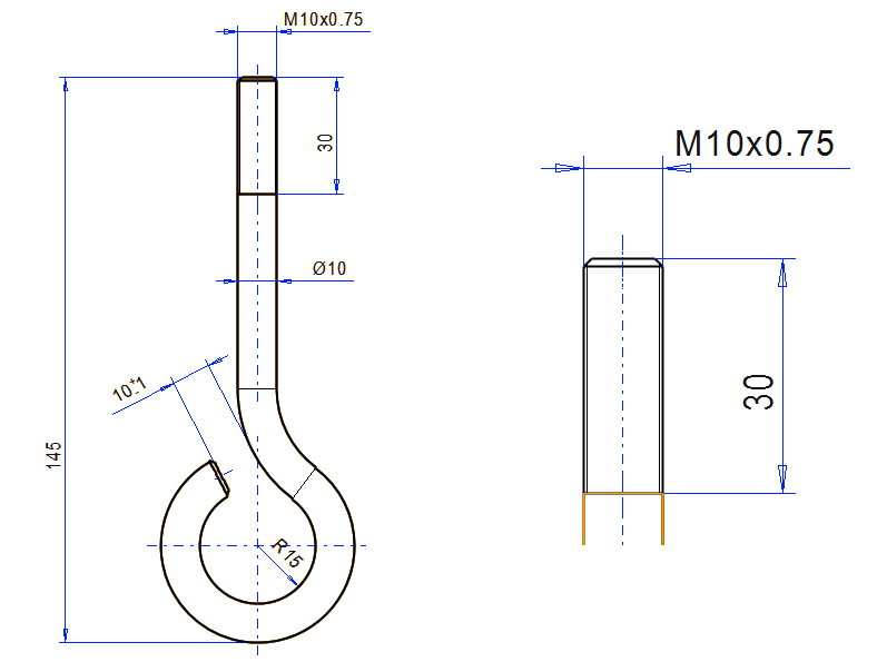
Mitoita kuvan mukaan.
Mitta 15 on määritelty ylemmän kaariviivan ja silmukan päätepisteen välille.

Toimenpide
Ohjauskäyrä.
Jos geometriaa ei näy toimenpiteen jälkeen
Ota apugeometria (ohjausviivat, aputasot ja poikkileikkaukset) näkyviin G-näppäimellä tai työkalunauhan vastaavalla toiminnolla:


Mallinna silmukan poikkileikkaus
Valitse silmukan suora viiva.
Tilannekohtainen toiminto: Uusi luonnos.
Ohjelma avaa dialogin, jonka avulla voisit säätää luonnoksen paikan.
Hyväksy oletus (Suht. paikka ja arvo 0.5), eli luonnostaso tulee keskelle viivaa.
Luonnostele muoto
Luonnostele ympyrä.
Keskipiste luonnoksen origoon.
Lisää halkaisijaehto: 10.

Toimenpide
Poikkileikkaus.
Luonnos viivalle
Katso tarkemmin luonnoksen sijoitusta viivalle:
Luonnostelukurssi - osamallinnusta.
9. Muototiiviste.
Kohta: Tee luonnos ohjauskäyrälle.

Muodosta poikkileikkauksesta ja ohjauskäyrästä kappale
Valitse viiva.
Valitse Ctrl-näppäin pohjassa poikkileikkaus.
Tilannekohtainen toiminto: Pyyhkäisy > Lisäten ainetta.
Hyväksy Pyyhkäisy-dialogin oletukset (ei trimmauksia).

Lisätään kierremerkki
Osoita lieriöpinta, jolle haluat antaa kierremerkinnän.
Osoita viiva, josta kierre alkaa.
Tämän jälkeen avautuu Kierrepiirre-dialogi, josta voit valita kierrestandardin (tavallisen mm-kierteet ovat oletuksena ISO, SFS44498)
Ohjelma osaa ehdottaa Tyypiksi ulkokierrettä tapille ja sisäkierrettä reiälle.
Ohjelma kertoo dialogin vasemmassa alakulmassa löytyneen sylinteripinnan halkaisijan ja pituuden.
Valitse Halkaisija: M10.
Syötä Pituus: 30.
Valitse (kierteen) Nousu: 0.75
OK.
Kierremerkki ja aito 3D-kierre
Kierremerkki-piirre näkyy piirustuksessa, jossa kierre voidaan mitoittaa, mutta se ei tee malliin aitoa kierrettä, jotta voidaan taata ohjelman nopea toiminta kokoonpanoissa, joissa on paljon kierteellisiä osia.
Aidot kierteen pitää mallintaa erikseen käyttäen spiraalia ja kierteen muodostavaa poikkileikkausta.

Lisää viisteet
Valitse viiva silmukan molemmista päistä (jälkimmäinen Ctrl-näppäin pohjassa).
Tilannekohtainen toiminto: Pyöristä/Viistä > Viistä tämä.
Anna viisteen pituusmitat: 1 ja 1.
OK.

Anna mallille raaka-ainetieto
Tilannekohtainen toiminto: Nimiketiedot (kun mitään ei ole valittu).
Paina Hae nimike-painiketta.
Paina kentän Pääryhmä esivalinta-painiketta.
Valitse rivi: Teräkset.
Valitse rivi: Tangot.
Valitse rivi: Pyörätanko, kuumavalssattu RB.
Suorita haku: OK.
Valitse rivi, jossa on D10 koko, esimerkkinimikekannassamme: VXRB010.
Katso tarkemmin harjoituksen Mallin piirustus kohtaa Annetaan mallille raaka-aine eli osaluettelo-tieto.

Tee mallille piirustus
Katso tarkemmat ohjeet harjoituksesta: 2. Mallin piirustus
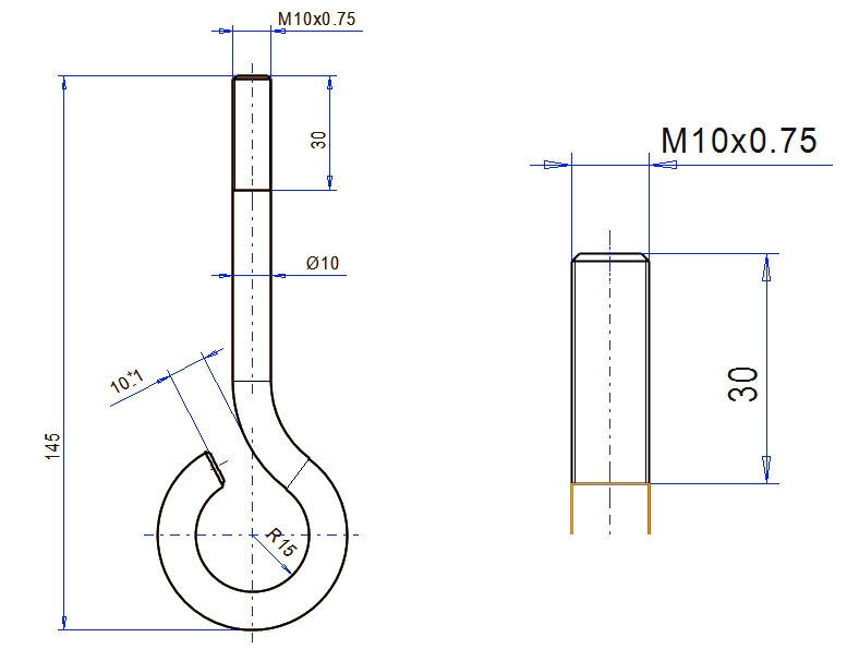
Pari huomiota piirustuksesta:
Jotta tuo toleroitu mitta 10 +-1 saadaan mitoitettua, niin päähän on piirrettävä apuviiva viisteen päästä päähän.
Kuvaan projisioituu viiva, joka tunnistetaan murtoviivaksi, joka ei kelpaa mitan toiseksi osapuoleksi.
M10x0.75 mitta saadaan, kun mitoituksessa osoitetaan kierrepiirteen päässä olevaa viivaa.
halkaisija 10 mitta saadaan, kun osoitetaan lieriötä.

Tallenna piirustus
File > Tallenna tai paina
tai

.
