Poikkileikkaus - pyyhkäisy
Harjoitus 11: Poikkileikkaus


Tässä harjoituksessa opimme
Luonnostelemaan profiilien poikkileikkauksia.
Kirjastoimaan poikkileikkauksen profiili-kirjastoon.
Profiili-tyyppisen kirjastopiirteen pyyhkäisyn kappaleeksi ohjausviivaa pitkin.
Leikkelemään luonnoksen viivoja.
Video
Kesto 3min 5sek
Tee uusi osamalli
File > Uusi > Osa
Anna tunnus.
Täytä arkistotiedot.
Valitse olemassa oleva projekti tai tee uusi projekti.

Tee mallin ainoa luonnos
Toiminto: Uusi luonnos > Vaaka (XY)-tasoon.
Valitse viivatyyli: Ohjausviiva.
Piirrä suorakulmio.
Piirrä kahden pisteen viiva.
Hyödynnä viivojen keskipisteitä viivan alku- ja loppupisteinä.
Profiilin poikkileikkaukseksi kelpaava malli
Mallissa saa olla vain yksi historiavaihe, eli yksi luonnos.
Luonnos täytyy tehdä vaaka-tasoon (XY-tasoon).
Osamalliin ei lisätä kahvaa, kuten kirjastoitaviin piirteisiin tai komponentteihin.
Huomaa että kirjastoidun poikkileikkauksen oletus-sijoituspiste on luonnoksen origo.
Sijoituspistettä voidaan vaihtaa pyyhkäisyä tehtäessä.

Poikkileikkauksen ohjausgeometrian merkitys
Ylläolevat viivat voisivat olla myös apuviivoja, jolloin ne eivät näkyisi mallissa eikä kirjastosta haettavassa piirteessä.
Ohjausviivoiksi kannattaa määrittää sellaiset viivat, joita voidaan käyttää (tai joiden päätepisteitä) voidaan käyttää hyväksi, kun poikkileikkauspiirrettä asemoidaan pyyhkäisyssä tai profiilirakennesuunnittelussa suhteessa ohjauskäyrään.
Lisää symmetriaehto ja päämitat
Anna symmetriaehto pystyviivoille keskiristin pystyviivan suhteen.
Anna leveysmitta.

Piirrä ja paikoita ympyrät
Piirrä kaksi ympyrää, kuva A.
Toinen ympyrä siten että sen keskipiste on kiinni origossa (keskiristin keskipisteessä).
Lisää ympyröille tangentiaalisuus,

kuva B.
Vasen ympyrä tangentiaaliseksi alaviivan ja vasemman pystyviivan kanssa.
Ylempi ympyrä tangentiaaliseksi yläviivan kanssa
Peilaa vasemmanpuoleinen ympyrä keskiristin pystyakselin suhteen, kuva C.

Piirrä ja paikoita kaari, lisää samasäde-ehto ympyröille
Piirrä kolmen pisteen kaari, kuva D.
Huomaa, että kaaren piirrossa on voimassa tangentiaalisuus (minivalikko).
Osoita vasen ympyrä (suurin piirtein kuvan mukaisesta paikasta).
Osoita oikea ympyrä.
Lisää kaarelle tangentiaalisuudet, kuva E.
Osoita kaari ja ylimmäinen ohjausviiva.
Osoita kaari ja oikeanpuoleinen ympyrä.
Lisää samasäde-ehto keskimmäisen ja esim. vasemman puoleisen ympyrän välille, kuva F.

Lisää offset-kaari, sisäympyrät ja tangentiaalisuusehdot.
Lisää kaarelle offset-viiva 4mm päähän sisäpuolelle, kuva H.
Piirrä kolme ympyrää, kuva I.
Osoita keskipisteen paikka vanhojen ympyröiden keskipisteestä.
Lisää näille ympyröille ja sisemmälle kaarelle tangentiaalisuusehto, kuva J.

Leikkaa ylimääräisiä viivoja pois, lisää halkaisija ja tee pyöristykset
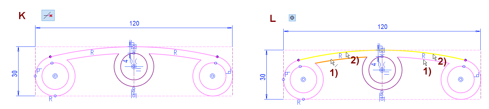
Poista viivoista osia, kuva K.
Toiminto: Poista viivan osa.
Offset viiva on leikkelyn seurauksena saattanut menettää ehtoja, jotka pitävän sen paikoillaan.
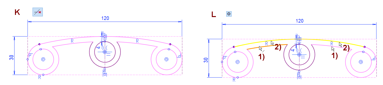
Lisää samankeskisyysehdot ylemmän ja alempien kaarien välille, kuva L.
Osoita kaari 1).
Osoita kaari 2).

Lisää halkaisijaehto ja tarkasta luonnos
Lisää sisemmälle ympyrälle halkaisija, kuva M.
Arvo: 6
Jos luonnoksessa on avoimia muotoviivan päitä (punaisia pisteitä on näkyvissä), niin zoomaa kohdetta, jotta näen sen tarkemmin ja käytä esim. Viivan osan poistoa tai vaihtoehtoisesti ehtoja, jotka korjaavat tilanteen.

Lisää teräviin nurkkiin pyöristys
Valitse kaikki nurkkapisteet (Ctrl-näppäin pohjassa).
Tilannekohtainen toiminto: Pyöristä.
Arvo: 6

Tarkastele reikien välisiä etäisyyksiä
Lisää mitta tai etäisyysehto reikien keskipisteiden välille.
Mutta poista valinta: Toimii ehtona.
Jos jätät mitat ehdoiksi, niin luonnos ylimäärittyy.
Ei ajavat mitat
Eivät muokkaa geometriaa.
Mutta avustavat suunnittelijaa näyttämällä muualla tarvittavia mittoja.

Tee toimenpide: Poikkileikkaus
Poistu luonnoksesta: OK.
Valitse toimenpide: Poikkileikkaus.

Tallenna poikkileikkaus kirjastoon
Tilannekohtainen toiminto: Tallenna kirjastoon > Profiilina.
Tee tarvittaessa alakansio tai valitse olemassa oleva alikansio.
Anna poikkileikkaukselle nimi (Esim SK100)
Tallenna: Save.

Tallenna malli
File > Tallenna tai paina

tai


Tee uusi osamalli
File > Uusi > Osa
Anna tunnus.
Täytä arkistotiedot.
Valitse olemassa oleva projekti tai tee uusi projekti.

Mallinnan ohjausviiva
Tee luonnos pystytasoon
Tilannekohtainen toiminto: Uusi luonnos > Pysty (XZ)-tasoon.
Piirrä pystyviiva: Kahden pisteen viiva.
Toimenpide:
Ohjausviiva.

Muodosta poikkileikkauksesta ja ohjausviivasta kappale
Toiminto Lisää ainetta pyyhkäisemällä poikkileikkauksella.

Valitse piirre kirjastosta: Profiilit > Omat > Kirjasto > poikkileikkaus (Tässä harjoituksessa KR_PROF > SK100)
Kaksoisnapsauta piirrettä tai
Ota siitä kiinni ja raahaa sitä vähän matkaa.
Sijoita poikkileikkaus viivalle.
Ohjelma siirtyy luonnostelutilaan, jossa voisit paikoittaa luonnosta ehdoilla.

Poistu luonnoksesta OK:lla.
Ohjelma kysyy pyyhkäisyn tietoja.
Ohjelma on jo valmiiksi valinnut poikkileikkauspinnan ja ohjausviivan.
Nyt voisit tarvittaessa antaa muitakin pyyhkäisyä ohjaavia tietoja.
OK toteuttaa pyyhkäisyn.

Tallenna malli
File > Tallenna tai paina

tai


Esimerkkejä
Alla on esimerkkejä, joissa on käytetty em. poikkileikkausta, mutta ohjauskäyrä on erilainen.
