10. Logo- Mittaohjautuvuus


Tässä harjoituksessa opimme
Käyttämään kaavaa mittavarioinnin apuna.
Tallentamaan luonnoksen luonnoskirjastoon.
Kertauksena lisäävä ja poistava pursotus.
Mittavariointia.
Pinnan jakamisen kahdeksi eri pinnaksi.
Video
Kesto 4min 21sek
Tee uusi osamalli
File > Uusi > Osa
Anna tunnus.
Täytä arkistotiedot.
Valitse olemassa oleva projekti tai tee uusi projekti.

Aloita luonnostelu vaaka-tasoon
Tilannekohtainen toiminto: Uusi luonnos > Vaaka (XY)-tasoon.
Toiminto: Kahden pisteen suorakulmio.

, kuva A.
Valitse viivatyyli: Apuviiva.
Osoita origo.
Osoita nurkkapiste.
Toiminto: Murtoviiva.

, kuva B.
Valitse viivatyyli: Muotoviiva.
Lähde liikkeelle yläviivan keskipisteestä.
Vältä 45 asteen suuntalukituksia, mutta käytä pysty- ja vaakalukituksia.
Piirrä puolikas muoto (Liittyvä kuva).
Toiminto: Kahden pisteen viiva.

, kuva C.
Valitse viivatyyli: Apuviiva.
Piirrä kaksi janaa viivojen päätepisteitä päätepisteisiin.

Peilaa geometria
Valitse peilattava geometria, kuva D.
Aitaa peilattava geometria.
Ohjelma värjää peilattavan geometrian huomiovärillä.
Poista reunaviiva valittujen viivojen joukosta. Oranssi viiva, kuvassa E.
Paina Ctrl-näppäin pohjaan ja valitse pystyviiva pois peilattavien joukosta, kuvassa 1).
Keskiristin viivojen valinnalla ei ole merkitystä. ne eivät peilaudu, kuvassa 2).
Peilaa valittu geometria, kuva F.
Tilannekohtainen toiminto: Peilaa.
Valitse peilausakseliksi keskiristin pystyviiva 4) kuvassa F.

Muuta alin vaakaviiva muotoviivaksi
Valitse viiva, kuva H.
Valitse valintanauhasta tyyli: Muotoviiva.
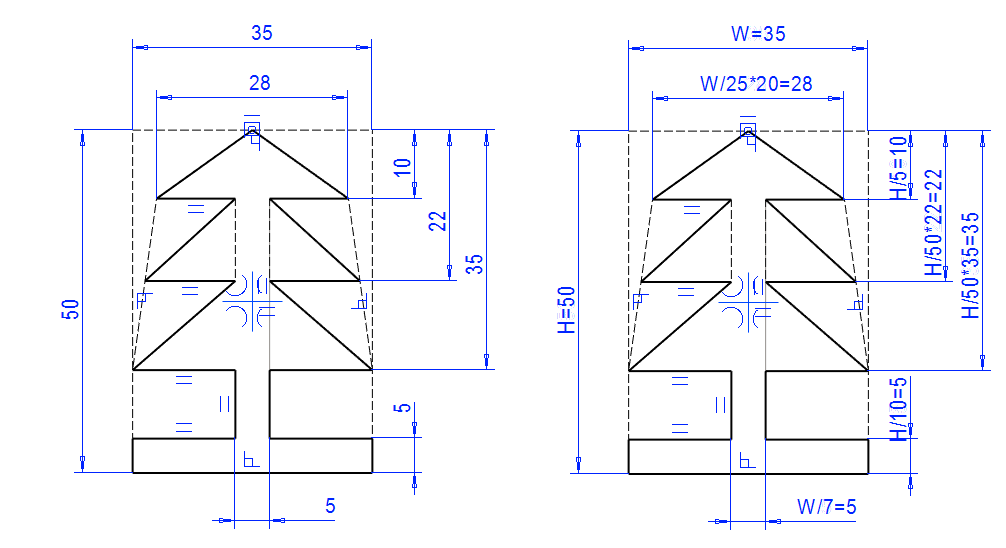
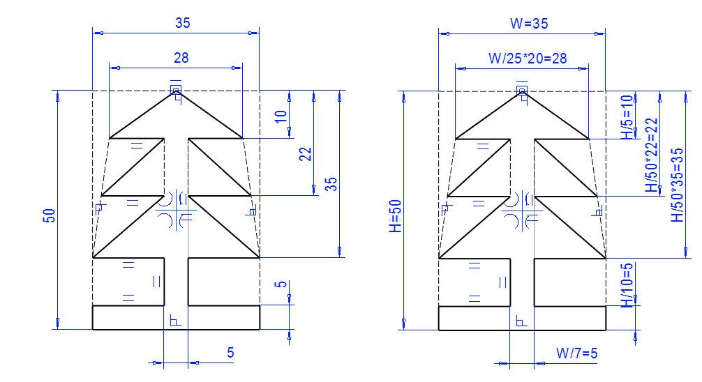
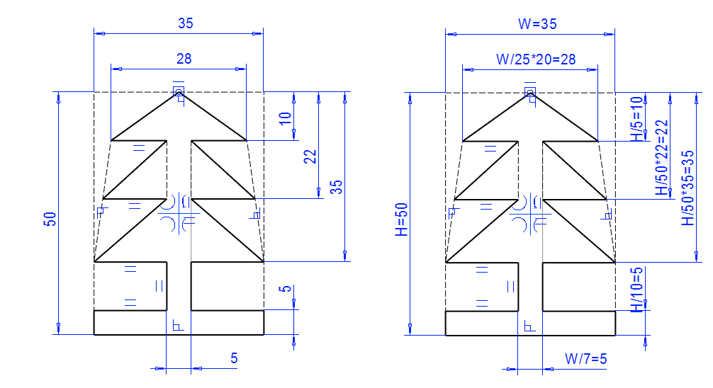
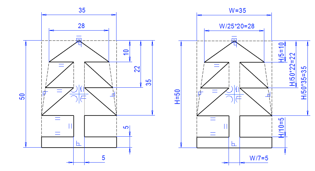
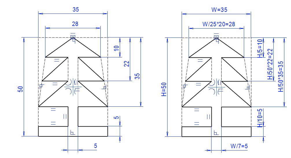
Anna päämitat ja anna muuttujan tunnus
Toiminto: Etäisyys.
Osoita viivat, kuvissa I ja J.
Osoita mittaluvun paikka ja anna mitta ja kaava.
Vaakaviivalle: 50 ja kaava H.
Pystyviivoille: 35 ja kaava W.

Muuttujat
Suosittelemme, että käytät muuttujien tunnuksissa vain isoja kirjaimia.
Tällöin ne ovat helposti erotettavissa esim. tuoteautomaattien tarvitsemissa ohjelmissa muusta ohjelmasta.
Suosittelemme että käytän muuttujien tunnuksissa useampaa kuin yhtä kirjainta (toisin kuin tässä harjoituksessa).
Tämä sen takia, että Vertex G4 käyttää joitain kirjaimia oletuksena tai ohjelmallisesti jossain merkityksessä (kuten t, jota käytetään ohutlevymallien ainevahvuuden tunnuksena).
Anna mittaehdot, huomioi myös muuttujat
Anna pystymittaan sidotut etäisyysehdot ja kaavat kuvan K mukaan.
10, kaava: H/5
22, kaava: H/50*22
35, kaava: H/50*35
5, kaava: H/10
Anna vaakamittaan sidotut etäisyysehdot ja kaavat kuvan L mukaan.
20, kaava: W/35*20
5, kaava: W/7

Anna kolme yhtenevyysehtoa
Viiva-piste yhtenevyys, kuva M.
Toiminto: Yhtenevyys. (Valintanauhasta).
Osoita viiva.
Osoita piste.
Viiva-viiva yhtenevyys, kuva N.
Toiminto: Yhtenevyys. (On käynnissä edellisen yhtenevyyden jäljiltä)
Osoita ensimmäisen viiva.
Osoita toinen viiva.
Viiva-piste yhtenevyys, kuva O.
Toiminto: Yhtenevyys.
Osoita viiva.
Osoita piste.

Testaa luonnoksen varioituvuutta
Jos luonnoksessa on vielä violetteja viivoja, niin lisää niihin tarvittavat ehdot, ennen variointia.
Tilannekohtainen toiminto: Mittataulukko.
Syötä uudet arvot muuttujille W ja H.

Tallenna luonnos luonnoskirjastoon
Tilannekohtainen toiminto: Tallenna kirjastoon.
Tarvittaessa perusta luonnokselle kansio, jonne keräät saman tyylisiä luonnoksia.
Dialogin Create New Folder, kuvassa 1).
Anna kansiolle nimi, kuvassa 2).
Valitse kansio, kuvassa 3).
Anna luonnokselle nimi, kuvassa 4).
tallennan luonnos, kuvassa 5).

Luonnosten ryhmittely
Varsinkin jos useat suunnittelijat käyttävät järjestelmää, kannattaa miettiä minkä nimisiä kansioita luonnos-kirjaston (sketch) alle tehdään, jotta muutkin suunnittelijat löytävät yleiskäyttöiset luonnokset.
Lisäksi jokaiselle suunnittelijalle kannattaa tehdä oma, vaikka suunnittelijan nimeä kantava kansio, jonne suunnittelija voi tallentaa omina tilapäisiä luonnoksiaan.
Luonnoskansion nimessä ei kannata käyttää ääkkösiä (Scandeja) eikä muita erikoismerkkejä, sillä saattaa olla, että jolloin suunnittelijalla on täysin englanninkielinen ympäristö, jossa ääkköset eivät näy.
Asiakkaan tekemät luonnokset tallentuvat Vertex-järjestelmän vxg4(_srv)/shared/skecth-kansioon tai sen alle luotuihin kansioihin.
Toisin kuin malleilla ja piirustuksilla, luonnoksia voidaan raahata kirjastosta toiseen myös Windows'in keinoin (Tulokset näkyvät, kun Vertex käynnistetään uudelleen tai selain päivitetään).
Jos luonnos halutaan siirtää toiseen kansioon, muista kopioida itse tiedosto (.vxm) ja sen pikaselauskuva (.jpg), esim.
luonnos123.vxm
luonnos123.jpg
Pursota luonnos kappaleeksi.
Poistu luonnoksesta OK:lla ja tee lisäävä pursotus.
Anna mitaksi 2 ja kaavakenttään: B.

Testaa mittataulukkoa
Tilannekohtainen toiminto: Mittataulukko.
Syötä haluamiasi arvoja.
Paina OK.
Tallenna malli
File > Tallenna

Testaa kirjastoitua luonnosta
Tee uusi osamalli
File > Uusi > Osa
Anna tunnus.
Täytä arkistotiedot.
Valitse olemassa oleva projekti tai tee uusi projekti.

Lue piirrekirjastosta piirre osamalliin
Toiminto: Lue kirjastopiirre > Lisäten ainetta.
Valitse piirre: Piirteet > Alkeismuodot > suorakulmio.

Anna mitat ja tuo piirteenä
Anna tarvittavat mitat: 200, 150 ja 100.
Tuo piirteenä.

Tuodaanko piirre Osana vai piirteenä
Osana:
Piirteen alkuperäinen historia näkyy piirrepuussa.
Voit tarvittaessa muuttaa kaikkia historiavaiheita ja niiden luonnoksia yksilöllisesti.
Voit myös poistaa sellaisia piirteitä historiapuusta, joita et tarvitse.
Piirteenä:
Tuotu piirre näkyy osamallin historiapuussa vain yhtenä piirteenä.
Voit muokata sitä vain piirteeseen tallennetun mittataulukon avulla.
Paikoita piirre mallin origoon
Piirre on kulmastaan kiinni origossa.
Piirre voidaan sijoittaa mihin tahansa, mutta myöhempää käyttöä ajatellen, olisi parempi, jos piirteen nurkka sijaitsisi mallin origossa.
Sijoita piirre origoon:
Paina numeronäppäintä: 0.
Valitse: Globaalissa koordinaatistossa.
Paina Enter.

Osamallin origo
Kun osa myöhemmin tuodaan kokoonpanoon, on kohdistin kiinni mallin origossa.
Sen takia mallin origon tulisi sijaita geometriaan nähden järkevässä paikassa.
Toki osan sijoituksen yhteydessä kiinnityspistettä voidaan vaihtaa.
Valitse etupinta ja tee siihen luonnos
Ota isometrinen projektio.
Valitse etupinta.
Tilannekohtainen toiminto: Uusi luonnos > Pintaan.

Lue luonnos ja asemoi se
Jos luonnos tai tekemäsi kansio ei näy Luonnokset > Omat-kansiossa, niin päivätä selain tilannekohtaisella toiminnolla Päivitä selain.
Valitse tallentamasi luonnos ja laita se paikoilleen.
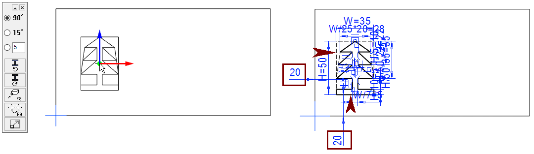
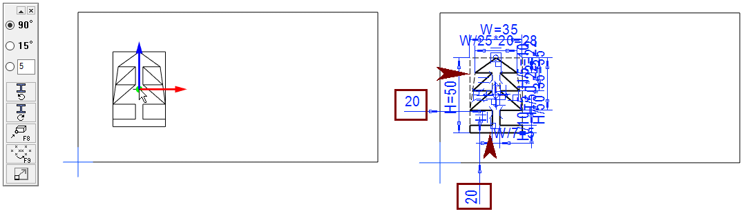
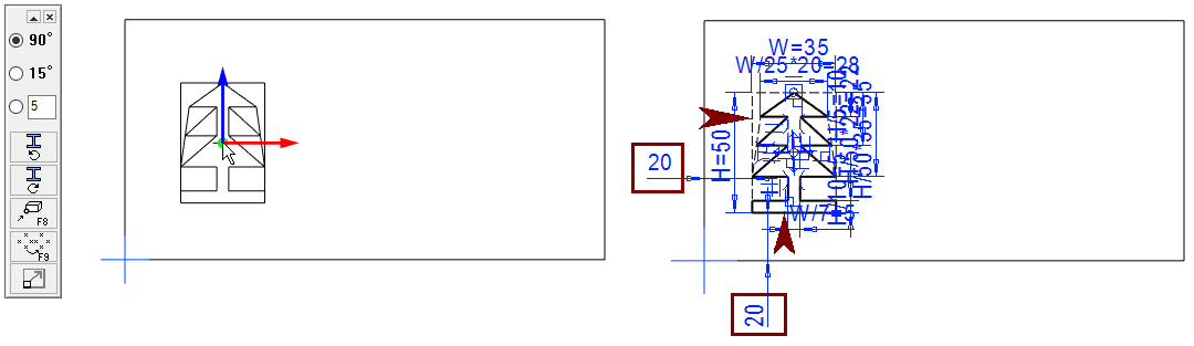
Asemoi luonnos kahdella Etäisyys-ehdolla, 20, oheisen kuvan mukaan.

Luonnoksen asemointi
Työpöydän vasempaan yläkulmaan ilmestyy valikko, jonka avulla (ylhääntä alaspäin) voit:
Säätää kääntökulman, 90 ast., 15 ast. tai syöttämäsi kulman asteina.
Kääntää luonnosta vastapäivään (em. kulman verran).
Kääntää luonnosta myötäpäivään (em. kulman verran).
Osoittaa luonnoksesta kohdistuspisteen. (Myös F8 funktionäppäimellä).
Peilata luonnoksen. (Myös F9 funktionäppäimellä).
Skaalata luonnoksen.
Tee poistava pursotus
OK
Poista pursottamalla: 5
Tee luonnos yläpintaan
Valitse yläpinta ja tilannekohtainen toiminto: Uusi luonnos > Pintaan.

Lisää luonnos ensimmäisen kerran
Tilannekohtainen toiminto: Lue luonnos
Lue luonnos, käännä sitä 90 astetta vastapäivään ja laita paikoilleen.
Muuta luonnoksen kokoa mittataulukolla: H 90 ja W 50
Asemoi luonnos kahdella Etäisyys-ehdolla, 15, oheisen kuvan mukaan.
Hae luonnos uudelleen
Tilannekohtainen toiminto: Lue luonnos > Täydennä.
Lue luonnos, käännä sitä 90 astetta myötäpäivään ja laita paikoilleen.
Muuta luonnoksen kokoa mittataulukolla: H 90 ja W 50
Asemoi luonnos kahdella Etäisyys-ehdolla, 15, oheisen kuvan mukaan.

Luonnoksen mittojen ja keskiristin koko
Luonnoksen mittojen geometria ja keskiristin koko skaalautuvat automaattisesti luonnoksen koon mukaan.
Tähän voit vaikuttaa luonnoksen tilannekohtaisella toiminnolla: Ominaisuudet.
Luonnoksen mittakaava: Auto (automaattisesti skaalautuvat mitat ja keskiristi) tai valittu mittakaava.
Autom. mittakaavan tekstikoko: Kun automaattinen tekstien ja mittojen skaalaus on valittuna, voit tällä arvolla määrittää tekstin suhteellista kokoa.
Luonnosristikon koko: Koon voit säätää vain, kun olet valinnut luonnoksen mittakaavaksi jonkun kiinteän mittakaavan.

Tee lisäävä pursotus ja tee luonnos päätypintaan
OK
Lisää pursottamalla: 4
Valitse yläpinta ja tilannekohtainen toiminto: Uusi luonnos > Pintaan.
Lue luonnos ja sijoita pinnan keskivaiheille.
Muuta luonnoksen kokoa mittataulukolla: H 70 ja W 50.
Paikoita luonnos keskelle.
Käytettävissä olisi sekä Samaetäisyys- että Keskipiste-ehto.
Toiminto: Sama etäisyys.
Osoita viivat, kuvassa 1), 2), 3) ja 4). (Mallin reunaviivat ja luonnoksen apuviivat)
Osoita viivat, kuvassa a), b), c) ja d). (Mallin reunaviivat ja luonnoksen apuviivat)

Tee toimenpide Jakoviiva
Poistu luonnoksesta: OK.
Toimenpide: Jakoviiva.

Jakoviiva
Toimenpide Jakoviiva jakaa pinnan kahteen pintaan. Kunhan viiva joko rajaa pinnan kahteen alueeseen tai katkaisee pinnan kahtia.
Jakoviiva voit tarvittaessa jakaa myös muitakin "luonnostason taakse jääviä" pintoja, jos valitset toimenpide-dialogissa mukaan muita pintoja.
Ohjauskäyrä
Toimenpide Ohjauskäyrä lisää pinnalle luonnoksen geometrian ohjausviivoina. Näitä voidaan käyttää myöhemmin hyväksi uuden luonnoksen tekoon. Kuten tehtiin harjoituksessa 9. Muototiiviste.
Ohjausviivoilla voi olla oma merkityksensä, kun kappaleita sijoitetaan keskenään kokoonpanossa.
Toimenpiteen vaihto toiseksi toimenpiteeksi
Jos haluat vaihtaa toimenpiteen toiseksi (esim. jakoviivan ohjauskäyräksi), niin valitse toimenpide osan historiapuusta ja
Tilannekohtainen valikko: Muokkaa toimenpidettä.
Tallenna malli
File > Tallenna
Varioi kappaleen mittoja
Tilannekohtainen toiminto: Mittataulukko.
Anna H ja W-arvoille uudet mitat.
Huomaat, että kaikkien logojen mitat vaihtuvat kerralla.
Voit peruuttaa tekemäsi mittojen muutokset kumoa-toiminnolla tai näppäimistöltä control+Z

Luonnoksen kaavojen passivointi
Jos sinulla on tarve käyttää samaa kaava-ohjattua luonnosta samassa osamallissa useissa paikoissa mutta eri mitoilla, niin voit "passivoida" luonnoksen kaavat seuraavalla kolmella tavalla:
Poista kaava-kentän sisältö:
Tuonnin jälkeen varioi ja paikoita luonnos paikoilleen.
Muokkaa jokaista luonnoksen mittaa, jossa kaava ja poista Kaava-kentän sisältö.
Vaihda kaava-kentän sisältö:
Tuonnin jälkeen varioi ja paikoita luonnos paikoilleen.
Muokkaa jokaista luonnoksen mittaa, jossa kaava ja muuta Kaava-kentän muuttujan tunnusta.
Kiinnitä luonnos:
Valitse (esim. aitaamalla) luonnoksen geometria.
Tilannekohtainen toiminto: Kiinnitä.
Tämän jälkeen viivat ovat sinisiä ja mittaehdot ovat punaisia, eli ne ovat ylimääriteltyjä, eivätkä enää varioidu.
Kiinnitetyn geometrian saat muokattavaksi valitsemalla geometrian ja tilannekohtaisella toiminnolla: Irrota.
Kaavojen näyttö luonnoksessa
Voit vaikuttaa kaavojen näkymiseen luonnostelussa asetuksella:
File > Käyttäjäasetukset > Piirustukset, mallit > Näkymä > Näytä kaavat

Kaavat näkyvät joka tapauksessa kun muokkaat ehtoa.

