Korvake - ohjauskäyrä
Harjoitus 8: Korvake

Tässä harjoituksessa opimme
Kertaamme luonnostelun viivan piirtoa ja mitoituksia sekä ehtojen lisäyksiä.
Luonnoksen viivojen pyöristys.
Viivan tyylin vaihto.
Ainetta poistavan kierrepiirteen lisäys kappaleeseen, myös kopioina.
Valitseman elementtejä aitaamalla.
Video
Kesto 3min 2sek
Tee uusi osamalli
File > Uusi > Osa
Anna tunnus.
Täytä arkistotiedot.
Valitse olemassa oleva projekti tai tee uusi projekti.

Luonnostele päämuoto
Tee luonnos vaakatasoon: Uusi luonnos > Pysty (XZ)-tasoon.
Toiminto: Suorakulmio, murtoviiva
Luonnostele suorakulmio pystysuunnassa suurin piirtein symmetrisesti keskiristin vaakaviivalle.

Lisää yhtenevyys- ja symmetriaehdot
Toiminto: Yhtenevyys.
Osoita keskiristin pystyviiva, kuvassa 1).
Osoita suorakulmion pystyviiva, kuvassa 2).
Toiminto: Symmetrisyys.
Osoita ensimmäisen viiva, kuvassa 3).
Osoita toinen viiva, kuvassa 4).
Osoita symmetria-akseli, kuvaas 5).

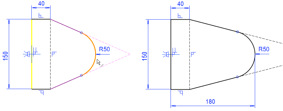
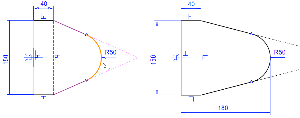
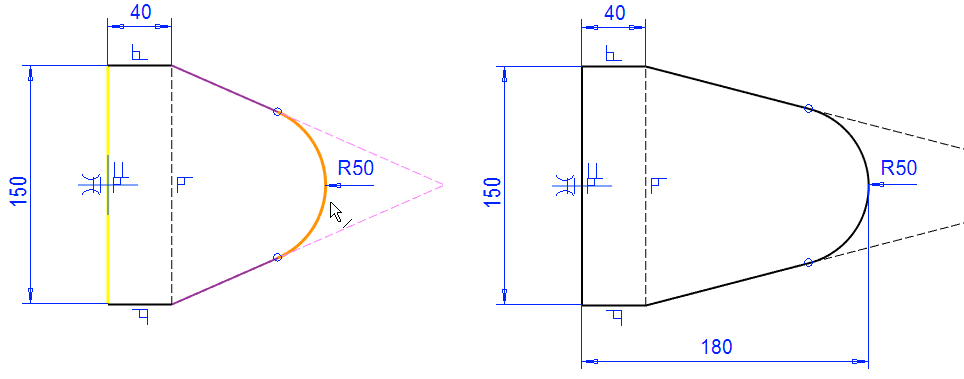
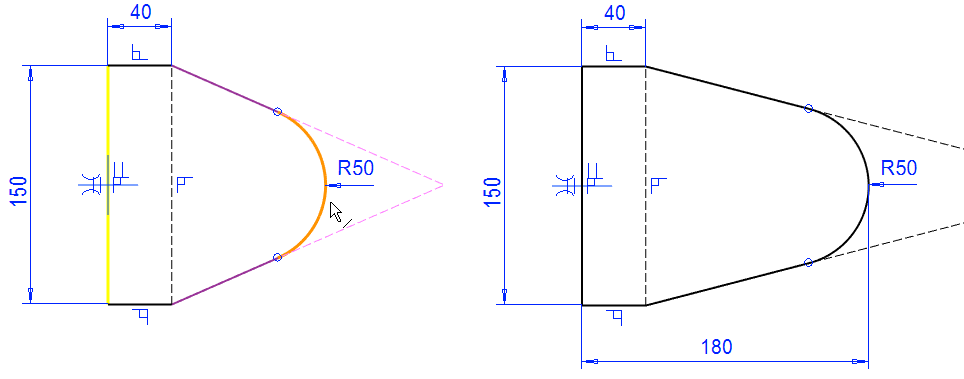
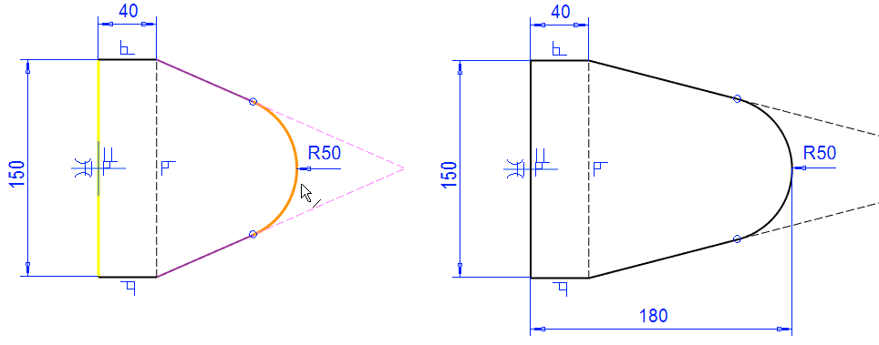
Muuta viiva apuviivaksi ja lisää laatikon mitat
Valitse oikeanpuoleinen pystyviiva ja muuta sen tyyli: Ohjausviivaksi.
Lisää korkeusmitta: 150.
Lisää leveysmitta: 40.

Lisää terävään kärkeen pyöristys
Toiminto: Pyöristä
Valitse ensimmäinen viiva, kuvassa 1).
Valitse toinen viiva, kuvassa 2).
Ohjelma kysyy pyöristyssädettä, Anna arvoksi: 50. Kuvassa 3).
Toinen vaihtoehto pyöristyksen tekemiseen
Osoita piste (kahden viivan yhtymäkohdasta)
Tilannekohtainen valikko: Pyöristä.
Anna pyöristyksen mitta-arvo.

Lisää korvakkeelle pituus
Toiminto Etäisyys.
Osoita korvakkeen vasen pystyviiva.
Osoita ympyrän kaariviiva (ei keskipistettä - Huomaa kohdistimen lisämääre: viiva)
Osoita mittaluvun paikka
sitten että mitta tulee kuvan mukaisen paikkaan eikä ympyrän kaaren jatkeelle.
Anna pituus: 180.

Piirrä ja mitoita neljä ohjausviivaa
Näitä viivoja käytetään myöhemmin kierrepiirteiden paikoitukseen.
Toiminto: Murtoviiva.
Toiminto: Kahden pisteen viiva.
Toiminto: Etäisyys.
Voit tarvittaessa poistaa apuviivat, jotka syntyivät pyöristyksen yhteydessä. Kuvassa X).
Tosin, ne näkyvät vain luonnoksessa, eivät mallissa.
Niillä ei ole toiminnallista merkitystä tässä luonnoksessa.

Pursota kappaleeksi ja valitse pinta luonnostelua varten
Siirry toimenpiteeseen: OK

Lisäävä pursotus: 30.
Valitse: Molempiin suuntiin. (jolloin kartiokkuuden avulla saadaan päästö molempiin suuntiin).
Kartiokkuus: -5 (negatiivinen arvo, jotta kappale supistuu luonnokseen nähden).
OK.
Kartiokkuus vai päästö?
Tässä harjoituksessa käytettiin pursotuksessa negatiivista kartiokkuuden arvoa, jotta päästö saadaan pursotuksen kanssa samalla kertaa.
Oikeaoppisessa kappaleessa päästöä ei olisi korvakkeen päädyssä.
Tällöin pursotus pitäisi tehdä ilman kartiokkuutta ja päästö tehdä erikseen pystyaputason suhteen, jolloin päästettäväksi pinnaksi ei valittaisi korvakkeen päätyä.
Siirry tekemään toista luonnosta
Valitse pinta
Tilannekohtainen toiminto: Uusi luonnos > Pintaan.

Luonnostele reikä ja pursota se kappaleen läpi
Toiminto: Ympyrä (keski- ja kehäpiste).

Osoita ympyrän keskipiste siten että kohdistin hakee pisteen osamallin geometriasta, kuvassa kohta 1).
Osoita ympyrän kehäpiste.
Toiminto: Lisää halkaisijaehto

, anna mitta 50.
Siirry toimenpiteeseen: OK.
Valitse: Poista, Pursota ja Kappaleen läpi.

Haetaan poistava kierrepiirre kirjastosta
Toiminto: Poista ainetta käyttämällä kirjastopiirrettä.

tai tilannekohtainen toiminto: Liitä kirjastopiirre > Poistaen ainetta.
Etsi kirjastopiirre selaimesta: Piirteet > Kierteet > Metrinen > läpiporaus.
Toinen vaihtoehto lisätä poistavia piirteitä
Avaa yleisselain: B-painike tai File > Avaa

Selaile haluamasi Piirre-kirjasto ja valitse piirre.
Valitse ja anna piirteelle haluamasi mitat.
Sijoita se kappaleen pinnalle ja paikoita ehdoin.
Poistu luonnostilasta => Toimenpiteenä on aina Liitä kirjastopiirre > Poistaen ainetta.

Anna piirteen mitat ja lisää se oikean pinnan päälle
Valitse kierrepiirteen koko: M8.
Anna reiän pituus h: 30.
Koska korvakkeen paksuus on 30mm.
Anna kierreosuuden pituus TL: 30.
Koska kierteitys ulotetaan kappaleen koko matkalle.
Osoita piirteen paikka osan sivupinnalta.
Huomaa, että piirteen suunta muuttuu, kun siirrät kohdistinta pinnalta toiselle.


Lisää piirteen kopiot
Tilannekohtainen toiminto: Lisää piirteen kopio.
Lisää pari kopiota, kuvassa 1) ja 2).
Piirteen sijoitus ja ehdot
Kuvassa 1) Piirre on paikoitettu mallissa näkyvän ohjausgeometrian päätepisteeseen, mutta huomaa, että piirteen ja ohjausgeometrian välille ei synny automaattisesti yhtenevyys-ehtoa.
Piirre kyllä pysyy paikoillaan, jos aikaisempi ohjausgeometria ei vaihda paikkaansa.
Mutta jos aikaisempaa piirrettä muokataan, niin piirre ei seuraa tällöin ohjausgeometriaa.

Sido piirteet ehdoilla paikoilleen
Toiminto: Yhtenevyys.
Osoita ohjausgeometriasta viivan päätepiste, kuvassa 1).
Osoita piirteestä keskipiste, kuvassa 2). (Pisteiden osoitusjärjestyksellä ei ole väliä).
Sido kaikki kolme piirrettä yhtenevyyksillä ohjausgeometrian pisteisiin.
Poistu luonnostilasta: OK.
Työkalut ja ohjauskäyrän näkyminen
Luonnos-valintanauhassa on pääosin vain luonnoksen paikoitukseen liittyviä toimintoja, kun olet paikoittamassa piirrettä osan pinnalle.
Viivan piirtotoiminnot, viivatyökalut tai tekstin lisäys eivät ole käytettävissä.
Tilannekohtaisesta valikosta löytyy lisäksi apuviivan piirto ja viivan kopiointi (apuviivaksi) luonnostasoon.
Huomaa, että varjostetussa tilassa pinnan takana oleva geometria on aina piilossa.
Mallissa olevan ohjausgeometrian näkyminenriippuu taas siitä, oletko ottanut apugeometrian näkyviin tai piiloon G-näppäimellä.

Luonnostellaan kolme reikää mallin pintaan
Valitse korvakkeen sivupinta ja ota tilannekohtainen toiminto: Uusi luonnos > Pintaan.
Toiminto: Ympyrä (keski- ja kehäpiste).
Osoita ympyrän keskipiste siten että kohdistin hakee pisteen osamallin geometriasta,
Osoita ympyrän kehäpiste.
Ohjelma lisää nyt ympyrälle samankeskisyysehdon ohjausgeometrian pisteiden kanssa, joten jos aikaisempi ohjausgeometria muuttuu, niin ympyrät seuraavat mukana.
Tämän voit todeta piirrepuun alla näkyvästä ehtojen luettelosta.

Annetaan ympyröille samasäde-ehto
Ensin suoritetaan elementtien valinta aitaamalla ne ja sen jälkeen annetaan Sama säde-ehto.
Osoita piste avaruudesta (kun mikään toiminto ei ole käynnissä), kuvassa 1) ja pidä hiiren painike painettuna.
Siirrä kohdistin siten että valittavat geometriat jäävät sisälle, kuvassa 2).
Vapauta hiiren painike. Nyt sisään jääneet elementit ovat valittuna.
Tilannekohtainen toiminto: Ehdot > Sama säde.

Anna yhdelle ympyrälle halkaisija
Toiminto: Halkaisija

.
Osoita ympyrää.
Sijoita mittaluku.
Anna halkaisijan arvo: 12.

Lopeta luonnostelu ja tee poistava pursotus
Valitse OK joko valintanauhasta tai tilannekohtaisesta valikosta.
Ohjelma hyppää valikkoon Pursotuksen tiedot.
Valitse: Poista ja Pursota.
Valitse: Kappaleen läpi

Tallenna malli
File > Tallenna tai paina

tai


Mallin jatkojalostus (esitelty harjoituksessa 5. Kääntövipu)
Voit antaa mallille raaka-ainenimikkeen tilannekohtaisella toiminnolla: Nimiketiedot.
Nämä näkyvät piirustuksen osaluettelossa.
Voit tehdä mallille työpiirustuksen:
Valitse piirrepuusta kohta: Piirustukset.
Tilannekohtainen toiminto: Uusi piirustus.