Piirustuskurssi



Yleistä
Tämän sivuston avulla opit piirtämään Vertex-ohjelmilla itsenäisiä 2D-piirustuksia.
Kurssin harjoitukset on jaettu toiminnallisiin ryhmiin.
Kussakin harjoituksessa on paljon pieniä harjoituksia, joilla yksittäiset toiminnot harjoitellaan. Toisin sanoen on mahdollista opetella paljon pieniä "piirtotemppuja", joiden soveltaminen omiin tarpeisiin jää käyttäjän omalle vastuulle.
Tätä sivustoa voit käyttää jossain määrin myös ohjelman opasteena, vaikka varsinainen opas aukeaakin Vertex-työpöydän oikean yläkulman
-painikkeella.Ennen piirustuskurssia kannattaa tutustua Arkistojen käyttöön ja käyttöliittymään osuudessa /wiki/spaces/G42024FI/pages/34490813 olevien harjoitusten 1..4 avulla.
/wiki/spaces/G42024FI/pages/34490961
Tässä tutustutaan uuden piirustuksen luontiin ja tallennukseen sekä poistoon työpöydältä sekä vanhan piirustuksen etsintään ja avaukseen piirustusarkiston avulla.
Harjoituksessa käsittellään myös uuden projektin perustaminen sekä projektin tietojen että piirustusarkistotietojen syöttö sekä otsikkotaulun sisältävän lomakkeen lisäys piirustukseen.
/wiki/spaces/G42024FI/pages/34490981
Tässä harjoituksessa käydään läpi kaikki erilaiset viivan piirtämistoiminnat ja tutustutaan ohjelman piirron yhteydessä tarjoamiin vaaka-, pysty- ja 45° viivaimiin sekä määrämittaisten viivojen piirtoon.
Harjoituksessa muokataan viivan ominaisuuksia, kuten viivatyyppiä, viivan leveyttä ("paksuutta"), tasoa ja väriä.
/wiki/spaces/G42024FI/pages/34490983
Tässä tutustutaan viivojen piirron yhteydessä käytettäviin viivaimiin, joita ovat esim. kulmaviivan, kulman puolittajaviivain ja tangenttiviivaimet.
Lisäksi harjoitellaan symmetristen viivojen piirtoa ja yksittäisten viivojen yhdistämistä yhdeksi viivaketjuksi sekä murtoviivan piirtoa yksittäisiksi viivoiksi tai yhtenäiseksi murtoviivaketjuksi.



/wiki/spaces/G42024FI/pages/34490985
Tässä tutustutaan ympyröiden ja kaaren piirron yhteydessä käytettäviin viivaimiin. Näiden avulla voidaan ympyrä piirtää esim. tangentiaaliseksi yhdelle, kahdelle tai kolmelle viivalle.
/wiki/spaces/G42024FI/pages/34490987
Tässä tutustutaan ohjelma tarjoamiin automaattisiin tartuntoihin, esim. viivaan tai viivan pääte- ja keskipisteisiin tai ympyrän kehä- tai keskipisteeseen tai viivojen risteyspisteisiin.
Tutustutaan myös näppäimistökomentoihin, joilla voidaan ohjata kohdistimen tarttumista. Näppäimistökomennoilla voidaan myös ohjata viivaa piirtymään vaaka- ja pystysuuntien lisäksi viivalle yhdensuuntaiseksi tai kohtisuoraksi.
Tutustutaan suhteelliseen osoittamiseen, eli esim. ympyrän keskipiste piirretään alkamaan tarkasti tietyn matkan päähän osoitetusta nurkkapisteestä.
/wiki/spaces/G42024FI/pages/34490989
Tässä tutustutaan piirustusgeometrian venyttämiseen sekä sellaisiin trimmaustoimintoihin, jotka muokkaavat ja lisäävät piirustukseen viivoja, esim. lisäämällä viivojen väliin pyöristyksen tai viisteen.



/wiki/spaces/G42024FI/pages/34490991
Tässä tutustutaan sellaisiin trimmaustoimintoihin, jotka pääosin leikkelevät viivoja, kuten viivan osan poistoon tai viivojen keskinäiseen trimmaukseen.
Täällä käsitellään myös murtoviivaketjun pisteiden (epäjatkuvuuskohtien) lisääminen, murtoviivaketjun räjäyttäminen yksittäisiksi viivan pätkiksi ja viivojen yhdistäminen viivaketjuksi.
/wiki/spaces/G42024FI/pages/34490993
Tässä käsitellään valitun geometrian siirtämistä, kopioimista ja peilaamista sekä niihin liittyviä käännöksiä (kiertämistä) haluttuihin suuntiin, myös vertailusuorien suuntiin sekä geometrian skaalaamista.
Harjoituksessa käsitellään myös piirustuksen geometrian sarja-käsitettä.
/wiki/spaces/G42024FI/pages/34490995
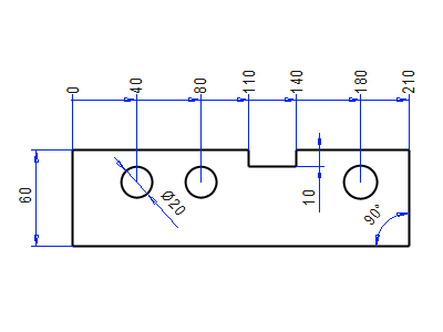
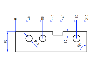
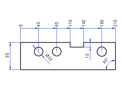
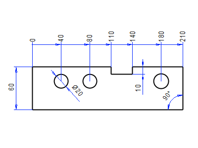
Tässä tutustutaan piirustuksen monipuolisiin mitoitustapoihin ja mittojen lisäyksen aputoimintoihin.
Tutustutaan mittojen muokkaukseen, myös mittasymbolien, mittaviivojen ja mitta-apuviivojen muokkaukseen.
Muutetaan (kopioidaan) mm-mitoitus erilaisiksi tuumamitoituksiksi. Tutustutaan etäisyyden mittaustoimintaan, jolla voidaan tarkastaa mittoja, ilman että mittaa lisätään.



/wiki/spaces/G42024FI/pages/34490963
Tässä tutustutaan kuvioiden eli leikkausviivoituksen (hatch) lisäämiseen ja muokkaamiseen.
Harjoitus sisältää aukkojen lisäämisen myös jo tehtyyn leikkausviivoitukseen ja väritäyttökuviot.
/wiki/spaces/G42024FI/pages/34490965
Tässä tutustutaan tekstien, myös viiteviivallisten tekstien tai taulukkotekstien lisäämiseen ja muokkaamiseen. Tekstejä muotoillaan mm. alleviivauksen, ylä- ja alaindeksein ja tekstin parametrien perusteella.
Harjoituksessa käsitellään tekstitaulukoiden muokkausta ja mm. Excel-taulun sisältämän tiedon kopiointi tekstitaulukoksi piirustukseen.
Tutustutaan vakiotekstien lisäämiseen, tallentamiseen ja sanakirjatoimintoihin.
/wiki/spaces/G42024FI/pages/34490967
Tässä tutustutaan itsenäisten piirustusten (= piirustusta ei ole tuotettu mallista, jossa on osan nimiketiedot on annettu osamallille) osaluettelotoiminnallisuuksiin.



/wiki/spaces/G42024FI/pages/34490969
Tässä tutustutaan ryhmien manuaaliseen ja automaattiseen muodostamiseen sekä ryhmille tehtäviin siirto, kierto, kopiointi ja sarjatoimintoihin.
Muutetaan ryhmä kuvakohtaiseksi symboliksi (joka vastaa AutoCadin block-käsitettä) ja tallennetaan ryhmä symbolikirjastoon esim. automaattisesti piirustuksen mittakaavan mukaan skaalautuvaksi lomakkeeksi tai logoksi.
Tutustutaan ns. 2½ D-suunnittelun, jossa symboli sisältää kuvion ja kuviolla Z-koordinaatti.
/wiki/spaces/G42024FI/pages/34490971
Tässä tutustutaan koneensuunnittelupiirustukseen lisättäviin merkintöihin, kuten geometrisiin toleranssimerkintöihin, hitsaus- ja pintamerkkeihin, särmä- ja pinnanvika-merkkeihin.
Lisäämme myös leikkausmerkinnät ja tutustumme, kuinka mallin piirustukseen voidaan noutaa osamallin piirrelista ja mallin profiilin tiedot.
/wiki/spaces/G42024FI/pages/34490973
Tässä tutustutaan rasterikuvien lisäämisen ja niille mahdollisiin muokkaustoimintoihin, kuten skaalaukseen, siirtämiseen, peilaamiseen ja alueen kopiointiin tai alueen tyhjennykseen.



/wiki/spaces/G42024FI/pages/34490975
Tässä tutustutaan alikuvatekniikkaan, jolla toinen piirustus saadaan näkymään omassa piirustuksessa tarvittaessa suodatettuna tasojen mukaan ja rajattuna näkyviin vain tietyltä kohdalta.
Alipiirustusten käyttökohteena voisivat olla layout-kuvat, joista tarkemmin harjoituksessa.
/wiki/spaces/G42024FI/pages/34490977
Tässä tutustutaan ympyrämäisten ja suorakulmaisten osasuurennosten tekoon.
Harjoituksessa käydään läpi myös piirustuksen eri mittaiset projektioalueet. Projektioalueiden avulla on mahdollista esittää pitkiä kappaleita myös katkaistuna, mutta siten että mitoitus toimii, kuten kappaletta ei olisi katkaistukaan.
/wiki/spaces/G42024FI/pages/34490979
Tässä tutustutaan erilaisiin tapoihin muokata elementtien ominaisuuksia. Osa tavoista on jo aiemmin esitelty kutakin elementtityyppiä koskevien harjoitusten yhteydessä.
Täällä käsitellään myös aitaamalla valinnan erilaiset tavat ja joitain piirustuksen ominaisuuksia (parametrejä).


