Skip to main content
Skip table of contents

9. Lisää ja muokkaa mittoja

Tässä harjoituksessa opimme

  • Käyttänään ns. pikamitoitusta

  • Käyttämään muita mitoitustoimintoja

  • Muokkaamaan mittoja

  • Mittaamaan etäisyyksiä ja reittejä.

  • Lisäämään reunan (viivaketjun) pituuden viiteviivallisena tekstinä kuvaan.

Luo uusi piirustus

  • File > Uusi > Piirustus

    • Anna tunnus ("piirustusnumero")

    • Täytä arkistotiedot.

    • Valitse olemassa oleva projekti tai tee uusi projekti.

Lisää piirustuslomake ja päätä mittakaava ennen mitoitusta.

  • Toiminto Lue > Symboli tai tilannekohtainen toiminto Lue symboli tai

    -selain.

  • Tilannekohtainen toiminto: Ominaisuudet > Mittakaava.

  • Kuvattu tarkemmin ensimmäisessä harjoituksessa.

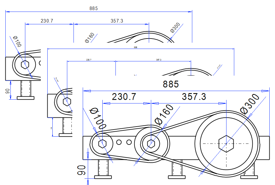
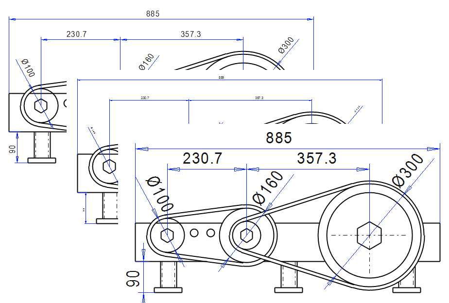
Vertexin mitat ovat vakiokokoisia

Vertexin mittojen (ja tekstien) korkeus annetaan aina suhteellisena korkeutena, eli tekstit on suhteutettu mittakaavaan.

  • Tämän takia voit useimmiten hyväksyä tekstin oletuskorkeuden 3,5mm.

  • Tämä korkeus säilyy tulostuksessa, vaikka muuttaisit piirustuksen mittakaavaa, edellyttäen että tulostat A4-kokoisen piirustuksen A4-kokoiselle paperille, A3-kokoisen piirustuksen A3-paperille jne.

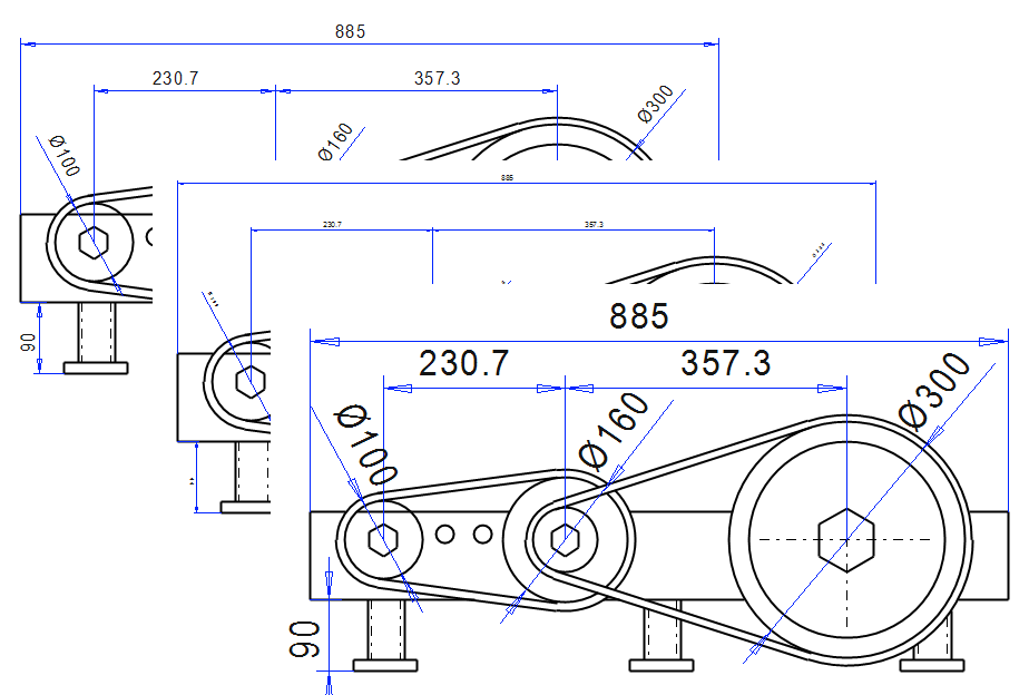
Mittojen sijainti suhteessa geometriaan ei muutu, jos muutat piirustuksen mittakaavaa.

  • Viereiseen kuvaan on kaapattu sama geometria, kun mittakaava on ylhäältä alkaen 1:2, 1:5, ja 1:10. Piirustuslomakkeen koko on A2.

  • Näet, että kaikissa mittateksti on saman korkuinen.

Mitat, jotka tulostettaessa tämä A2-lomake A2-paperille, näyttäisivät suhteessa geometriaan seuraaville.

  • Ylinnä 1:5, sitten 1:2 ja alinna 1:10.

  • Älä kiinnitä alakuvassa huomiota mittojen korkeuteen (ne ovat aina 3,5mm), vaan siihen että mittaviivan absoluuttinen etäisyys geometriaan nähden säilyy samana, vaikka piirustuksen mittakaava muuttuu.

  • Koska mitan absoluuttien etäisyys geometriasta säilyy, niin suhteellinen etäisyys muuttuu mittakaavan muuttuessa. Tämän takia on tärkeää, että päätät piirustuksen mittakaavan ennen mitoitusta.

Tarkastele mitoituksen asetuksia

  • Toiminto Mitta > asetukset.

Yleiset sivu

  • Tällä sivulla voit säätää mittaviivan päiden symbolit ja mitta-apuviivan pituuden.

  • Voit ottaa myös itse mittaviivan pois.

Suosittelemme

Käytä kullekin toimialalle suunnattuja mitoitusstandardeja

  • Mittojen esitystavat poikkeavat ilmeisesti koneenrakennuksen ja talonrakennuksen toimialoilla jonkin verran toisistaan.

Smart mitoitus sivu

  • Tältä sivulta voit vaikuttaa siihen, piirretäänkö säteen mitoituksessa ympyrälle/kaarelle pieni keskiristi ja jatkuuko säteen mittaviiva mitta-apuviivana keskipisteeseen saakka.

  • Edelleen saat halkaisija ja sädemittaan viiteviivan.

  • Lisäksi voit vaikuttaa siihen, missä kohdin vinossa olevan viivan mittaussuunta on vaaka- tai pystysuunta tai milloin se on viivan suunta.

  • Voit vaikutta myös siihen milloin halkaisijamitta joka on ympyrän ulkopuolella, piirretään kuten halkaisija mitta, vai milloin se piirretään kuin etäisyysmitta.

Muut sivu

  • Tällä sivulla voit vaikuttaa mm. mittalukujen keskinäiseen etäisyyteen (Perusviivamitoituksessa) ja sellaisissa tapauksissa kun osoitat mitoittaessasi toisen mitan referenssimitaksi.

  • Katso kuvasta asetuksia.

Pari huomioita

  • Jos haluat välttyä mittaluvun paikan osoitukselta, niin valitse Mittalukujen automaattinen sijoitus keskelle (smart mitoitus).

    • Seuraavissa harjoituksissa sitä ei ole valittu ja siksi niissä on mukana ohje: Osoita mittaluvun paikka.

  • Valinta Poista mitta automaattisesti, jos kytkentä häviää.

    • Jos piirustuksesta poistetaan jokin viiva, jossa on mitta kiinni, niin tästä asetuksesta riippuu, poistetaanko mitta vai jääkö se piirustukseen.

    • Tällainen referenssinsä menettänyt mitta piirretään violetilla värillä, jotta kiinnittäisit siihen huomiota.

  • Valita Ø-merkki vain tarvittaessa.

    • Uusin piirustusstandardi SFS-EN ISO 128, määrittelee, että Ø-merkki lisätään aina myös ympyrään, kun aiemmin halkaisija-merkkiä ei käytetty ympyrän mitoituksessa.

    • Tällä valinnalla voidaan päästä vanhaan tapaan.

Lisää viivan pituusmitta

Piirrä ensin vino viiva

  • Toiminto. Mitta.

  • Osoita viiva.

  • Siirrä kohdistinta sen mukaan, minkä suuntaisen mitan haluat viivalle antaa.

  • Osoita mittaluvun paikka.

Lisää harjoituksen vuoksi vinolle viivalle kaikki kolme mittaa.

Käytä pikamitoitusta kulman mitoitukseen

Piirrä ensin kuvan mukainen geometria (pari viivaa yhteisellä päätepisteellä, ympyrä ja ympyrän kaari)

  • Toiminto. Mitta.

  • Osoita viiva. Kuva 1).

    • Ohjelma ehdottaa viivalle pituusmittaa.

  • Osoita toinen viiva. Kuva 2).

    • Ohjelma ehdottaa viivoille kulmamittaa.

  • Siirrä kohdistinta kulman ympäri. Kuvat 3a), 3b), 3c), ja 3d).

    • Ohjelma ehdottaa erilaisia kulmamittoja.

  • Napsauta mitta haluamaasi paikkaan. Kuva 4).

Lisää mitta-apuviivat molemmille kulmaviivoille

  • Toiminto: Mitta tai Mitta > Kulma.

  • Osoita ensin molemmat kulman viivat.

  • Tilannekohtainen pop-up-toiminto: Vastinkulma.

  • Vie kohdistin sille sektorille, että ohjelma piirtää molemmille viivoille apuviivan.

  • Napsauta mitta paikoilleen.

Käytä pikamitoitusta halkaisijan mitoitukseen

  • Toiminto. Mitta.

  • Osoita ympyrä. Kuva 1).

    • Ohjelma ehdottaa ympyrälle halkaisijamittaa ja mahdollisesti mitta-apuviivoja.

  • Siirrä kohdistinta eri puolille ympyrää tai eri paikkoihin ympyrän sisäpuolella. Kuva 2a....n).

  • Napsauta halkaisijamitta haluamaasi paikkaan. Kuva 3).

Käytä pikamitoitusta säteen mitoitukseen

  • Toiminto. Mitta.

  • Osoita kaari. Kuva 1).

    • Ohjelma ehdottaa kaarelle sädemitta ja mahdollisesti mitta-apuviivoja.

  • Siirrä kohdistinta eri puolille ympyrää tai eri paikkoihin ympyrän sisäpuolella. Kuva 2a...n).

  • Napsauta sädemitta haluamaasi paikkaan. Kuva 3).

Lisää halkaisijamitta

  • Toiminto: Halkaisija.

  • Osoita ympyrä tai kaari.

  • Osoita halkaisijamitan paikka (kuten edellä pikamitoitusta käytettäessä).

  • Osoita ympyrä.

  • Tilannekohtainen pop-up-toiminto: Viiteviivallinen mitta.

  • Osoita halkaisijamitan paikka.

    • Mitta piirretään vaakasuoran viiteviivan päälle (Kuvan oikealla alhaalla).

Lisää sädemitta

  • Toiminto: Säde.

  • Osoita kaari tai ympyrä

  • Osoita sädemitan paikka (kuten edellä pikamitoitusta käytettäessä).

  • Osoita kaari tai ympyrä.

  • Tilannekohtainen pop-up-toiminto: Viiteviivallinen mitta.

  • Osoita sädemitan paikka.

    • Mitta piirretään vaakasuoran viiteviivan päälle (Kuvan oikealla alhaalla)

Lisää sädemitta, jolla on mitta-apuviiva ympyrän/kaaren keskipisteeseen

  • Toiminto: Mitta > Säde + keskipiste.

  • Osoita kaari tai ympyrä

  • Osoita sädemitan paikka.

    • Ohjelma piirtää ympyrän tai kaaren keskipisteeseen pienen ristin ja lisää mitta-apuviivan keskipisteen ja mitan välille.

Vaihtoehto toiminnolle

Laita seuraava asetus voimaan:

  • Mitta > Asetukset > Smart mitoitus-välilehti > Merkkaa sädemitan keskipiste.

  • Tällöin myös toiminto Säde tuottaa saman mitta-apuviivan.

Lisää kaaren pituusmitta

  • Toiminto: Mitta > Kaaren pituus.

  • Osoita kaari.

  • Osoita mittaluvun paikka.

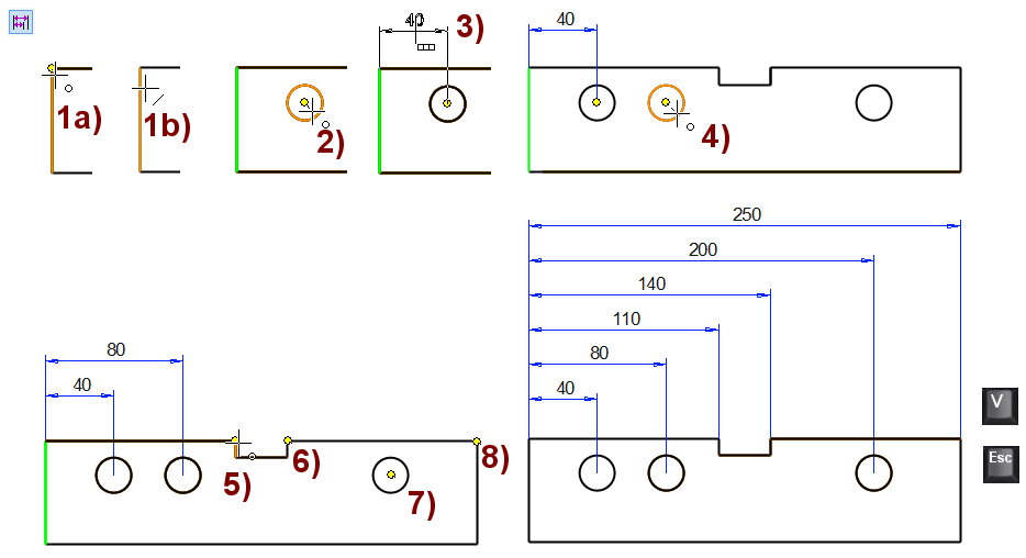
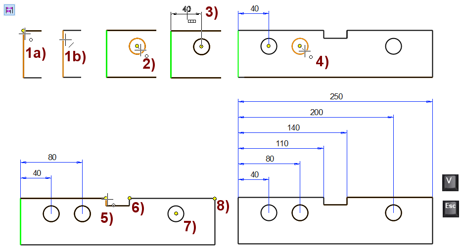
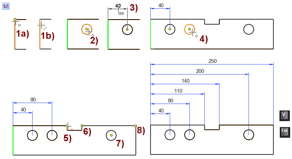
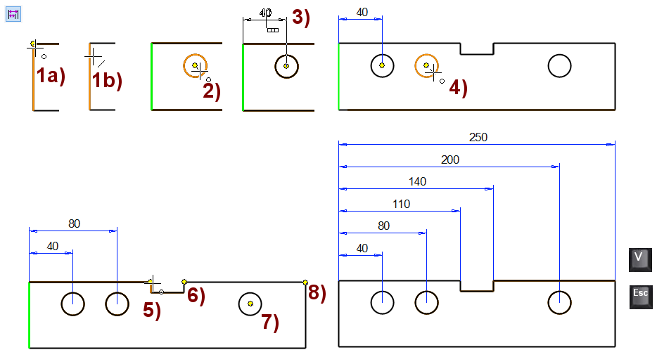
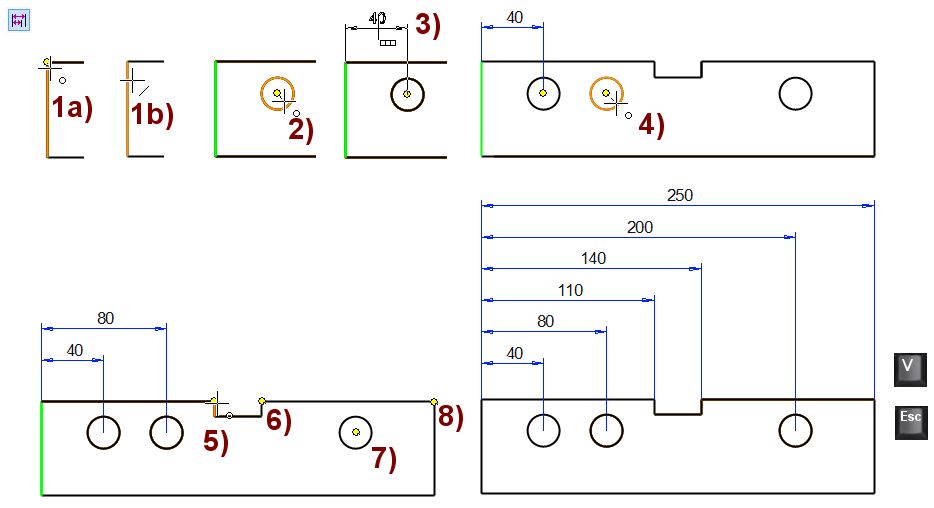
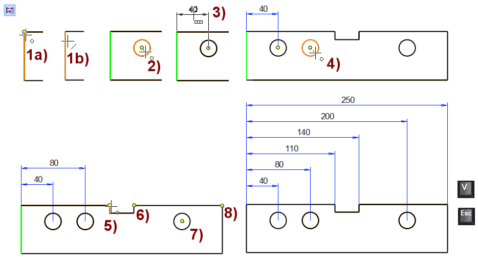
Lisää jatkuva perusviivamitta

Piirrä ensin oheisen kuvan mukainen muoto tai joku muu viivaketju.

  • Toiminto: Jatkuva perusviiva.

  • Osoita alkupiste. Kuva 1a) tai mitoituslinjaa vastaan kohtisuorassa oleva viiva. Kuva 1b).

  • Osoita loppupiste. Kuva 2).

    • Ohjelma näyttää mitan ja kysyy mittaluvun paikkaa.

  • Osoita mittaluvun ja mittaviivan paikka. Kuva 3).

    • Ohjelma kysyy loppupistettä uudelleen ja uudelleen.

  • Osoita ketjun muut pisteet. Kuva 4), 5), 6), 7) ja 8).

    • Mittaluku lisätään automaattisesti samaan "ketjuun"

Lopeta tämän jatkuvan perusviivamitan lisäys ja aloita uusi jatkuvan perusviivamitan lisäys

  • Paina hiiren keskinäppäintä tai

  • Paina

    -näppäintä.

  • Osoita seuraavan perusviivamitan alkupiste (viiva tai piste) jne.

Lopeta jatkuva perusviivamitoitus

  • Valitse jokin toinen toiminto tai

  • Paina

    -näppäintä tai

  • Paina toistamiseen

    -näppäintä tai

  • Paina toistamiseen hiiren keskinäppäintä.

Lisää perusviivamitta

  • Toiminto: Perusviiva.

  • Osoita alkupiste. Kuva 1a) tai mitoituslinjaa vastaan kohtisuorassa oleva viiva. Kuva 1b).

  • Osoita loppupiste. Kuva 2).

    • Ohjelma näyttää mitan ja kysyy mittaluvun paikkaa.

  • Osoita mittaluvun ja mittaviivan paikka. Kuva 3).

    • Ohjelma kysyy loppupistettä uudelleen ja uudelleen.

  • Osoita ketjun muut pisteet. Kuva 4), 5), 6), 7) ja 8).

    • Mittaluku lisätään automaattisesti samaan "ketjuun"

Lopeta tämän perusviivamitoitus ja aloita uusi perusviivamitoitus

  • Paina hiiren keskinäppäintä tai

  • Paina

    -näppäintä.

  • Osoita seuraavan perusviivamitan alkupiste (viiva tai piste) jne.

Lopeta perusviivamitoitus

  • Valitse jokin toinen toiminto tai

  • Paina

    -näppäintä tai

  • Paina toistamiseen

    -näppäintä tai

  • Paina toistamiseen hiiren keskinäppäintä.

Lisää ketjumitoitus

  • Toiminto. Ketju.

  • Osoita alkupiste. Kuva 1a) tai mitoituslinjaa vastaan kohtisuorassa oleva viiva. Kuva 1b).

  • Osoita loppupiste. Kuva 2).

    • Ohjelma näyttää mitan ja kysyy mittaluvun paikkaa.

  • Osoita mittaluvun ja mittaviivan paikka. Kuva 3).

    • Ohjelma kysyy loppupistettä uudelleen ja uudelleen.

  • Osoita ketjun muut pisteet. Kuva 4), 5), 6) ja 7).

    • Mittaluku lisätään automaattisesti samaan "ketjuun"

Lopeta tämän ketjun mitoitus ja aloita uuden ketjun mitoitus

  • Paina hiiren keskinäppäintä tai

  • Paina

    -näppäintä.

  • Osoita seuraavan mittaketjun alkupiste (viiva tai piste) jne.

Lopeta ketjujen mitoitus

  • Valitse jokin toinen toiminto tai

  • Paina

    -näppäintä tai

  • Paina toistamiseen

    -näppäintä tai

  • Paina toistamiseen hiiren keskinäppäintä.

Ketjumitoitus on huono mitoitustapa

Ketjumitoitusta tulisi välttää, koska siinä mittausvirheet kertautuvat.

Lisää mitta samalle linjalle aikaisemman mitan kanssa

  • Toiminto: Mitta.

  • Osoita mitoitettava viiva. Kuva 1).

  • Osoita referenssimitta, jonka linjalle haluat mitan asettuvan. Kuva 2).

  • Rahaa mitta haluamaasi paikkaan. Kuva 3).

  • Napsauta mitta paikoilleen. Kuva 4).

Mitat eivät on kuitenkaan ketjussa

Edellä kuvatulla tavalla samalle tasolle lisätyt mitat eivät ole samaan tyyliin yhdessä kuin toiminnolla Ketju (ketjumitoitus) lisätyt mitat.

  • Eli voit raahata näitä mittoja yksitellen.

Jos raahaat ketjuna mitoitettua mittaa, niin samaan ketjuun kuuluvat mitat raahautuvat mukana

Levityskuvien mitoitus

Valikosta löytyy kaksi levityskuvien mitoitukseen liittyvää toimintoa, mutta niillä ei tänä päivänä laser-leikkuukoneiden aikakautena ole enää käytännön merkitystä.

Kääntele mittanuolien suuntia tai mittaluvun paikkaa.

Mittanuolien suunta on normaalisti ulospäin, jos nuolen kärjet vain mahtuvat järkevästi mitta-apuviivojen väliin. Jos ne eivät mahdu, osoittavat nuolen kärjet sisäänpäin.

  • Toiminto: Mitat > Käännä mittanuolet.

  • Tilannekohtainen pop-up-valikko

    määrittelee miten mittanuolet ja mitta sijoittuvat.

    • Oletuksena (vasen painike), mittanuolet käännetään osoittamaan ulospäin.

    • Keskelle mittanuolet käännetään osoittamaan sisäänpäin.

    • Oikeanpuoleisella painikkeella mittaluku saadaan hyppäämään joko oikean tai vasemman puoleisen mitta-apuviivan ulkopuolelle ja nuolet kääntymään sisäänpäin.

Muokkaa mittoja

Lisää mittoihin toleranssi

Voit lisätä mittoihin toleranssin jälkikäteen tai voi määrittää että mitta avautuu heti lisäyksen jälkeen muokattavaksi, jolloin toleranssin voi lisätä saman tien. Toleranssit voit listä kirjoittamalla mitat tai syöttämällä toleranssiluokan nimen.

Avaa mitta:

  • Kaksoisnapsauta jo kuvassa olevaa mittaa tai

  • Käytä mitan lisäyksessä tilannekohtaista pop-up-toimintoa: Muokkaa mittaa lisäyksen jälkeen.

    • Aputoiminto jää voimaan seuraavia mittoja varten, kunnes käyt kytkemässä sen pois päältä.

  • Kirjoita toleranssi, esim.

    • +-0.4 (kuvassa vasemmalla keskellä)

    • +0.2-0.4 (vasen alakuva).

    • kirjoita toleranssiluokka (kuvassa oikean puoleiset esimerkit).

Raahaa mittaa uuteen sijaintiin

  • Osoita mittaa

  • Paina hiiren valintapainike alas ja pidä se alhaalla.

  • Raahaa mitta uuteen paikkaan.

  • Vapauta hiiren valintapainike.

Pituusmitan tai pituusmitan kaltaisen halkaisijamitan suunta ei muutu.

Kulmamitan mitoitusperuste ei muutu.

Lisää uusi mitta jatkuvaan perusviivamittaan

  • Valitse jokin ketjun mitta. Kuva 1).

  • Tilannekohtainen toiminto: Muokkaa ketjua. Kuva 2).

  • Osoita ketjuun lisättävät pisteet. Kuva 3).

    • Voit osoittaa useita pisteitä.

  • Täydennä ketju:

    • Paina hiiren keskinäppäintä tai

    • Paina

      -näppäintä.

    • Valitse tilannekohtainen toiminto:

Poista perusviivamitasta yksi mitta

  • Valitse poistettava mitta.

  • Paina Delete-näppäintä tai tilannekohtainen toiminto: Poista tai Poista ketjusta.

Poista koko perusviivamittaketju

  • Aitaa kaikki perusviivaketjun mitat.

  • Paina Delete-näppäintä tai tilannekohtainen toiminto: Poista

Siirrä perusviivamitan paikkaa

  • Valitse jokin ketjun mitta ja pidä kohdistin painettuna.

  • Raahaa mitta uuteen sijaintiin ja vapauta kohdistin.

    • Kaikki ketjun mitat siirtyvät uuteen paikkaan.

Siirrä yksittäisen mitan paikkaa perusviivamitasta

  • Valitse siirrettävä mitta. Kuva 1).

  • Tilannekohtainen toiminto: Asettele. Kuva 2).

    • Mitta irtoaa ja voit raahata sen uuteen paikkaan.

  • Napsauta mitta uuteen paikkaan. Kuva 3).

    • Ohjelma kysyy: Siirretäänkö myös liittyviä mittoja.

  • Vastaa Ei (tai Kyllä, jos haluat siirtää kaikkia mittoja). Kuva 4).

Asemoi mitat samalle linjalle jälkikäteen

  • Toiminto: Mitta > Asettele mitta.

  • Osoita aseteltava mitta.

  • Osoita referenssimitta, jonka linjalle haluat mitan asettuvan.

  • Rahaa mitta haluamaasi paikkaan.

  • Napsauta mitta paikoilleen.

  • Osoita seuraava aseteltava mitta jne.

Lopeta mittojen asettelu

  • Paina hiiren keskimmäistä näppäintä, V- tai Esc-näppäintä tai käynnistä toinen toiminto.

Vaihtoehtoinen tapa käynnistää mitan asettelu

  • Valitse mitta.

  • Tilannekohtainen toiminto: Asettele mitta.

  • Osoita referenssimitta, jonka linjalle haluat mitan asettuvan.

  • Rahaa mitta haluamaasi paikkaan.

  • Napsauta mitta paikoilleen.

  • Osoita seuraava aseteltava mitta jne.

Kopioi mitat tuumamitoiksi (Muunna tuumiksi)

Toiminto ei varsinaisesti muunna mittalukuja. Sen sijaan se lisää uudet mittaluvut halutulla lailla vanhojen mittalukujen paikalle, mutta uusille tasoille.

  • Riippuen valitusta "muunnos-metodista", uudet mitat generoidaan tasoille 150 ... 155.

    • Oletusmetodilla (kuvassa) tuumamitat menevät tasolle 153.

  • Toiminto: Mitat > Muunna tuumiksi.

  • Valitse tyyppi. Kuva 1).

    • Tuumamitat jako-osina. (Tasolla 153).

    • Millimitat ja tuumamitat jako-osina hakasulkeissa. (Tasolla 154).

    • Tuumamitat jako-osina ja millimitat hakasulkeissa. (Tasolla 155).

    • Tuumamitat kymmenyksinä. (Tasolla 150).

    • Millimitat ja tuumamitat kymmenyksinä hakasulkeissa. (Tasolla 151).

    • Tuumamitat kymmenyksinä ja millimitat hakasulkeissa. (Tasolla 152).

  • Valitse mittojen tarkkuus. Kuva 2).

  • OK.

Vain näkyvät mitat muutetaan

Huomaa, että näkyvissä olevat mitat muutetaan.

  • Jos haluat että vain osa piirustuksen mitoista muutetaan tuumiksi, niin muuta ensin haluttujen mittojen tasoa ja piilota mittataso (6) ja tee sen jälkeen mittamuunnos.

  • Palauta tämän jälkeen mittataso (6) ja haluttu tuumamittojen taso näkyville ja piilota taso, jonne siirsit muutettavat mitat.

Muokkaa mitan ominaisuuksia

  • Valitse mitta.

  • Tilannekohtainen toiminto: Ominaisuudet.

    • Ohjelma avaa dialokin, jossa on kolme välilehteä: Teksti, Ominaisuudet ja Mitan päät.

  • Teksti-välilehti

    • Muokkaa mittaluvun sisältö, esim. etu ja jälkiliitteitä

    • Valitse mittatarkkuus

    • Valitse mittanuolien suunta

    • Jos mittaluku ei vastaa geometriaa, niin valitse Valehdeltu mittaluku, jolloin mittaluvun alle piirretään viiva, eikä mitta päivity, vaikka geometria muuttuisikin.

  • Ominaisuudet-välilehti

    • Muuta mittaluvun tasoa, kirjasin lajia, korkeutta tai muita tekstin parametrejä.

    • Lisää mittaluvun ympärille laatikko (= TED-mitta) tai ovaali.

    • Kerro että mittaluku on peittävä, jolloin mittaluvun alla olevat viivat ja leikkausviivoitus (kuvio) piilotetaan, jos piirustuksesta poistetaan piiloviivat.

  • Mitan päät-välilehti

    • Muokkaa mittaviivan piirtymistä. Oletuksena mittaviiva piirretään.

    • Muokkaa mitta-apuviivojen piirtymistä.

    • Valitse mittojen päiden symbolit. (Ei symbolia, nuoli, pieni ympyrä, ympyrä, vino viiva, tai että mittaviiva päättyy mittalukuun).

Käytä mitoitusta ohjaavia optiota

Valitse mitoitussuunta

Vasemmalta alkaen:

  • Vinossa olevalle viivalle (tai kahden pisteen välille) tarjotaan vaaka-, pysty- tai viivan suuntaista mittaa.

  • Vinossa olevalle viivalle (tai kahden pisteen välille) tarjotaan vain vaakasuuntaista mittaa.

  • Vinossa olevalle viivalle (tai kahden pisteen välille) tarjotaan vain pystysuuntaista mittaa.

Vasemmalta alkaen:

  • Vinossa olevalle viivalle (tai kahden pisteen välille) tarjotaan aina lyhintä (viivan suuntaista) mittaa.

  • Viivalle tarjotaan aina referenssiviivan suuntaista mittaa.

  • Viivalle tarjotaan aina referenssiviivalle kohtisuoran suuntaista mittaa.

Viivan suunta

  • Toiminto: Mitta.

  • Tilannekohtainen pop-up-toiminto: Viivan suuntainen. Kuva 1).

  • Osoita referenssiviiva: Kuva 2).

  • Osoita mitoitettava viiva. Kuva 3).

  • Napsauta mitta paikoilleen. Kuva 4).

Mitoitussuunta säilyy siihen saakka, kunnes keskeytät mitoituksen tai vaihdat suuntaa tilannekohtaisesta pop-up-valikosta.

Mitoita käännetyllä mittaluvulla

  • Toiminto: Mitta.

  • Tilannekohtainen pop-up-toiminto: Mittaluku mittaviivaa vastaan kohtisuoraan.

  • Osoita mitoitettava viiva.

  • Napsauta mitta paikoilleen.

Mittaluvun suunta säilyy siihen saakka, kunnes käyt vaihtamassa sen takaisin oletussuuntaiseksi

(Mittaluku mittaviivan suuntainen)

Lisää jatkuva perusviivamitta käännetyllä mittaluvulla

  • Toiminto: Jatkuva perusviivamitta.

  • Osoita alkupiste tai mitoituslinjaa vastaan kohtisuorassa oleva viiva.

  • Osoita loppupiste.

    • Ohjelma näyttää mitan ja kysyy mittaluvun paikkaa.

  • Tilannekohtainen pop-up-toiminto: Mittaluku mittaviivaa suuntainen.

  • Osoita mittaluvun ja mittaviivan paikka.

    • Ohjelma kysyy loppupistettä uudelleen ja uudelleen.

Mittaluvun suunta säilyy siihen saakka, kunnes käyt vaihtamassa sen takaisin oletussuuntaiseksi

(Mittaluku mittaviivaa vastaan kohtisuora)

Muokkaa mittalukua heti, kun olet osoittanut sen paikan

  • Toiminto: mm Mitta, Halkaisija, Säde ja Kulma.

  • Osoita mitoitettava viiva (tai pisteet).

  • Tilannekohtainen pop-up-toiminto: Muokkaa mittaa lisäyksen jälkeen.

  • Sijoita mitta.

    • Ohjelma avaa mitan Ominaisuudet-dialogin.

  • Muokkaa mittaa

    • Muuta mittatarkkuutta

    • Muuta mittayksikköä

    • Anna toleranssi.

    • Kirjoita mittaluvun eteen tai jälkeen merkkijonoja.

Numeeriset mitan etuliitteet

Jos geometria muuttuu (esim. venytyksen seurauksena), niin mittaluku päivittyy automaattisesti. Ohjelma etsii mitan merkkijonosta ensimmäisen numerosarjan ja korvaa sen. Tästä voidaan poiketa #-merkitsemällä se numero, joka vastaa mittalukua.

Esimerkiksi sinulla on esim. viisi reikää 25mm välein ja haluat mittaluvun näyttävän seuraavalta: 4*25=100, niin

  • Mitoita reunimmaisten reikien väli ja muokkaa mittaa.

  • Vie kohdistin sen mittaluvun alkuun, jonka pitää raportoida geometrian pituus.

  • Paina kuvassa 1) näkyvää #-painiketta.

  • Vie kohdistin mittaluvun perään.

  • Paina kuvassa 2) näkyvää harmaata #-painiketta.

  • Ominaisuudet-sivuilla voit vaikuttaa mittatekstin ominaisuuksiin, mm

    • Mittaluvun korkeuteen (Oletus on 3,5 mm).

    • Tasoon, kirjasin lajiin, mitan ja mittaviivan väreihin.

    • Saat mitalle alleviivauksen (joka on perinteisesti tarkoittanut valehdeltua mittalukua)

    • Saat mitasta peittävän (Eli piiloviivan poiston jälkeen mittaluku peittää allaan olevat viivat ja leikkausviivoituksen).

    • Voit lisätä mitan ympärille laatikon (ns. teoreettinen tarkka mitta)

  • Mitan päät-sivulla voit vaikuttaa myös mitan mittaviivojen ja mitta-apuviivojen geometrian.

Lisää etuliite automaattisesti

  • Toiminto: mm Mitta, Halkaisija, Säde ja Kulma.

  • Osoita mitoitettava viiva (tai pisteet).

  • Tilannekohtainen pop-up-toiminto: Etuliite.

    • Dialogi Etuliite (korvaa automaattisen etuliitteen) avautuu.

  • Kirjoita etuliite tai

  • Valitse Merkki-painike.

    • Dialogi Valitse merkkejä avautuu.

  • Valitse merkki ja paina OK.

  • OK.

  • Osoita mitan paikka. Näet, että mitassa on etuliite.

Tämän jälkeen kaikissa lisäämissäsi mitoissa on sama etuliite.

Poista automaattinen mittaetuliite tulevilta mitoilta

  • Valitse uudelleen tilannekohtainen pop-up-toiminto: Etuliite.

Lisää mittaluvut sulkeisiin

  • Toiminto: mm Mitta, Halkaisija, Säde ja Kulma.

  • Osoita mitoitettava viiva (tai pisteet).

  • Tilannekohtainen pop-up-toiminto: Lisää kaarisulut.

  • Osoita mittaluvun paikka. Näet, että mittaluku on kaarisulkeissa.

Tämän jälkeen kaikki lisäämäsi mitat ovat kaarisulkeissa

Poista kaarisulkeet tulevilta mitoilta

  • Valitse uudelleen tilannekohtainen pop-up-toiminto: Lisää kaarisulut.

Mitan kaarisulut

Kaarisulkuja voidaan käyttää merkitsemään apumittoja, joita ei käytetä osan mittojen tarkastuksiin.

  • Näihin mittoihin ei myöskään sovelleta piirustuksessa olevia pituus- ja kulmamittoihin liittyviä yleisstandardeja.

Vaihda mitoitettaessa mittayksikköä tuumiksi, senteiksi tai metreiksi

Oletuksena mittayksikkö on millimetri. USA:ssa käytettävissä Vertex-sovelluksissa mittayksikkönä on oletuksena tuuma.

Tarvittaessa voit vaihtaa mittayksikköä tuumiksi ja esim. senteiksi tai metreiksi.

  • Tällaiset mittaluvut varustetaan mittayksiköllä.

  • Toiminto: Mitta, Halkaisija tai Säde jne.

  • Osoita mitoitettava viiva

  • Tilannekohtainen pop-up-toiminto: Tuumamitoitus.

Vaihda mitoitus senttimetreiksi

  • Toiminto: Mitta, Halkaisija tai Säde jne.

  • Osoita mitoitettava viiva

  • Tilannekohtainen pop-up-toiminto: Senttimetri yksikkönä.

Vaihda mitoitus metreiksi

  • Toiminto: Mitta, Halkaisija tai Säde jne.

  • Osoita mitoitettava viiva

  • Tilannekohtainen pop-up-toiminto: Metri yksikkönä.

Valitse tuumamitoituksen tyyppi ja mitoitustarkkuus

  • Toiminto: Mitta, Halkaisija tai Säde jne.

  • Tilannekohtainen pop-up-toiminto: Tuumamitoitus.

  • Tilannekohtainen pop-up-toiminto: Tuumamitoituksen asetukset.

    • Dialoki Tuumamuunnos avautuu.

  • Valitse tyyppi:

    • Tuumat jako-osina.

    • Tuumat kymmenyslukuna.

  • Valitse tarkkuus.

    • 1/64 .... 1/4.

Mitoita puoliksi piirretty pyörähdyssymmetrinen geometria halkaisijamitoilla

  • Toiminto: Mitta,

  • Tilannekohtainen pop-up-toiminto: Halkaisijamitoitus.

  • Osoita ensimmäinen elementti (piste tai viiva). Kuva 1).

    • Jos osoitit viiva, niin ohjelma ehdottaa sen mitoittamista.

  • Osoita toinen elementti (piste tai viiva). Kuva 2).

  • Osoita mittaluvun paikka. Kuva 3).

Tämä mitoitustapa on voimassa seuraaville Mitta-toiminnolla lisätyille mitoille.

Palauta normaali mitoitustapa.

  • Valitse tilannekohtainen pop-up-toiminto: Tavallinen mitoitus.

Mitoita symmetrinen geometria puolisymmetrisin mitoin

  • Toiminto: Mitta,

  • Tilannekohtainen pop-up-toiminto: Symmetrisen kappaleen mitoitus.

  • Osoita ensimmäinen elementti (piste tai viiva). Kuva 1).

  • Osoita toinen elementti (piste tai viiva). Kuva 2).

  • Osoita mittaluvun paikka. Kuva 3).

    • Mittanuoli piirtyy osoittamaan jälkimmäiseksi osoitettua elementtiä.

Tämä mitoitustapa on voimassa seuraaville Mitta-toiminnolla lisätyille mitoille.

Palauta normaali mitoitustapa.

  • Valitse tilannekohtainen pop-up-toiminto: Tavallinen mitoitus.

Tarkista mittoja ja reunan pituus

Tarkista kahden pisteen välisiä etäisyyksiä

  • Toiminto: Tarkista mittoja (Työkalunauhassa).

  • Valitse vasemman puolen toiminto: Tarkista etäisyys.

  • Osoita kaksi pistettä.

    • Ohjelma piirtää tilapäiset viivat pisteiden välille, sekä niiden vaaka- ja pystysuuntaisten etäisyyksien välille sekä lisää tilapäiset mitat ja avaa Tarkasta etäisyys-diagin, jonne kerätään mittaustulokset.

  • Voit osoittaa useita pistepareja.

Tarkista etäisyys-dialogi

  • Tekstin koko-kentässä, voit säätää etäisyysmittojen suhteellista kokoa.

  • Voit vaihtaa mittausyksikköä esim tuumiksi ja tai metreiksi.

  • Voit tyhjentää mittaustulokset.

  • Voit jättää pois tai ottaa mukaan pisteiden välisen suoran etäisyyden tai pisteiden välisten vaaka- ja pystysuuntaisten projektioiden mitat.

Tarkista pisteiden muodostaman reitin pituus

  • Toiminto: Tarkista mittoja (Työkalunauhassa).

  • Valitse oikean puolen toiminto: Tarkista yhteenlaskettu etäisyys.

  • Osoita useita pisteitä siinä järjestyksessä, kuin haluat reitin pituuden laskea.

    • Ohjelma piirtää tilapäiset viivat pisteiden välille ja lisää jokaisen pisteen etäisyyden edelliseen pisteeseen.

  • Dialogin lopussa ohjelma kertoo ensimmäisen ja viimeisen pisteen etäisyyden ja kokonaisetäisyyden.

Lisää viivaketjun (reunan) pituustieto

  • Toiminto: Merkinnät > Reunan pituus.

  • Osoita yksi viivaketun viiva. Kuva 1).

  • Osoita viiteviivan paikka. Kuva 2).

Pari vinkkiä mitoitukseen

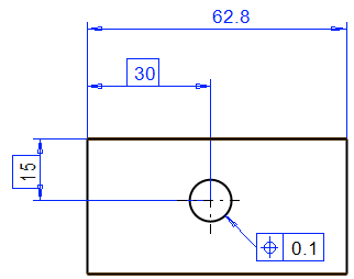
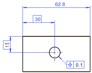
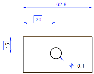
Määritä mitta TED-mitaksi

TED-mittaa eli teoreettisesti tarkkaa mittaa (Theoretically exact dimension = TED) käytetään paikoittamaan geometrisesti toleroituja elementtejä tai peruselementtejä.

  • Tämä ilmaistaa mittaluvun ympäri piirretyllä laatikolla.

Laatikko saadaan aikaan muokkaamalla mittaa:

  • Ensimmäinen ruksi aloittaa laatikon

  • Toinen ruksi päättää laatikon

  • Huom: Kannattaa laittaa välilyönti ennen ja jälkeen mittaluvun.

Määritä siirretty toleranssialue

Siirrettyä toleranssialuetta merkitään ympyröidyllä P-kirjaimella.

  • Saat merkin mittaluvun eteen, muokkaamalla mittaa ja hakemalla merkin lisämerkit-nappulan takaa.

Tallenna piirustus

  • File > Tallenna 

JavaScript errors detected

Please note, these errors can depend on your browser setup.

If this problem persists, please contact our support.