Käytä projektioita ja osasuurennoksia


Harjoitus 17: 2D-piirustuksen projektiotoiminnot

Tässä harjoituksessa opimme
Tekemään piirustuksesta osasuurennoksia
Tekemään katkaistuja projektiota, eli esittämään pitkän kappaleen katkaistuna siten, että mitoitus toimii kuin osaa eli olisi katkaistu.
Siirtämään ja skaalaamaan osasuurennosprojektion.
Poistamaan projektioalueita.
Muokkaamaan projektioalueen mittakaavaa, rajoja ja origoa.
Projektiovalikosta
Osa valikossa olevista toiminnoista on käytettävissä vain 3D-mallin piirustuksille.
Näitä toimintoja ei käsitellä tässä harjoituksissa.
Lue jokin piirustus
File > Avaa > Piirustus
Kirjoita tunnus: 1000.
Paina suurennuslasia
Valitse piirustus 1001 tai jokin muu piirustus.

Tee osasuurennos keskipisteen ja nurkkapisteen avulla
Toiminto: Projektio > Osasuurennos.
Osoita alueen keskipiste. Kuva 1).
Osoita osasuurennusalueen nurkkapiste. Kuva 2).
Ohjelma värjää valituksi tulleet elementit vihreällä huomiovärillä ja kehottaa: Korjaa valittuja. Kuva 3).
Osoita geometriaa, jonka haluat mukaan tai pois valintajoukosta.
Suositus: Poista valitut mitat (niitä ei esimerkkikuvassa ole poistettu).
Kuittaa mukaan otettavien elementtien korjaus valmiiksi. Kuva 4).

-näppäimellä, hiiren keskinäppäimellä tai tilannekohtaisella toiminnolla

.
Ohjelma avaa Osasuurennos-dialokin.
Syötä osasuurennosalueelle tunnus (esim. DET1) ja valitse osasuurennoksen mittakaava. Kuva 5).
OK.
Osoita osasuurennoksen paikka.
Ohjelma kysyy: Poistetaanko osasuurennosalueen attribuuttitiedot?
Tämä kysymys lienee nykyään melko tarpeeton.
Vastaa: Kyllä.
Osasuurennos-toiminnot

Kaikkia kolmea toimintoa voit käyttää itsenäisen piirustuksen osasuurennosten tekemiseen.
Alinta toimintoa Osasuurennos (nurkat) voit käyttää vain itsenäisen piirustuksen osasuurennoksen tekemiseen, eli se ei sovellu mallin piirustuksen projektiosta tehtävään osasuurennokseen.
Mallin värivarjostetusta projektiosta saat värivarjostetun osasuurennoksen vain ylinnä olevalla Osasuurennos-toiminnolla.
Mallin piirustuksesta, toiminnolla Osasuurennos (ympyrä) syntyvä osasuurennos on aina rautalankaesitys, vaikka projektio josta se tehdään, olisikin värivarjostettu.

Tee ympyrämäinen osasuurennos
Toiminto: Projektio > Osasuurennos (ympyrä).
Osoita alueen keskipiste.
Osoita ympyrän kehäpiste.
Ohjelma värjää valituksi tulleet elementit vihreällä huomiovärillä ja kehottaa: Korjaa valittuja.
Osoita geometriaa, jonka haluat mukaan tai pois valintajoukosta.
Suositus: Poista valitut mitat (niitä ei esimerkkikuvassa ole poistettu).
Kuittaa mukaan otettavien elementtien korjaus valmiiksi.

-näppäimellä, hiiren keskinäppäimellä tai tilannekohtaisella toiminnolla

.
Ohjelma avaa Osasuurennos-dialokin.
Syötä osasuurennosalueelle tunnus (esim. DET1) ja valitse osasuurennoksen mittakaava. Kuva 5).
OK.
Ohjelma kysyy: Poistetaanko osasuurennosalueen attribuuttitiedot?
Tämä kysymys lienee nykyään melko tarpeeton.
Vastaa: Kyllä.
Ympyrämäinen osasuurennos mallin piirustuksesta
Toiminto on paria poikkeusta lukuun ottamatta samanlainen, kuin vasemmalla on kuvattu.
Poikkeukset:
Ympyrän kehäpisteen sijaan osoitetaan "nurkkapistettä", joka määrittää ellipsin muotoisen osasuurennosalueen.
Ohjelma ei ota mukaan mittoja, joten se ei myöskään kysy "Korjaa valittuja".
Ohjelma ei kysy poistettavista attribuuttitiedoista.
Tee osasuurennos nurkkapisteet osoittamalla
Toiminto on samanlainen kuin edellä, paitsi keskipisteen osoituksen sijaan ohjelma pyytää osoittamaan ensimmäisen nurkan.
Ei sovellu mallin piirustukselle
Tämä toiminto ei sovellu mallin piirustuksen projektiosta tehtävään osasuurennokseen.
Tuo 3D-mallista näkymä piirustukseen
Toiminto on vanha ja se on tarkoitettu siihen, että mallista voidaan hakea "valokuva" piirustukseen. Jos malli muuttuu, niin tällä toiminnolla haettu näkymä ei muutu.
Aseta piirustus ja malli rinnakkain tai lomittain, ennen toiminnon käynnistämistä.
Näkymä-valintanauha > Ikkuna-ryhmä > Järjestä.
Toiminto: Projektio > Tuo näkymä mallista.
Osoita malli-ikkuna, josta näkymä tuodaan. Kuva 1).
Osoita kohdistuspiste. Kuva 2).
Valitse näkymän piirtotapa. Kuva 3).
Ennen paikan osoitusta, voit avata tilannekohtaisen pop-up-valikon ja sieltä aputoimintoja.
Rautalanka-näkymät voit skaalata ja peilata.
Varjostetuille näkymille voit tehdä vain skaalauksen
Osoita näkymän paikka. Kuva 4).
3D-mallin projektion kopiointi
Leikepöydän (Ctrl C ja Ctrl V) avulla voit tuoda 3D-mallin piirustuksesta projektion myös itsenäiseen 2D-piirustukseen.
Näin tuotu projektio on assosiatiivinen malliin, eli jos malli on muuttunut ja piirustus päivitetään, niin projektiot kuvaavat mallin nykytilaa.

Piirustuksen osaprojektialueet
Osaprojektioalueet on kehitetty isojen tai pitkien kappaleiden kuvaamiseen piirustuksessa. Ne soveltuvat osan kuvaamiseen, jos osassa on oleellista geometriaa ryppäissä, eikä koko osan alueella.
Kaksi päätapaa toteuttaa osaprojektiot
1) Piirrä osa valmiiksi katkaistuna ja määrittele alueiden etäisyydet toisiinsa nähden.
2) Piirrä osa ensin kokonaisena ja katkaise välistä tarpeettomat osuudet pois.
Luo uusi piirustus
File > Uusi > Piirustus
Anna tunnus ("piirustusnumero")
Täytä arkistotiedot.
Valitse olemassa oleva projekti tai tee uusi projekti.

Määrittele osaprojektio alueet valmiiksi katkaistulle osalle
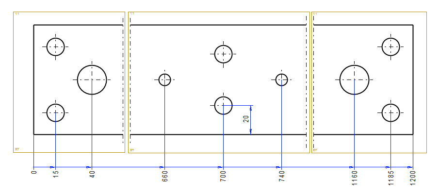
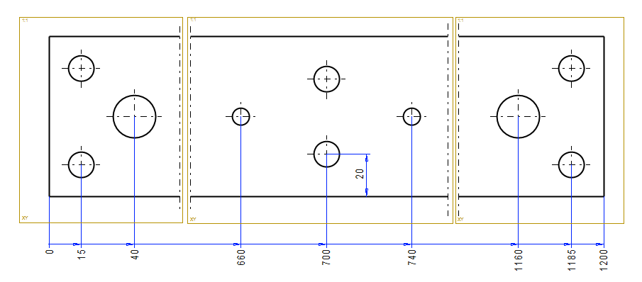
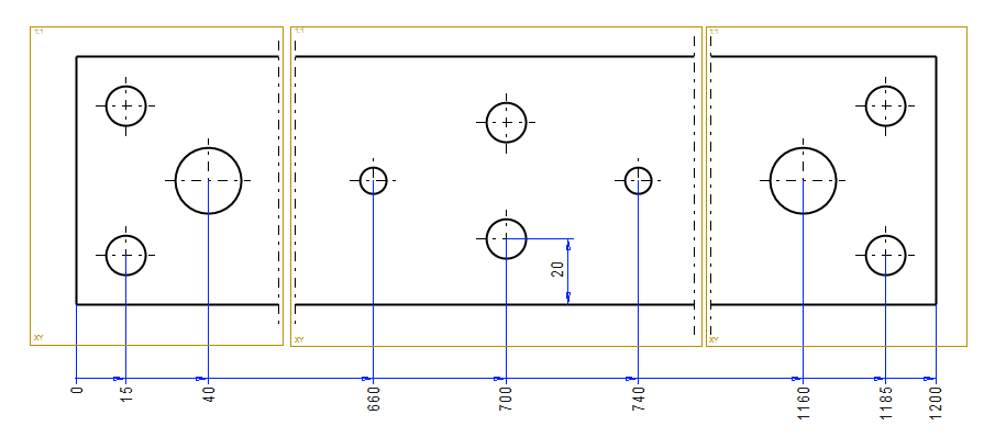
Piirrä ensin kuvan mukainen geometria (Piirustus 1:1 ja A3-lomake)
Huomaa että geometria on piirretty katkaistuna (pistekatkoviivat).
Huomaa, että myös keskimmäisestä projektiosta pitää tuntea yhden pisteen paikka (korkeus, kuvassa 20mm).

Toiminto: Projektio > Osaprojektio.
Ohjelma avaa dialokin Osaprojektioalue, joka kertoo mittakaavan ja kiintopisteen koordinaatit.
Hyväksy mittakaava.
Hyväksy X- ja Y-koordinaatit: 0.00 ja 0.00
OK. Kuva 1).
Osoita ensimmäisen projektioalueen vasen alakulma. Kuva 2).
Osoita ensimmäisen projektioalueen oikea yläkulma. Kuva 3).
Huomaa, että kaikki se geometria jää alueen sisäpuolelle, jonka haluat noudattavan tämän alueen tietoja.
Osoita osan nollapiste. Eli ensimmäisen projektioalueen piste, jonka koordinaatit ovat 0.00 ja 0.00. Kuva 4).
Ohjelma avaa dialokin Osaprojektioalue, joka kertoo mittakaavan ja kiintopisteen koordinaatit.
Mittakaava
Ohjelma ehdottaa mittakaavaksi piirustuksen omaa mittakaavaa.
Hyväksy mittakaava, jos olet piirtänyt geometriaan muutoin oikeaan kokoon, paitsi että osa on katkaistu.
Vaihda mittakaavaa, jos haluat, että piirtämäsi geometria "Skaalataan" toisille mitoille.

Syötä seuraavalta projektioalueelta tunnetun pisteen koordinaatit, suhteessa osan nollapisteeseen. Kuva 5).
Esim. 700 ja (Mitattu etäisyys) 20.
OK. Kuva 6).
Osoita toisen projektioalueen vasen alakulma. Kuva 7).
Osoita toisen projektioalueen oikea yläkulma. Kuva 8).
Osoita tunnetun pisteen paikka, eli pisteen paikka, jonka koordinaatit syötit. Kuva 9).
Ohjelma avaa dialokin Osaprojektioalue, joka kertoo mittakaavan ja kiintopisteen koordinaatit.

Syötä seuraavalta projektioalueelta tunnetun pisteen koordinaatit, suhteessa osan nollapisteeseen. Kuva 10).
Esim. 1200 ja 0. (Tällöin osan pituus on 1200mm)
OK. Kuva 11).
Osoita kolmannen projektioalueen vasen alakulma. Kuva 12).
Osoita kolmannen projektioalueen oikea yläkulma. Kuva 13).
Osoita tunnetun pisteen paikka, eli pisteen paikka, jonka koordinaatit syötit. Kuva 14).
Ohjelma avaa dialokin Osaprojektioalue, joka kertoo mittakaavan ja kiintopisteen koordinaatit.
Voisit osoittaa tarvittaessa lisää projektioalueita.
Lopeta projektioalueiden määrittely painikkeella Peruuta.

Nyt voit mitoittaa osan.
Näet, että osa mitoitetaan "ehjän" (katkaisemattoman) osan mitoille.
Osaprojektion rajat (ruskeat viivat)
Osaprojektion rajat eivät tulostu, kun piirustus tulostetaan.
Saat ne tarvittaessa piiloon. Katso ohjeet seuraavan harjoituksen lopusta.

Tallenna piirustus
File > Tallenna
Luo uusi piirustus
File > Uusi > Piirustus
Anna tunnus ("piirustusnumero")
Täytä arkistotiedot.
Valitse olemassa oleva projekti tai tee uusi projekti.

Katkaise pitkä kappale projektioalueisiin
Piirrä ensin kuvan mukainen geometria (Piirustus 1:5 ja A3-lomake)
Pituus, esim. 1700 ja korkeus esim. 100.
piirrä ympyröitä päähän ja keskelle.
Kuvassa näkyviä mittoja ei tarvitse lisätä piirustukseen.

Toiminto: Projektio > Osaprojektio.
Ohjelma avaa dialokin Osaprojektioalue, joka kertoo mittakaavan ja kiintopisteen koordinaatit.
Hyväksy mittakaava.
Hyväksy X- ja Y-koordinaatit: 0.00 ja 0.00
Valitse: Osaprojektion katkaisu. Kuva 1).
OK. Kuva 2).

Osoita ensimmäisen projektioalueen vasen alakulma. Kuva 3).
Osoita ensimmäisen projektioalueen oikea yläkulma. Kuva 4).
Osoita osan nollapiste. Eli ensimmäisen projektioalueen piste, jonka koordinaatit ovat 0.00 ja 0.00. Kuva 5).
Osoita sen jälkeen projektioalueiden kulmapisteet. Kuvat 6) ja 7) sekä 8) ja 9).
Lopeta projektioalueiden määrittely Valmis-kuittauksella.

-näppäimellä, hiiren keskinäppäimellä tai tilannekohtaisella toiminnolla

.
Ohjelma kysyy projektioalueiden väliä ja pyytää osoittamaan pisteet kuvasta. (Älä osoita).
Paina F8-näppäintä tai valitse tilannekohtainen pop-up-toiminto "taikasauva". Kuva 10).
Ohjelma pyytää alueiden väliä.
Syötä alueiden väli, esim. 5. Kuva 11).
OK. Kuva 12). Katkaisee projektion.

Muuta mittakaavaa
Tilannekohtainen toiminto: Ominaisuudet.
Valitse mittakaava: 1:1 (tai joku muu piirustukseesi sopiva mittakaava).
Jos geometria häviää näkyvistä ja jäljelle jää pelkkä piirustuslomake, päivitä kuvarajat: F5.
Raahaa lomake oikealle kohdalle.
ja päivitä kuvarajat: F5.

Piilota tarvittaessa osaprojektion rajat
Jos ruskeat osaprojektion rajat häiritsevät, niin voit piilottaa ja palauttaa ne näkyviin toiminnolla:
File > Käyttäjäasetukset > piirustukset, mallit > Näkymä-välilehti > näytä osaprojektion rajat.
Piirrä katkaisulinjat pistekatkoviivoin.
Mitoita piirustus.

Siirrä ja skaalaa (osasuurennos-) projektiota
Tämä toiminto on tarkoitettu itsenäisen 2D-piirustuksen projektion siirtoon ja skaalaukseen. 3D-mallin piirustuksen projektion voi raahata uuteen paikkaan ja sen mittakaavan voi muuttaa projektion ominaisuuksista.
Toiminto: Projektio > Muokkaa osaprojektiota.
Osoita muokattavaa osaprojektiota. Kuva 1).
Ohjelma vilkuttaa projektion rajoja ja avaa dialokin: Valitse korjaustapa.
Valitse: Siirto + skaalaus. Kuva 2).
Ohjelma avaa Osasuurennos-dialogin ja ehdottaa olemassa olevaa mittakaavaa.
Hyväksy tai muuta mittakaavaa ja paina OK-painiketta. Kuva 3).
Projektio "irtoaa ja roikkuu" kohdistimessa.
Osoita projektion uusi paikka. Kuva 4).

Korjaa osasuurennosalueen rajoja
Tällä toiminnolla voit tehdä "lisää tilaa" osasuurennos-projektiolle tai esim. katkaistulle projektiolle.
Toiminto: Projektio > Muokkaa osaprojektiota.
Osoita muokattavaa osaprojektiota.
Ohjelma vilkuttaa projektion rajoja ja avaa dialokin: Valitse korjaustapa.
Valitse: Rajojen korjaus
Osoita uusien rajojen vasen alakulma.
Osoita uusien rajojen oikea yläkulma.
Päivitä piirustus: F5, jotta vanhat rajaviivat piirretään pois.

Määritä osasuurennosalueen origo ja sen tiedot uudelleen
Tällä toiminnolla voit muuttaa jo katkaistun osan pituutta, kertomalla origolle uuden sijainnin.
Toiminto: Projektio > Muokkaa osaprojektiota.
Osoita muokattavaa osaprojektiota.
Ohjelma vilkuttaa projektion rajoja ja avaa dialokin: Valitse korjaustapa.
Valitse: Origon korjaus. Kuva 1).
Osoita origon (uusi) paikka. Kuva 2).
Syötä origon (uudet) koordinaatit. Kuva 3).
Päivitä piirustus: F5, jotta mitat lasketaan uudelleen. Kuva 4).

Poista osaprojektio
Tämä toiminto on tarkoitettu itsenäisen 2D-piirustuksen projektion poistoon. 3D-mallin piirustuksen projektion voit poistaa valitsemalla projektion ja tilannekohtaisen toiminnon: Poista.
Toiminto: Projektio > Poista osaprojektio.
Osoita poistettava projektio.
Projektiolta poistuu sen mittakaava.
Ohjelma kysyy: Poistetaanko osakuvan geometria?
Vanha suositus: Vastaa Kyllä.
Jos vastaat Ei, niin geometria jää, mutta sitä "ei enää suojaa alkuperäinen mittakaava", vaan se on skaalautunut projektioalueen ja piirustuksen mittakaavan suhteessa.

Mallin piirustukset
Seuraavat toiminnot ovat käytettävissä vain mallin piirustuksissa.
Poista katkaisu
Toiminto: Projektio > Poista katkaisu.
Osoita projektio tai useampia projektioita.
Kuittaa osoitukset valmiiksi.

-näppäimellä, hiiren keskinäppäimellä tai tilannekohtaisella toiminnolla

.
Ohjelma poistaa katkaisun.
Jos leikkausviivat jäävät "kummittelemaan", niin päivitä piirustus: F5.

Siirrä projektiota
Toiminto: Projektio > Siirrä.
Osoita projektio.
Osoita viitepiste.
Osoita uusi paikka.
Muut itsenäisessä 2D-piirustuksessa passiivisena olevat Projektio-valikon toiminnot on esitelty mallinnuskurssien itseopiskelumateriaaleissa.
Tallenna piirustus
File > Tallenna