Skip to main content
Skip table of contents

Kannatin

Harjoitus 6: Kannatin


Tässä harjoituksessa opimme

  • Peilaamaan luonnosgeometriaa.

  • Tekemään ja muokkaamaan sarjoja.

  • Sitomaan sarjan luonnoksen geometriaan.


Video

Kesto 2min 4sek


Luo uusi osamalli

  • File > Uusi > Osa

    • Anna tunnus.

    • Täytä arkistotiedot.

    • Valitse olemassa oleva projekti tai tee uusi projekti.


image-20250711-135815.png

Mallinna päämuoto

  • Uusi luonnos > Vaaka (XY)-tasoon.

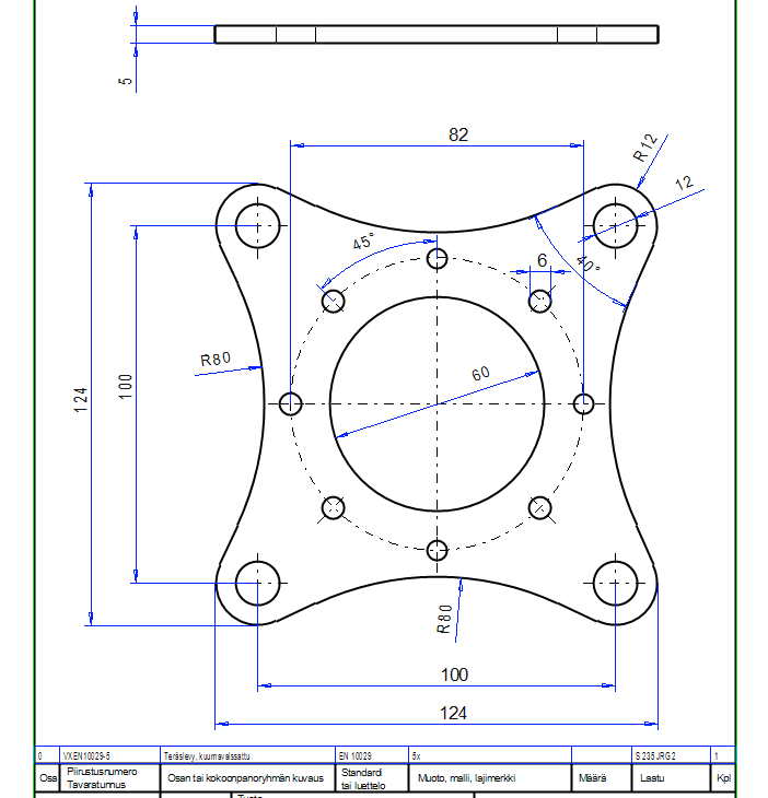
Luonnostele muoto

  • Aloita piirtämällä apuviiva lukittuun (135 ast) suuntaan. Kuva A.

  • Piirrä viivan pää ympärille korvakkeen muoto. Kuva A.

  • Lisää symmetriaehto korvakkeen viivoille. Kuva B.

  • Lisää Kohtisuoruusehto apuviivojen välille. Kuva C.

  • Peilaa muotoviivat keskiristin viivojen suhteen. Kuva D.

  • Piirrä tangentiaaliset kaaret. Kuva E.

  • Peilaa tai piirrä tangentiaaliset kaaret. Kuva F.

  • Mitoita luonnos. Kuva G.


Toimenpide

  • Lisää - Pursota

  • Pituus: 5.

Mallinna kappaleen keskelle reikä

  • Valitse pinta.

  • Tilannekohtainen toiminto: Uusi luonnos > Pintaan.

Luonnostele muoto

  • Luonnostele ympyrä.

    • Osoita keskipiste origosta.

  • Mitoita ympyrä: 60.

Toimenpide

  • Poista - Pursota - Kappaleen läpi.

Mallinna korvakkeen reikä

  • Valitse pinta.

  • Tilannekohtainen toiminto: Uusi luonnos > Pintaan.

Luonnostele muoto

  • Luonnostele ympyrä siten että keskipiste on yhtenevä korvakkeen keskipisteen kanssa:

  • Lisää halkaisijaehto: 12.

Toimenpide

  • Poista - Pursota - Kappaleen läpi.

Mallinna kehälle reikä

  • Valitse pinta.

  • Tilannekohtainen toiminto: Uusi luonnos > Pintaan.

Luonnostele muoto

  • Luonnostele ympyrä.

  • Lisää halkaisijaehto: 6.

    • Älä lisää vielä ympyrän etäisyyttä keskirististä.

  • Lisää yhtenevyysehto ympyrän keskipisteen ja keskiristin vaakaviivan välille.

Toimenpide

  • Toimenpide: Poista - Pursota - Kappaleen läpi.

Tee korvakkeen reiästä sarja

  • Valitse piirre joko osoittamalla se piirrepuusta tai valitse mallista piirteen pinta.

  • Tilannekohtainen toiminto: Tee piirresarja.

Avautuvassa dialogissa:

  • Hyväksy oletusmuoto: Lineaarinen.

  • Hyväksy oletussijoitus: Oletustasoon.

  • Anna pituussuuntaan (= vaakasuuntaan, *1) lukumääräksi: 2 ja väliksi 100.

  • Anna leveyssuuntaan (= pystysuuntaan, *1) lukumääräksi: 2 ja väliksi 100.

  • Asemoi apugeometria siten että kohdistimen paikka on järkevästi suhteessa piirteeseen.

    • Tarkkaan ottaen vain apugeometrian suunnalla on merkitystä.

    • Sarjan jäsenet tulevat suhteessa piirteeseen siten, kuin apugeometriassa ruksit on piirretty.

  • Apugeometrian sijoituksen jälkeen, ohjelma esittelee luonnoksen, jossa on mittojen muuttaminen on mahdollista.

  • Viimeiste piirresarjan teko tilannekohtaisella toiminnolla OK.

*1) Vaaka- ja pystysuunnista voidaan puhua, jos luonnos on ns. Kohtisuoraan asennossa.

Tee pienestä reiästä polaarinen sarja

  • Valitse piirre joko osoittamalla se piirrepuusta tai valitse mallista piirteen pinta.

  • Tilannekohtainen toiminto: Tee piirresarja.

Avautuvassa dialogissa:

  • Vaihda sarjan muoto: Polaarinen.

  • Hyväksy oletussijoitus: Oletustasoon.

  • Anna lukumääräksi Kehällä: 12 ja säteeksi 38.

  • Hyväksy oletus kulma 360, joka tarkoittaa, että sarjan jäsenet tulevat tasajaolla ympyrälle.

  • Asemoi apugeometria siten että kohdistimen paikka tulee polaarisen piirteen keskipisteeseen.

  • Lisää yhtenevyysehto reiän keskipisteen ja apugeometrian viivan päätepisteiden väliin.


  • Tarvittaessa voisit vielä muuttaa säde-mittaa.

  • OK.

Tallenna malli

  • File > Tallenna tai paina

    tai
    .


Muuta polaarista piirresarjaa

  • Valitse piirrepuusta: Piirresarja.

  • Tilannekohtainen toiminto: Muokkaa sarjaa.

    • Lukumäärä: 12 > 9.

    • Säde: 38 > 41.

Jos kappaleen päämittoja muokataan siten, että ensimmäisen luonnoksen reikäväli kasvaa 100 mm:stä 120:een, niin korvakkeiden reiät jäävät väärään paikkaan.

  • Tämä voidaan toki korjata siten, että ensimmäisen luonnoksen mittojen muutoksen jälkeen muokataan korvakkeiden reikien sarjaa.

Tällainen tilanne voidaan ehkäistä jo heti sarjaa tehtäessä, kun sarjan apugeometria sidotaan geometriaan

Korvakkeiden reikäsarjan sitominen geometriaan

  • Valitse piirrepuusta: Piirresarja.

  • Tilannekohtainen toiminto: Muokkaa sarjaa.

  • Poista sarjan dialogi "Mallin piirresarjan tiedot" OK:lla.

  • Poista sarjan pituutta ja leveyttä määrittävät mitat.

  • Lisää yhtenevyysehto apugeometrian viivan päätepisteen ja korvakkeen keskipisteen välille.

Vaihtoehtoisesti tässä mallissa olisin voinut lisätä kaksi symmetriaehtoa apugeometrian viivojen ja keskiristin viivojen välille.

Kokeile nyt muuttaa kannakkeen mittaa

  • Muuta myös polaarisen sarjan jäsenten lukumäärä 9 > 8.

Anna mallille raaka-ainetieto

  • Tilannekohtainen toiminto: Nimiketiedot (kun mitään ei ole valittu).

  • Katso tarkemmin harjoituksen Mallin piirustus kohtaa Annetaan mallille raaka-aine eli osaluettelo-tieto.

Tee mallille piirustus

Tallenna malli

  • File > Tallenna tai paina

    tai
    .



JavaScript errors detected

Please note, these errors can depend on your browser setup.

If this problem persists, please contact our support.