Skip to main content
Skip table of contents

Yhde

Harjoitus 5: Yhde


Tässä harjoituksessa opimme

  • Ohjauskäyrän ja poikkileikkauksen teon

  • Luonnoksen kirjastoinnin ja lukemisen kirjastosta.

  • Pyyhkäisyn teon ohjauskäyrän ja poikkileikkauksen avulla.

  • Osan aikaisemman geometrian kopioinnin luonnokseen luonnosviivaksi.

  • Kirjastopiirteen käyttämisen poistavana piirteenä.

  • Piirustuksen luonnin, osoittamalla etuprojektion suunnan.


Video

Kesto 2min 25sek


Luo uusi osamalli

  • File > Uusi > Osa

    •  Anna tunnus.

    • Täytä arkistotiedot.

    • Valitse olemassa oleva projekti tai tee uusi projekti.

image-20250711-135146.png


Mallinna ohjauskäyrä

  • Uusi luonnos > Pysty (XZ)-tasoon.

Luonnostele muoto

  • Toiminto: Murtoviiva.

    • Lähde liikkeelle origosta ja suuntaa viiva alaspäin.

  •  Mitoita viivat.

  • Valitse nurkkapiste.

  • Tilannekohtainen toiminto: Pyöristä, 50.

Toimenpide

  • Ohjauskäyrä.


Luonnostele poikkileikkaus

  • Uusi luonnos > Vaaka (XY)-tasoon.

Luonnostele muoto

  • Toiminto: Pyöristetty suorakulmio.

    • Anna säde: 10.

  • Mitoita suorakulmio: 40 ja 30.

  • Tee viivalle yhdensuuntaisuuskopio toiminnolla Offset.

    • Huomaa vaihtoehto: Valinta ketjuna.

    • Anna väli: 4.

    • Osoita muotoviivaa.

    • Osoita puoli (suorakulmion sisäpuolelta)

Toimenpide

  • Poikkileikkaus.


Pyöristetty suorakulmio

Pyöristetyn suorakulmion piirtotoiminto kysyy ensin nurkan sädettä.

  • Seuraavaksi ohjelma pyytää osoittamaan suorakulmion keskipisteen.

  • Lopuksi ohjelma pyytää osoittamaan suorakulmion nurkkapisteen.

    • Pyöristys piirretään vasta, kun se mahtuu piirtymään.

    • Jos suorakulmion lyhempi mitta on pienempi, kuin 2*säteen mitta, ohjelma piirtää terävänurkkaisen suorakulmion.


Tee kanava poikkileikkauksen ja ohjauskäyrän avulla

  • Valitse poikkileikkaus.

  • Valitse ensimmäinen viiva (Ctrl-näppäin pohjassa).

  • Tilannekohtainen toiminto: Pyyhkäisy > Lisäten ainetta.

    • Ohjelma etsii tangentiaalisen viivaketjun ja valitsee sen, sekä avaa dialogin

    • Käytä dialogissa olevia oletuksia.

  • OK.

Pyyhkäisydialogi

Ylinnä voidaan valita, onko pyyhkäisy ainetta lisäävä vai poistava. (Tässä harjoituksessa valintaa ei voi tehdä, koska mallissa ei ole vielä sellaista geometriaa, jota voitaisi pyyhkäisemällä poistaa).

Pyyhkäisyelementit:

  • Ohjelma itse etsii kaikki valitulle viivalle tangentiaaliset viivat.

  • Lisää-painikkeella voit valita myös sellaisia viivaketjun viivoja, jotka eivät ole tangentiaalisia.

  • Vaihda-painikkeella voit vaihtaa valitun viivan toiseksi viivaksi (harvinainen).

  • Poista-painikkeella voit poistaa valittuja viivoja (Viivaketjun loppupäästä).

Pidä poikkileikkauksen suunta.

  • Normaalisti poikkileikkaus pyritään pitämään aina kohtisuorassa pyyhkäisyviivaan nähden.

  • Tällä valinnalla poikkileikkausta kuljetetaan käyrää pitkin alkuperäisessä asennossa.

Päiden 1. ja 2. trimmaus.

  • Oletuksena päitä ei trimmata, mutta pää voidaan trimmata, kun kappaletta mallinnetaan kokoonpanossa, osoitettuun pintaan, toiseen osaan tai mallista löytyvään pisteeseen.

  • Offset-arvolla voidaan pyyhkäisyä ulottaa viivaketjua pidemmälle (negatiivinen arvo) tai jättää lyhyemmäksi kuin viivaketju ulottuu (positiivinen arvo).


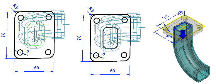
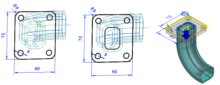
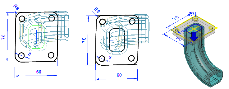
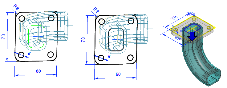
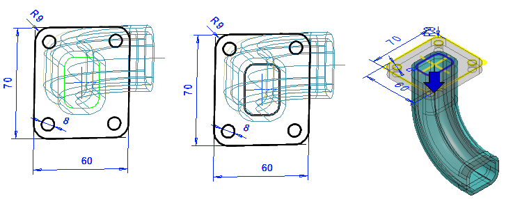
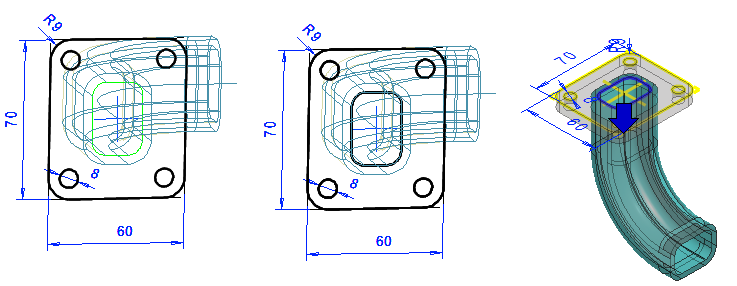
Mallinna ensimmäinen päätylaippa

  • Uusi luonnos > Vaaka (XY)-tasoon.

Luonnostele muoto:

  • Pyöristetty suorakulmio, jonka säde on 9.

  • Mitoita suorakulmio: 70 ja 60.

  • Piirrä yksi ympyrä saman keskeiseksi nurkkapyöristyksen kanssa, halkaisija: 8.

  • Peilaa ympyrä pystyakselin ympäri.

  • Peilaa ympyrät vaaka-akselin ympäri.

Tallenna luonnos: (Sitä käytetään yhteen toisessa päässä).

  • Tilannekohtainen toiminto: Tallenna kirjastoon.

  • Valitse kansio tai tee uusi kansion.

  • Anna luonnokselle nimi, esim. yhde1.

Täydennä luonnos: (aikaisemmasta geometriasta kopioiduilla viivoilla)

  • Kopioi luonnokseen putken sisäreunan viivat, jotta laipasta ei tule umpinainen.

    • Valitse viivat. Toisesta viivasta alkaen Ctrl-näppäin pohjassa.

    • Tilannekohtainen toiminto: Kopio luonnostasoon.

  • Viivojen kopiointi on havainnollisempaa, jos käännät mallia pikkuisen, siten ettei se ole enää luonnostasoa vastaan kohtisuorassa.

Toimenpide:

  • Lisää - Pursota.

  • Pituus: 8.

  • Käännä suunta

    tai vedä suunta nuolesta kohti kappaletta (eli luonnospinnasta sisään päin).


Geometriasta kopioidut viivat

Nämä osamallin aikaisemmasta geometriasta kopioidut viivat saavat identtisyys-ehdon aikaisempaan geometriaan.

  • Identtisyys-ehto voidaan poistaa, mutta sitä ei voida interaktiivisesti lisätä. Tarvittaessa tähän tarpeeseen pitää käyttää yhtenevyysehtoa tai useita yhtenevyysehtoa.

  • Luonnosta, jossa on identtisyys-ehtoja ei kannata tallentaa luonnoskirjastoon, sillä viivat, joilla tuollainen ehto on, pyrkivät myöhemmin uudessa mallissa tai uudessa luonnoksessa etsimään "kumppaniaan" ja kun ne eivät siinä onnistu, niin luonnos voi "hajota".

  • Jos trimmaat viivaa, jolla on identtisyys, niin alkuperäinen viiva muutetaan apuviivaksi ja sen tilalle generoidaan trimmattu viiva.


Tässä välissä luonnos kannattaa tallentaa.


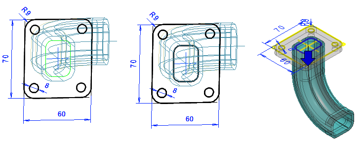
Mallinna toinen päätylaippa

  • Valitse pinta ja tilannekohtainen toiminto: Uusi luonnos > Pintaan.

Luonnostele muoto:

  • Tilannekohtainen toiminto: Lue luonnos.

  • Paikoita luonnos, esim.

    • Luetun luonnoksen keskiristin viivojen ja ohjauskäyrän päätepisteen välisillä yhtevyysehdoilla.

  • Kopioi luonnokseen putken sisäreunan viivat, jotta laipasta ei tule umpinainen.

    • Valitse viivat. Toisesta viivasta alkaen Ctrl-näppäin pohjassa.

    • Tilannekohtainen toiminto: Kopio luonnostasoon.

Toimenpide:

  • Lisää - Pursota.

  • Käännä suunta tai vedä suunta nuolesta kohti kappaletta (eli luonnospinnasta sisään päin).

  • Pituus: 8.


Mallinna tiivisteille ura molempiin laippoihin

  • Tilannekohtainen toiminto: Liitä kirjastopiirre > poistaen ainetta. tai

  • Valitse piirre: Piirteet > vakiot > Alkeismuodot > suorakulmioprofiili.

  • Anna Mittataulukko-dialogiin mitat: a= 46, b=36, h=1, r=12 ja s=4.

  • Vie kohdistin osan pinnalle ja varmista piirteen asennosta, että se on oikean pinnan päällä.

    • Pyöräytä tarvittaessa piirrettä ennen pinnan valintaa.

  • Valitse pinta.

  • Paikoita piirre esim. yhtenevyys ehtojen avulla.


Tiivisteen ura lisätään molempiin laippoihin erikseen.



Anna mallille raaka-ainetieto

  • Tilannekohtainen toiminto: Nimiketiedot (kun mitään ei ole valittu).

  • Katso tarkemmin harjoituksen Mallin piirustus kohtaa Annetaan mallille raaka-aine eli osaluettelo-tieto.

    • Lisää rivi (dialogin alemmassa osuudessa)

    • Hae materiaali Materiaali-kentän esivalintapainikkeella.

    • Tunnuksena pitäisi olla yrityksenne ao. materiaalin varastotunnus eli nimikkeen tunnus.


Tee mallille piirustus

  • Valitaan projektiot: edestä, päältä ja vasemmalta.

  • Poista valinta: Apugeometria.

  • Projektiot mahtuvat piirustukselle paremmin, kun edestä-projektion suunta vaihdetaan painikkeella Osoita a.

    • Osoita sen jälkeen edestä projektioksi alemman laipan etupinta.


Tallenna Piirustus

  • File > Tallenna tai paina

    tai
    .





JavaScript errors detected

Please note, these errors can depend on your browser setup.

If this problem persists, please contact our support.