PI-kaaviosuunnittelu
Käyttökohteet
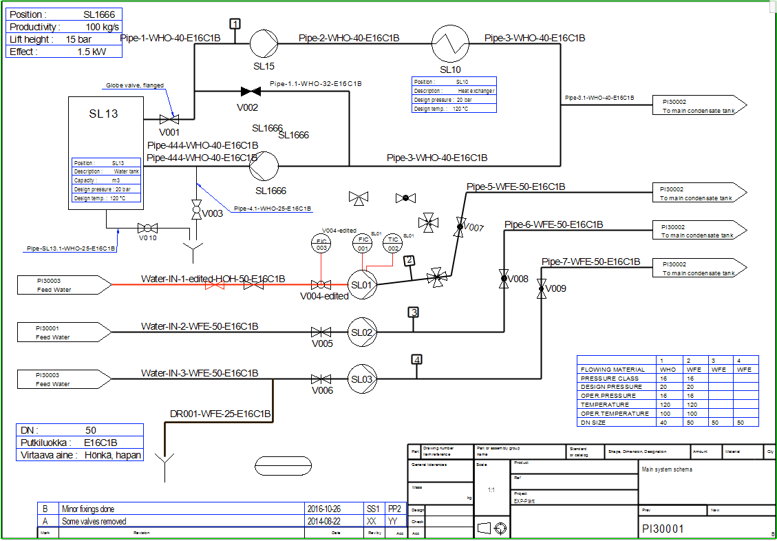
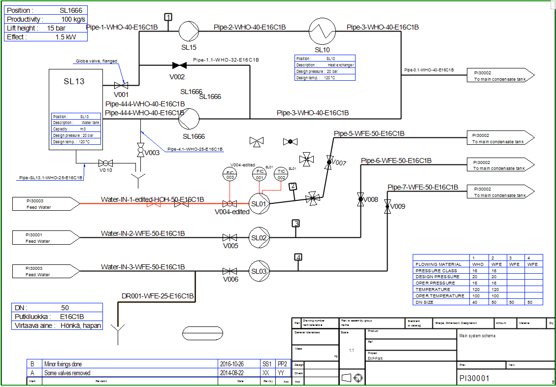
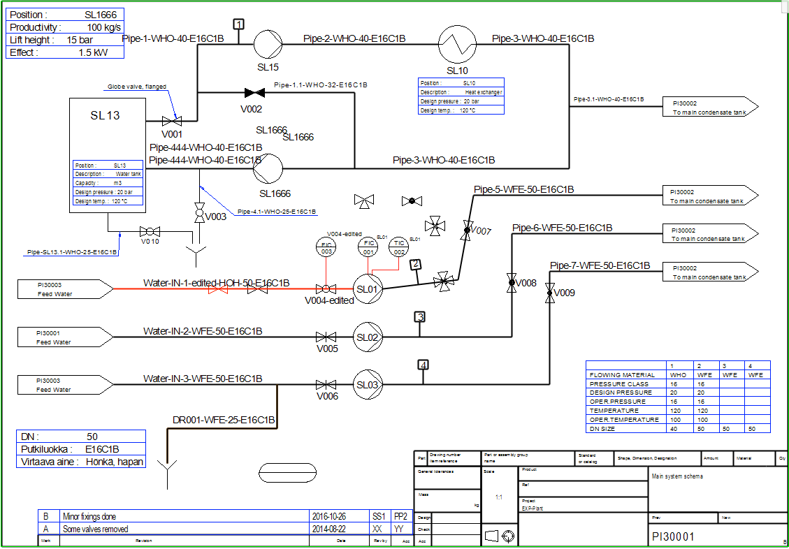
PI-kaaviosuunnittelun (Prosessi- ja instrumentointisuunnittelu) avulla voidaan laatia prosessin kulkua kuvaavia kaavioita, joissa näkyy mm. putkilinjat, pumput, venttiilit ja muut toimilaitteet.
Kaavion tiedot ovat projektitietokannan kautta kytketty laitosmallin, jolloin muutos jommassa kummassa antaa viestin toisen muokkaajalle.
Esimerkkejä

Optionumero: VXO-427
Tekninen optionumero (Näkyy lisenssitiedostossa): 130 FI: "PI-suunnittelu", ENG: "PI Desing"