3D-Johdinsarjasuunnittelu (Vertex ED ja Vertex G4 2024+)
Vertex ED Johdinsarjasuunnittelu nyt myös 3D:nä
Version 2021 myötä Vertex ED ottaa ensiaskeleet kohti 3D-maailmaa.
Johdinsarjat kolmanteen ulottuvuuteen
Vertex ED 2021 ja Vertex G4 2021 versioista lähtien johdinsarjojen johdinreittien suunnittelu ja johdinpituuksien selvittäminen onnistuu myös 3D:nä.
Koneen tai laitteen sähköistykset eivät ole enää mallista erillään käsiteltävää asiaa, vaan piirikaavion perusteella suunniteltava johdinsarja nivotaan yhteen 3D-mallin kanssa.

Ajansäästö
Koneiden ja laitteiden kallis ja aikaavievä fyysinen protovaihe poistuu, kun johdinsarjojen reitti-, pituus- ja tilavarausten suunnittelu tehdään suoraan 3D-malliin. Mallintamisen myötä vältetään tilavarausten konfliktitilanteet ja johtimille saadaan tarkat pituudet johdinsarjan suunnittelun viimeistelyä ja lopullista valmistusta varten.
Täydellinen dokumentaatio
Tuloksena johdinsarjasta syntyy täydellinen dokumentaatio, joka sisältää kaiken piirikaavioista johdotusluetteloihin, johdinsarjan 2D-layoutkuviin ja 3D-malleihin. Johdinsarjan 3D-mallintaminen avaa ovet myös esimerkiksi havainnollisempien asennuskuvien visualisointiin osaksi koneen tai laitteen muuta dokumentaatiota.




Piirikaavioista johdinreittien suunnitteluun 3D:nä
Vertex G4 -mekaniikkasuunnitteluohjelmisto on valjastettu osaksi Vertex ED:n johdinsarjasuunnittelun työkaluarsenaalia versiosta 2021 lähtien.
Vertex ED:llä piirretyt piirikaaviot kaikkine lisätietoineen toimivat pohjana Vertex G4:ssä toteutettavalle johdinsarjojen liitinpaikkojen, haarautumispisteiden sekä johdinreittien ja -pituuksien määrittämiselle.
Lopulta G4:ssä tehty johdinreittien määrittely ja sen myötä selvitetyt johdinpituustiedot täydennetään vielä takaisin ED:n piirikaavioihin ja johdinsarjan 2D-layoutkuviin.
Vertex ED:n erilaisten suunnitteludokumenttien tuottoon tarkoitetut työkalut toimivat tuttuun tapaan koko prosessin ajan. Esimerkiksi johdin- ja osaluettelot syntyvät siis edelleen tuttuun ja turvalliseen tapaan.
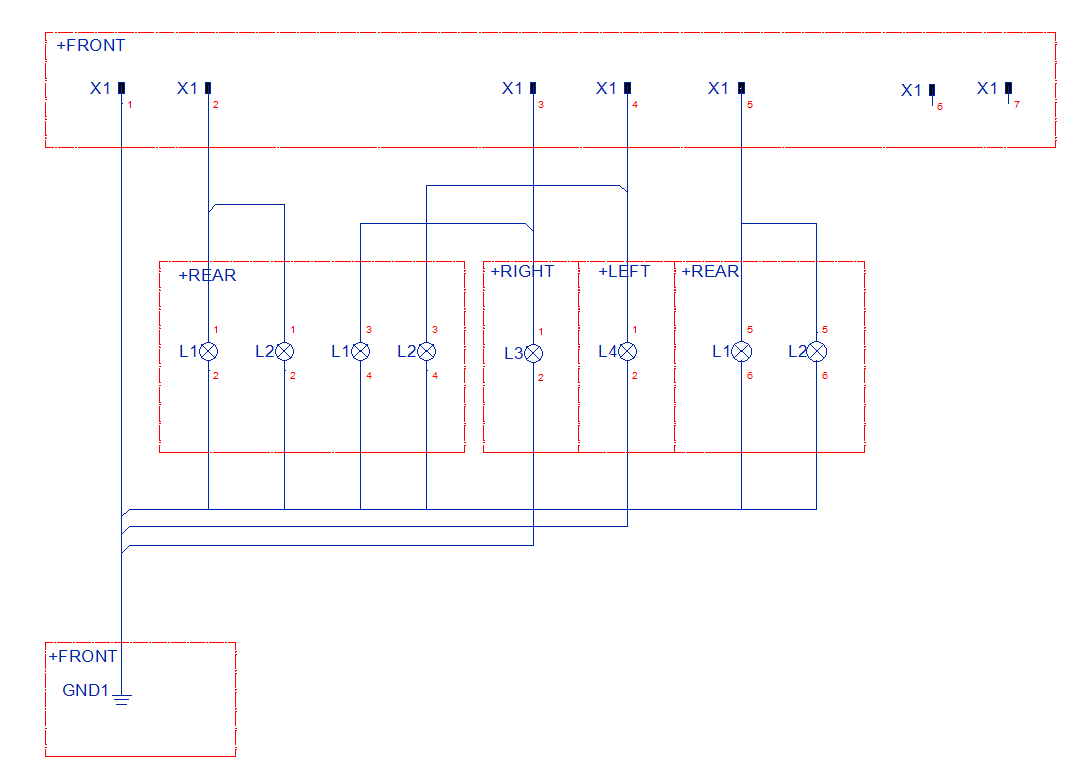
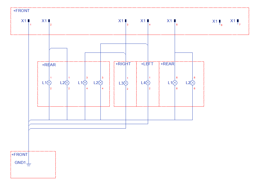
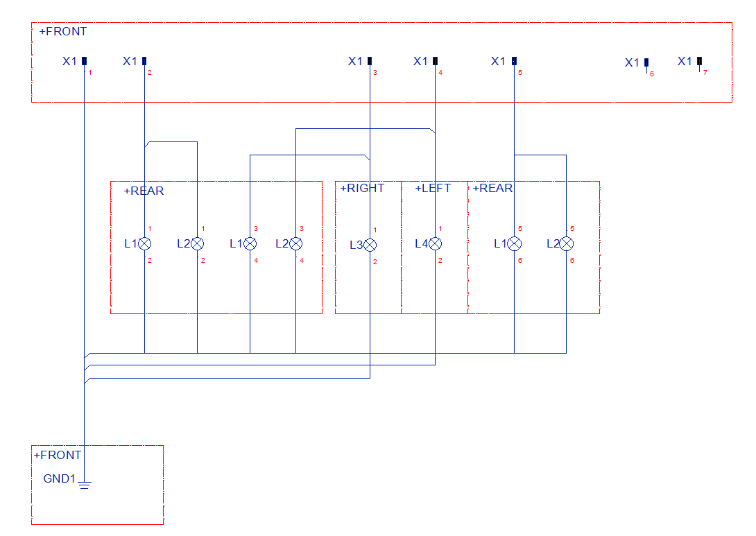
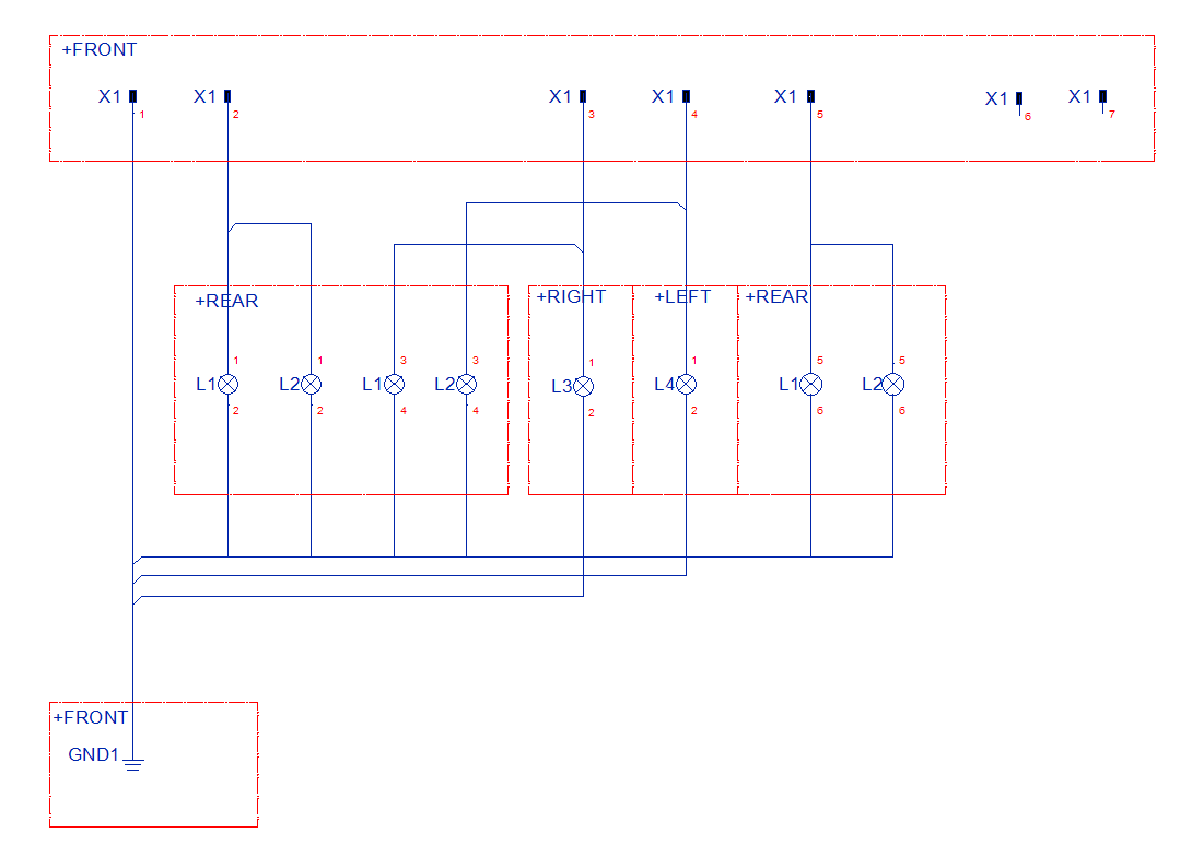
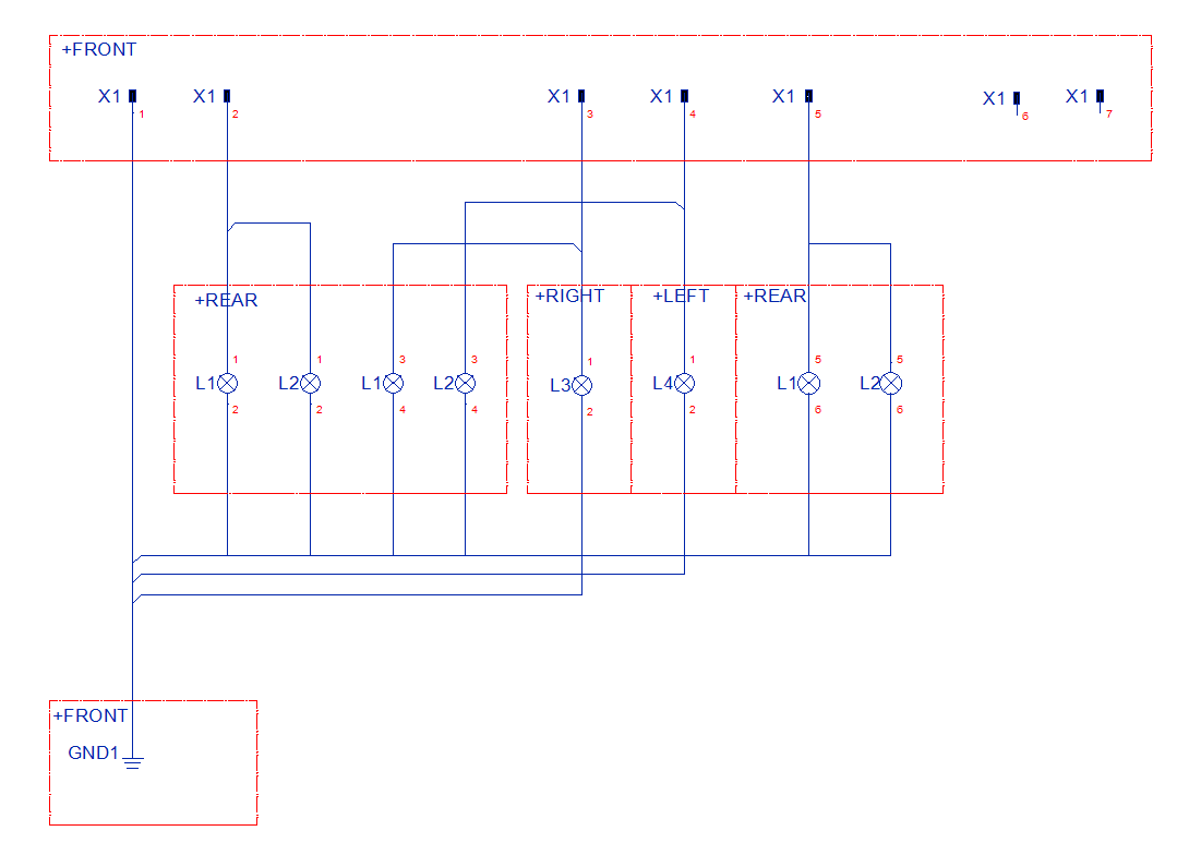
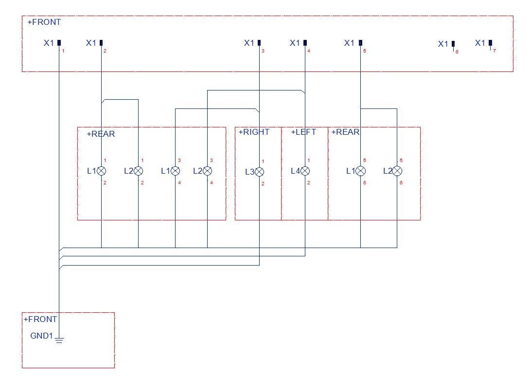
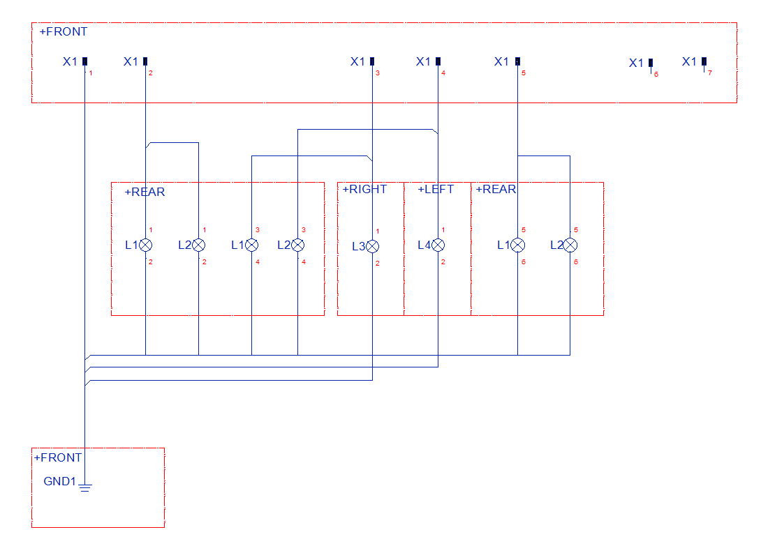
Johdinsarjan piirikaavio
Ensimmäisessä vaiheessa valmistellaan johdinsarjan piirikaavio laite-, kytkentä- ja nimiketietoineen. Piirikaaviosta kerätään laitteiden johdotus ja muut tiedot viedään Vertex G4:ään siirtotiedoston avulla.
Siirtotiedosto on VEC-standardin mukainen.

Johdinsarjaa kuvaava yksinkertainen piirikaavio, johon on täydennetään esimerkiksi erilaisia tunnuksia positiotietoineen, nimikkeitä, johdintietoja ym.

Piirikaaviosta tehdään johdotuksen keruu johdinsarjaa varten. Dialogista valitaan johdinsarjaan kuuluvat laitteet ja niiden väliset kytkennät. Samalla voidaan määrittää esimerkiksi kunkin laitteen liitintyyppi ja määrittää lisäsääntöjä johdotuksen keruuseen.
Johdinsarjan rakenteen ja johdinreittien määrittely 3D-malliin
Vertex G4:ssä piirikaavioista kerättyä johdinsarjatietoa käytetään liitinten, haarautumispisteiden ja johdinreittien määrittelyyn. Koneen tai laitteen jo olemassa olevaan 3D-malliin täydennetään siis sen tarvitsema johdinsarja.

Vertex ED:stä johdinsarjan piirikaavion perusteella on kerätty johdotus ja johdinsarjan rakenne, joka on tuotu Vertex G4:ään. Valitaan 3D-malliin lisättävät liittimet, segmentit (johdinreitit) ja noodit (haarautumispisteet tai haarakappaleet).

Liitinten lisäys 3D-malliin. Vihreällä merkityt liittimet on jo lisätty, keltaisena olevaa liitintä ollaan lisäämässä ja punaiset liittimet ovat lisäämättä.

Johdinreitin (segmentin) määrittely liittimistä, esim. kannakkeiden tai muiden kauttakulkupisteiden kautta.

Johdinreitin määrittely liittimistä, esim. kannakkeiden kautta haarautumispisteisiin tai toisiin liittimiin.

Yhden johdinreitin määrittelyn jälkeen ohjelma antaa johdinreitistä lisätietoja ja antaa mahdollisuuden parametrien muuttamiseen. Esimerkissä johdinsegmentin pituus on noin 2097 mm ja halkaisijaksi (d) on asetettu 15 mm.
Käyttäjä voi halutessaan määrittää johdinreitin osuudelle esimerkiksi värin ja taivutussäteen. Näitä tietoja käyttäjä pääsee muokkaamaan missä tahansa vaiheessa.

Valmiit 3D-malliin määritellyt johdinsarjan johdinreitit.
Johdinsarjan 2D-layoutkuvan teko
Johdinreittien määrittämisen jälkeen G4:stä kerätyt johdinten pituustiedot viedään takaisin Vertex ED:hen.
Johdinsarjan pituustiedot kerätään 3D-mallista ja täydennetään takaisin Vertex ED:n johdinsarjan johdotustietokantaan.

Johdotustietokannasta saadaan jatkojalostettua esimerkiksi johdinluettelot pituustiedoin tai valmiit johdinlistat katkaisukoneita varten.
Johdinsarjasta tehdään piirikaavion johdotus- ja kytkentätietoon sekä johdinsarjan 3D-mallinnettuun pituustietoon perustuva periaatteellinen layoutkuva. Tarvittaessa layoutkuvasta pystytään myös jatkojalostamaan oikeisiin 1:1 mittoihin levitetty pöytäkuva johdinsarjavalmistusta varten.

Monipuoliset dokumentit ja täydelliset mallit
Koneen tai laitteen sähköistykset eivät ole enää mallista erillään käsiteltävää asiaa, vaan piirikaavion perusteella suunniteltava johdinsarja nivotaan yhteen 3D-mallin kanssa.
Vertex ED:n avulla johdinsarjan piirikaavioista, layoutkuvista ja niihin täydennetyistä taustatiedoista tuotetaan kätevästi esimerkiksi PDF-kirja tai erilaisia luetteloita materiaalitilauksia ja johdinsarjavalmistusta varten.
Vertex G4:n avulla 3D-mallinnetusta johdinsarjasta voidaan tuottaa esimerkiksi havainnollistavia asennuskuvia muun johdinsarjaan liittyvän piirikaavio-, layout- ja luettelomuotoisen dokumentaation tueksi.

Johdinluettelo

Johdinluettelo

Johdinluettelo katkaisukonetta varten. Ennen listausta määriteltävä käytetyn katkaisukoneen käyttämiä parametreja.


