Flow ja G4Plant/G4PI 2021

Nämä uudistukset on esitelty Vertex G4:n pääversiossa 27.0.00 (Vertex 2021)
Flow-käyttö
Nopeampi nimikekoodin haku Flow'sta PI-laitekortille
Jos PI-laitekortilla ei ole esitäytettyjä DN-tietoja, ohjelma hakee nyt tuotekoodin Flow'sta aikaisempaa nopeammin. Koodikentän vieressä oleva Haku-painike etsii nyt myös Flow-perusnimikkeitä. Jos tuotekoodi valitaan putkikomponenteista, valinta tehdään putkikomponenttiselaimella. Jos tuotekoodi valitaan muista komponenteista, valinta tehdään yleisellä nimikeselaimella.
Jos nimikekoodi on jo valittu laitekortissa ja painetaan koodikentän vieressä olevaa painiketta, nimiketiedot avautuvat Internet-selaimessa. (PLANT-3346)
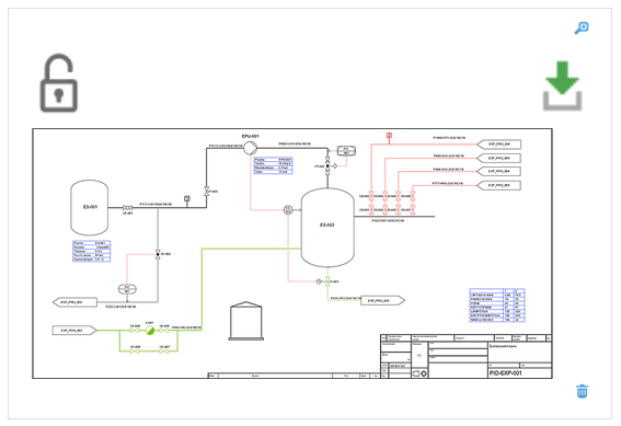
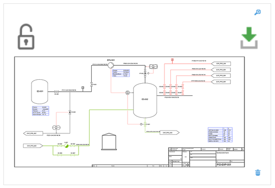
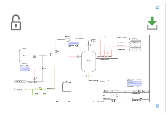
Mahdollisuus luoda Flow'n taustakääntäjällä PI-kaavioista värillisiä PDF-tiedostoja
Aiemmissa versioissa Flow'n taustakääntäjä teki aina joko mustavalkoisia tai värillisiä PDF-tiedostoja piirustustyypistä riippumatta. Versiossa 2021 voidaan määrittää palautuksen yhteydessä Flow-taustakääntäjälle erikseen PI-kaavioiden ja muiden piirustusten värit. PDF-katselutiedostot voidaan siis tuottaa esimerkiksi PI-kaavioista värillisinä ja muista piirustuksista mustavalkoisina. Asetus tehdään taustakääntäjän asetustiedostossa PDMsetup.txt. (PLANT-3720)

Arkistotiedot näkyvät myös katseltavana olevilla dokumenteilla
Jos malli tai piirustus luetaan Flow'sta katseltavaksi, voit tarkastella myös niiden arkistotietoja, mutta tietoja ei voi muokata. Arkistotiedot näkyvät myös G4 View -katseluohjelmalla. (PLANT-3705)
