Vertex G4PI yleiskatsaus
Tervetuloa Vertex G4PI -käyttäjäksi! Näiltä sivuilta sivulta löydät tietoa ohjelmiston ominaisuuksista, lisenssivaihtoehdoista sekä asennusohjeen.
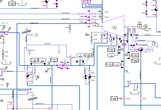
Vertex G4PI on vakiona laaja toimintokokonaisuus prosessikaavioiden suunnitteluun. Se sisältää erittäin kattavasti prosessikaavioiden suunnittelussa tarvittavat toiminnot.

Vertex G4PI - Ohjelmisto prosessien ja prosessikaavioiden suunnitteluun
Vertex G4PI on suomalainen ja suomenkielinen CAD-ohjelmisto, jolla voidaan suunnitella prosessikaavioita ja hallita projektien kaaviotietoja. Projektin kaavioiden prosessitietoja voidaan käsitellä eri tavoin ja listata ulos eri muodoissa. Prosessikaaviopiirustusten hallintaan on käytössä suunnittelutiedon hallintajärjestelmä, jota kutsutaan arkistoksi.
Ohjelmisto sisältää erikoistoimintoja muun muassa seuraavia osa-alueita varten:
- Kaavioviivat, signaaliviivat
- Kaaviosymbolit
- Putkilinjojen, varusteiden ja laitteiden positiointi
- Prosessitietojen syöttäminen ja hallinta projektikohtaisesti
- Olosuhdetaulukot, laitteiden tiedot taulukkoon
- Kaaviotietojen muuttaminen ja kaavioiden päivittyminen
- Projektikohtaiset tai kaaviokohtaiset listaukset
- Muilla järjestelmillä tehtyjen piirustusten hyödyntäminen.

Käyttöliittymä yleisesti
Ohjelmiston käyttö perustuun hiiren osoittimella valittaviin toimintoihin. Useimmat toiminnot voit myös suorittaa tilannekohtaisesta valikosta, joka avautuu napsauttamalla hiiren 2. painiketta kyseisen osan tai kokoonpanon kohdalla. Voit itse muokata käyttöliittymää ohjelman asetuksista rajoitusten puitteissa.
Arkistot ja globaali tiedonhallinta
G4PI käyttää suunnittelutiedon hallintaan arkistoja. Niitä ovat malliarkisto, piirustusarkisto ja projektiarkisto. Projektiarkiston kautta hallitaan kansioita, jotka sisältävät projektien malleja ja piirustuksia. Arkistojen avulla haluttu dokumentti löytyy erilaisten hakuehtojen avulla. Perusarkistointi käyttää Vertexin omia tietokantoja. Erityisesti hajautettua suunnittelua ja yleistä suunnitteludokumenttien hallintaa varten on saatavana myös laajennettu SQL-pohjainen PDM-järjestelmä Vertex Flow.



Projektin kopiointi uudeksi projektiksi
Voit kopioida arkistossa olevan projektin minkä tahansa kokoonpanon uuden projektin pohjaksi. Kopiointiin ja tiedostojen uudelleen nimeämiseen varta vasten kehitetty toiminto kopioi valitun kokoonpanon ja sen sisältämän mallihierarkian piirustuksineen uusille nimille.


Projektien pakkaus ja siirto järjestelmästä toiseen
Vertex arkistoon tallennetut dokumentit tai projektit voidaan arkistoida paketeiksi, jotka sisältävät projektin dokumentit ja niiden metatiedot. Projektit tai valitut projektidokumentit voidaan myös siirtää toiseen Vertex-ohjelmistoon siirtopakettien avulla. Voit esimerkiksi ladata projektin mukaasi työmaalle, tehdä siellä muutoksia ja palauttaa muutokset takaisin palvelimelle.
Suunnittelutyön jakaminen
Projektin parissa työskentelee tavallisesti saman aikaisesti useita henkilöitä. Tässä tapauksessa projektin tiedostot tallentuvat keskitetysti palvelimella olevaan arkistoon josta ne ovat kaikkien projektiin osallistuvien suunnittelijoiden saatavilla. Hajautettua suunnittelua voidaan tehostaa ottamalla käyttöön Vertex Flow -järjestelmä, joka huolehtii dokumenttien varaamisesta, revisioinnista ja käyttö- ja muutosoikeuksista. Voit myös asettaa Flow-järjestelmän tekemään dokumenteista automaattisesti esimerkiksi PDF- tai DWG-muunnoksia.
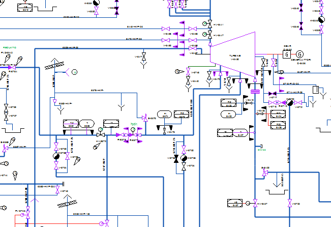
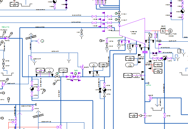
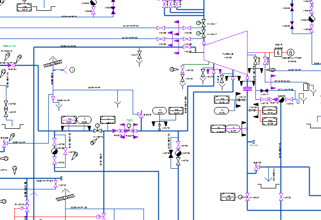
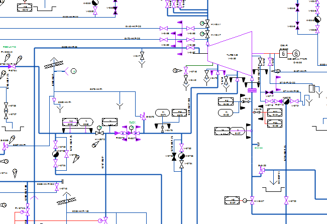
Piirrä prosessikaavio
Piirrä kaavio käyttämällä kaavio- ja signaaliviivoja sekä valmiita standardien PSK 3601 ja PSK 3605 mukaisia kaaviosymboleja. Voit itse vapaasti piirtää itse haluamiasi laitteita ja varusteita ja määrittää ne symboleiksi, joille voidaan syöttää myöhemmin kaaviotietoja. Käytössäsi ovat kaikki ohjelmiston 2D-piirtotyökalut joilla voit muokata tekemääsi kaaviota. Piirtämiesi viivojen ja symbolien tasot, värit, viivanleveydet ja viivatyypit ovat valittavissa vapaasti joko etukäteen tai jo piirretyille elementeille. Voit tuoda kaavion myös toisesta suunnittelujärjestelmästä Vertexiin esimerkiksi DWG-muodossa ja voit myöhemmin syöttää putkilinja- ja varustetietoja kaikille Vertexiin tuotujen piirustusten viivoille ja symboleille.


Syötä tunnuksia ja prosessitietoja
Voit syöttää positiotunnuksia ja prosessiarvoja kaavioiden elementeille kaksoisnapauttamalla niitä. Tietotyypeille, kuten putkille, varusteille, instrumenteille ja laitteille, täytetään omat tietonsa joita voit myöhemmin tarkastella ja listata projektikohtaisesti. Kaikki syöttämäsi tiedot kerätään projektin alle tietokantoihin joista usean kaavion tiedot saadaan keskitetysti listattua itse kaavioita avaamatta. Listauksia varten on luotu valmiita esimerkiksi Excel-tulostuspohjia eri tietotyypeille.



Selaile ja muokkaa kaaviotietoja
Voit muokata projektiin tallennettuja kaaviotietoja kaksoisnapauttamalla yksittäistä elementtiä PI-kaaviossa tai avaamalla tiedot projektin tietokantojen kautta. Listamuotoisen projektinäytön kautta tietojen muokkaaminen on vaivatonta. Voit viedä haluamasi rivit myös Excel-ohjelmaan muokattavaksi ja palauttaa ne takaisin projektiin. Tekemäsi muutokset päivittyvät automaattisesti myös kaaviopiirustukseen ja ohjelma päivittää vastaavasti kaaviossa olevat tekstit ja taulukot muutoksia vastaaviksi. Projektin kaaviotiedoista voit myös ajaa koko projektin linja-, varuste-, instrumentti- ja laiteluetteloita.
Hyödynnä erikoistoimintoja
Voit hyödyntää kaavioon syötettyjä kaaviotietoja myös lukuisten erikoistoimintojen kautta. Kaavioon voit lisätä päivittyviä taulukoita ja kaaviotiedoista päivittyviä tekstejä. Voit kopioida jo syötettyjä tietoja elementiltä toiselle ja määritellä elementiltä toiselle periytyvät tiedot. Esimerkiksi putkilinjatietojen muuttuessa muutokset voi periyttää linjalla oleville varusteille. Voit hakea positiotunnuksia kaaviosta, säätää kuvaan tulevia positiotekstejä projektikohtaisesti, luoda omia kaaviosymboleja jne. Tekemäsi kaavioita voit käyttää myös toisessa projektissa nimeämällä kaaviot uudelleen ja viemällä kaaviotiedot uuden projektin alle omalla erikoistoiminnollaan.
Painehäviölaskenta
Tarkastele kaaviossa olevien putkilinjojen ja varusteiden painehäviöitä halutulla virtausmäärällä. Varusteiden kertavastuskertoimet ja putkistojen pinnankarheudet voidaan määrittää lähtötietoihin.


PI-kaaviolinkki 3D-mallinnusta varten
Mikäli käytössäsi on Vertex G4PI -kaaviosuunnittelusovelluksella tehtyjä kaavioita ja Vertex G4Plant -laitossuunnitteluohjelmisto, voit 3D-suunnittelun aikana poimia koko-, putkiluokka-, materiaali- ja suunnitteluarvoja suoraan kaaviosta tai projektin kaaviotiedoista.
Osaluettelointi ja raportit
Ohjelmassa on erikoistyökalut projektin kaaviotietojen listauksia varten. Kerää projektin kaikki kaaviotiedot tai suodata listalle haluamasi. Osaluettelo voidaan tulostaa suoraan joko suomeksi tai englanniksi.

Liitynnät eri järjestelmiin
Vertex G4PI -ohjelmistossa on tuki useille eri 2D-tiedostoformaateille.
Kaaviosuunnitteluohjelmistoon voidaan lukea seuraavia 2D-tiedostomuotoja (import):
DWG-piirustukset (*.dwg)
DXF-tiedostot (*.dxf)
Binaari DXF-tiedostot (*.dxb)
Design Web Format (*.dwf)
GIF-kuvat (*.gif)
PNG-kuvat (*.png)
RAR-tiedostot (*.rar)
ZIP-tiedostot (*.zip)
Vertex-siirtotiedosto (*.vxz)
Vertex Red Pen -tiedostot (*.vxr)
HPGL-kuvat (*.hpgl, *.hgl)
TIFF-kuvat (*.tif, *.tiff)
JPEG-kuvat (*.jpg, *.jpeg)
BMP-kuvat (*.bmp)
Prosessikaavioita voidaan tallentaa seuraavissa 2D-tiedostomuodoissa (export):
2D
Adobe Acrobat -tiedostot (*.pdf)
AutoCAD-piirustukset (*.dwg)
DXF-tiedostot (*.dxf)
Binaari DXF -tiedostot (*.dxb)
Scalable Vector Graphics (*.svg)
Design Web Format (*.dwf)
Binary Design Web Format (*.dwf)
Compressed Design Web Format (*.dwf)
HPGL-kuvat (*.hpgl, *.hgl)
TIFF-kuvat (*.tif, *.tiff)
JPEG-kuvat (*.jpg, *.jpeg)
BMP-kuvat (*.bmp)
GIF-kuvat (*.gif)
PNG-kuvat (*.png)